-
资料下载|碳化硅Sic功率器件应用笔记
碳化硅SIC功率器件模块应用笔记,硬件工程师必备。里面很多硬件经验,还有画板注意事项,值得学习。 高清电子档。 硬件工程师必备!!! 1.SiC MOSFET栅极驱动优化; 2.SiC 功率元器件基础; 3.SiC(碳化硅)功率元器件的理解和活用事例; 4.活用Si(硅)功率器件特征的应用事例 。- 528
- 0
-
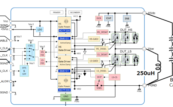
IGBT和SiC栅极驱动基础知识
来源:微信号 auto_semi 高效电源转换在很大程度上取决于系统中使用的功率半导体器件。由于功率器件不断改进,大功率应用的效率正在越来越高并且尺寸越来越小。IGBT和SiC器件在高压应用领域备受青睐。 相对于硅基器件,SiC MOSFET的宽禁带材料特性使得其能够承受的电压更高,极间电容更小,开关速度快能够降低开关损耗,并且大幅降低滤波器的体积;驱动电压更高导通阻抗更低,更适合大功率场景下使用…- 316
- 1
-
碳化硅(SiC)MOSFET性能的优势与技术的难点
来源: 莱勒信息化生态圈 引言:碳化硅功率器件近年来越来越广泛应用于工业领域,受到大家的喜爱,不断地推陈出新,大量的更高电压等级、更大电流等级的产品相继推出,市场反应碳化硅元器件的效果非常好,但似乎对于碳化硅元器件的普及还有一些技术难题。 一、 碳化硅mos对比硅mos的11大优势 1. SiC器件的结构和特征 Si材料中,越是高耐压器件其单位面积的导通电阻就越大(通常以耐压值的大概2-2.5次方…- 368
- 0
-
碳化硅器件的特性优势和八大应用领域
随着节能减排.新能源汽车.再生能源发电.智能电网等领域的快速发展,电源和电控模块等行业对功率半导体器件的性能指标和可靠性的要求日益提高,要求器件有更高的工作电压.更大的电流承载能力.更高的工作频率.更高的效率.更高的工作温度.更强的散热能力和更高的可靠性。碳化硅功率器件能够大幅度提升电子器件的高压.高频.高功率与耐高温等工作特性,在电源.工控.再生能源发电.储能.电动汽车与电网等领域具有非常大的应…- 1.3k
- 1
碳化硅
❯
个人中心
今日签到
有新私信
私信列表
搜索
客服
扫码打开当前页

扫码关注
返回顶部
幸运之星正在降临...
点击领取今天的签到奖励!
恭喜!您今天获得了{{mission.data.mission.credit}}积分
我的优惠劵
-
¥优惠劵使用时效:无法使用使用时效:
之前
使用时效:永久有效优惠劵ID:×
没有优惠劵可用!






