前段时间看到一篇小文章,结合自身开发经历和经验,身边朋友同事也有很多问到MOS的原理,觉得深浅合适,简单易懂,给大家分享一下。简单解释一下 MOS 场效应管的工作原理。
MOS 场效应管也被称为MOS FET, 既 Metal Oxide Semiconductor Field Effect Transistor(金属氧化物半导体场效应管)的缩写。它一般有耗尽型和增强型两种。 本文使用的为增强型MOS场效应管,其内部结构见图1。它可分为NPN型和PNP型。NPN型通常称为N沟道型,PNP型也叫P沟道型。由图1可看出,对于N沟道的场效应管其源极和漏极接在N型半导体上,同样对于P沟道的场效应管其源极和漏极则接在P型半导体上。我们知道一般三极管是由输入的电流控制输出的电流。但对于场效应管,其输出电流是由输入的电压(或称电场)控制, 可以认为输入电流极小或没有输入电流,这使得该器件有很高的输入阻抗,同时这也是我们称之为场效应管的原因。

图1
为解释MOS场效应管的工作原理,我们先了解一下仅含有一个P—N结的二极管的工作过程。如图2所示,我们知道在二极管加上正向电压(P 端接正极, N 端接负极)时,二极管导通,其PN结有电流通过。这是因为在P型半导体端为正电压时,N型半导体内的负电子被吸引而涌向加有正电压的P型半导体端, 而P型半导体端内的正电子则朝N型半导体端运动,从而形成导通电流。同理, 当二极管加上反向电压(P端接负极,N端接正极)时,这时在P型半导体端为负电压,正电子被聚集在P型半导体端,负电子则聚集在N型半导体端,电子不移动,其 PN结没有电流通过,二极管截止。

图2
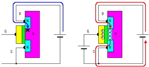
对于场效应管,见图3,在栅极没有电压时,由前面分析可知,在源极与漏极之间不会有电流流过,此时场效应管处与截止状态(图3a)。当有一个正电压加在N沟道的MOS场效应管栅极上时,由于电场的作用,此时N型半导体的源极和漏极的负电子被吸引出来而涌向栅极,但由于氧化膜的阻挡,使得电子聚集在两个N沟道之间的P型半导体中(见图3b),从而形成电流,使源极和漏极之间导通。我们也可以想像为两个N型半导体之间为一条沟,栅极电压的建立相当于为它们之间搭了一座桥梁,该桥的大小由栅压的大小决定。 图4给出了P沟道的MOS场效应管的工作过程,其工作原理与N型类似,只是需要加一个负电压,这里不再重复。

图3a 图3b

图4a 图4b
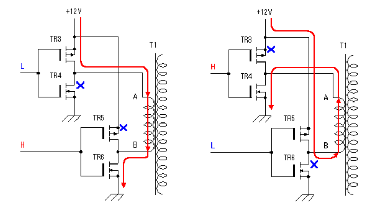
下面简述一下用C-MOS场效应管(增强型MOS场效应管)组成的应用电路的工作过程(见图5)。电路将一个增强型P沟道MOS场效应管和一个增强型N沟道MOS场效应管组合在一起使用。当输入端为低电平时,P沟道MOS场效应管导通,输出端与电源正极接通。当输入端为高电平时,N沟道MOS场效应管导通,输出端与电源地接通。在该电路中,P沟道MOS场效应管和N沟道MOS场效应管总是在相反的状态下工作,其相位输入端和输出端相反。通过这种工作方式我们可以设计电源开关和驱动,获得较大的电流输出和电源换向,比如正负直流或者正反转电机控制。同时由于漏电流的影响,使得栅压在还没有到0V,通常在栅极电压小于1到2V时,MOS 场效应管既被关断。不同场效应管其关断电压略有不同。也正因为如此,使得该电路不会因为两管同时导通而造成电源短路。

图5
由以上分析我们用MOS场效应管设计变压电源,见图6,工作原理同前所述。低电压、大电流、频率为50Hz的交变信号通过变压器的低压绕组时会在变压器的高压侧感应出高压交流电压,完成直流到交流的转换。这里需要注意变压器的低压侧有时会有很大的电流,低压侧需要进行电路过流保护。

图6
以上为一点知识总结,希望给电驱和控制器开发的工程师带来启发和解惑,望大家多多交流。


👍
谢谢分享
写的不错啊
谢谢分享!!!!
谢谢分享!!!!写的不错啊