各种网络收集BMS学习资料集合,只渡有缘人,很多吃灰资料其实还是很有用的,也不想整理有需求的自取整理学习吧。
1、BMS模型及说明文档,量产车型使用。+电池管理系统策略开发,FEV应用层软件,在售车型最新版本软件。按照ASPIC++开发流程开发,基于AUTOSAR架构开发,满足功能安全ASIL+C。模型和策略说明+BMS电池管理系统应用层软件,策略说明+都是量产车型在用,不是仿真不是仿真不是仿真!+BMS,simulink应用层模型。
2、某大厂量产bms应用层模型及需求文档matlab版本:2021b。
BMS工程




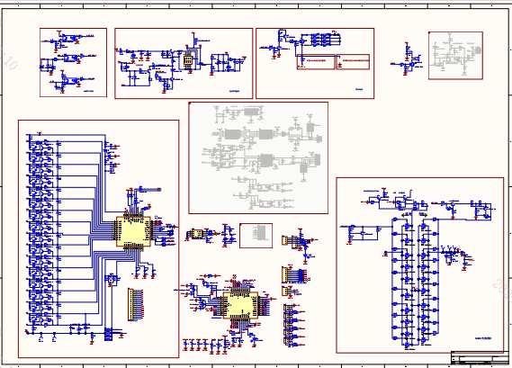
3、中颖SH367309 BMS开发板全套方案(锂电池管理保护板),成熟量产可售。支持5-16S,可升级至48串,功能完善、性能优、量产稳。含原理图、PCB(AD打开)及源代码。




4、不知道谁家的BMS模型。


5、以往分享,点击跳转。
①、资料下载|BMS(电池管理系统)核心技术系列课程:从基础到实战,全面掌握 BMS 设计与应用