一共9篇文章
专题:第9期
-
碳化硅功率器件在车载充电机OBC中的应用
一、车载充电机(OBC) 车载充电机是任何一辆新能源汽车必须配置的功能。车载充电机(On-Board Charger,简称为OBC)的基本功能是:电网电压经由地面交流充电桩、交流充电口,连接至车载充电机,给车载动力电池进行慢速充电。 图1:电动汽车充电方式 电动汽车充电可分为交流充电与直流充电两种,交流充电“慢充”是交流充电桩将电网中的单相交流电220V或三相交流电380V供给安装在车辆内部的…... 国产碳化硅器件
- 86
- 1
-
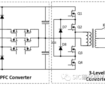
SIC 碳化硅MOS管应用于车载充电机(OBC)和DC/DC转换器(电动汽车,混合动力电动汽车和燃料电池电动汽车)
由于技术的改进、低碳排放趋势和政府的政策激励,电动汽车(EV)是汽车行业一个快速增长的部分。根据市场与市场报告,预计到2030年,电动汽车市场将达到2690万辆,复合年增长率为21.1%。预计亚太市场增长最快,其次是欧洲和北美。不同国家或地区的汽车工业发展倾向于不同的电动汽车。日本更注重混合动力和燃料电池电动汽车的发展,而其他国家则更倾向于纯…... 国产碳化硅器件
- 47
- 0
-
碳化硅器件在电动汽车充电桩的应用
由于技术的改进、低碳排放要求和政府的政策激励,电动汽车(EV)是汽车行业一个快速增长的部分。目前,电动汽车行业正在进行一场技术变革,通过充电基础设施提高汽车续航里程。电动汽车制造商和充电服务企业正在大力投资充电站基础设施,以支持长续航能力电动汽车和改善电动汽车司机的充电体验。政府激励措施和汽车制造商在充电基础设施建设方面的举措是推动全球电动汽车…... 国产碳化硅器件
- 18
- 0
-
液冷超充,一文带你入门
“充电5分钟补能200公里”、“12分钟充电500公里”,最近各家新能源车企都在将电车的充电速度作为核心卖点之一进行大力宣传,而液冷超充也反复被提起,那么液冷超充是如何提升新能源汽车充电效率?... 信驭核心
- 1.1k
- 0
-
-
比亚迪充电黑科技工作原理
原创:天河小记 比亚迪充电的两个技术: 双枪充电 车辆与充电桩解耦 先放一张图: 今天好好学习一下迪 厂的车是如何做到 同时用2个 充电桩来充电的。 先回顾一下电动汽车的充电过程: 国标直流充电流程: • 物理连接:插枪落锁 • 充电握手阶段:桩发送握手报文并绝缘自检,通过后车桩互发握手报文,握手成功 • 充电参数配置:桩向车发送最大输出能力,车判断是否能充电。如允许则车闭合继电器,启动车端绝缘检…... 电车小子
- 1.3k
- 2
-
比亚迪电池全场景自加热和充电解耦技术解析
原创 :天河小记 昨天在朋友圈看到一篇讲 比亚迪全新一代e平台3.0 Evo及首搭车型海狮07EV全球同步首发,里面提到的 全场景自加热 ( 充电 、 驻车 、 行车 )十分有意思。 e平台3.0Evo的全场景智能脉冲自加热技术,是通过复用电驱系统,产生脉冲的交变的电流,直接作用于电池内部,利用电池的内阻快速产热,同时结合高效热泵与电气余热电池温升的速率提升230%。低温场景下充电时间缩短了40%…... 电车小子
- 1.6k
- 0
-
充电桩2023新国标解读
电动汽车充电桩国家标准GB/T 18487.1-2023于2023年9月7日正式发布,将于2024年4月1日实施,新标准既保持了技术的连续性和一致性,也针对未来的发展进行了系统性的规划,国际标准和国内标准协同推进。... 信驭核心
- 5.6k
- 2





















