一共22篇文章
专题:第12期
-
TMS新能源汽车热管理系统CAN总线通信协议制定
CAN通信协议设计 基于TMS系统(热管理系统)与整车控制器、电池管理系统(BMS)、电机控制器(MCU)及各执行器的通信需求,设计以下CAN通信协议,采用CAN 2.0B标准,通信速率500kbps,确保-40℃~85℃工业环境下的可靠传输。 一、协议基础规范 帧类型:采用标准数据帧(11位标识符),扩展帧备用 数据长度:每帧数据8字节(最大化利用带宽) 通信周期: 关键状态帧:10ms(如TM…... user1479
- 12
- 0
-
资料下载|动力电池与电机余热·热管理控制策略
新能源热管理,电机余热利用方案 讲解课程,具体包含空调与电池冷却,不同工作模式差异,耦合模型框架和逻辑,电机余热利用等热管理策略,共35页pdf。 详细内容自行下载学习。... 电车小子
- 103
- 0
-
电子膨胀阀过热度设定值对车用热泵系统制热性能的影响
摘要:为了研究在车用热泵系统中,电子膨胀阀过热度设定值对系统制热性能的影响,搭建车用热泵系统实验台,在超低温工况-10 ℃下,通过电子膨胀阀对蒸发器出口过热度、压缩机排气口过热度进行控制,分析电子膨胀阀过热度设定值对系统主要制热性能参数的影响。结果表明:当主阀过热度设定值从1 ℃升高到9 ℃时,压缩机排气温度随之升高,系统制热量降低了14.2%,压缩机功率降低了20.0%。当补阀过热度设定值从10…... AzureDragon
- 325
- 1
-
基于AMESim的热泵空调低温制热系统设计及仿真
摘要:针对纯电动汽车热泵空调系统在冬季低温潮湿环境下制热能力不足、换热器出现结霜现象等问题,提出了一种新型热泵空调制热系统。该系统将电机余热回收用于提升热泵空调的制热性能,抑制换热器结霜现象的发生,同时使用PTC加热器耦合制热,使得空调系统可以在更低的环境温度下正常工作。首先运用AMESim软件搭建电机散热循环系统仿真模型对电机余热的利用价值进行分析,得到电机余热在电机频繁以中高转速运行的工况下具…... AzureDragon
- 567
- 0
-
电子膨胀阀用于电动汽车热泵系统的实验研究
[摘要] 以R134a 电动汽车热泵空调系统为研究对象,在不同压缩机转速和室外环境温度下,实验研究了电子膨胀阀开度对热泵系统性能的影响规律。结果表明:在不同压缩机转速和室外温度下调节电子膨胀阀开度,压缩机吸排气特性变化趋势一致。随着电子膨胀阀开度的增加,压缩机吸气压力缓慢上升,吸气温度基本维持不变,而排气压力先增加后减小,排气温度显著降低。压缩机转速为2 000 r/min 和3 000 r/mi…... AzureDragon
- 353
- 0
-
基于试验探究热力膨胀阀与同轴管对空调系统制冷效果的影响
【摘要】汽车空调系统(Heating ventilating air condition)主要是为车内提供制冷、制热、通风等功能,其构成包含压缩机、空调管路、冷凝器、空调箱、空调风道等组件。膨胀阀(安装在空调箱内)、空调管路(制冷剂运输媒介)是影响汽车空调制冷性能的两个最大因素,体现在膨胀阀限制流过蒸发器的制冷剂流量,空调管路运输制冷剂到各个空调部件,以此达到制冷剂通过管路进入蒸发器与空气换热给乘…... AzureDragon
- 583
- 1
-
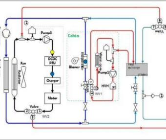
小鹏、比亚迪、理想、特斯拉热管理系统介绍
提到热管理,对于大多数人而言,第一反应就是车内空调使用感受。然而对于整车而言,除了车内空调的使用,还包括对高压系统的加热保温或是散热降温,以及前挡风玻璃的除雾加热等等。 它就像汽车的贴心保护者,静静的管理车上各零部件的温度状态,让部件尽可能处在一个舒适的温度环境,保持零部件的最佳性能发挥,间接的影响车辆的动力性和经济性的优秀表现。 下面来看看各主机厂车型的热管理系统。 01 .小鹏P7的热管理…... AzureDragon
- 965
- 0
-
热泵型热管理系统整车制冷剂充注量标定方法研究
[摘要] 为保证新能源汽车空调系统高效运行,提升整车续航里程,本文研究多种运行模式下新能源汽车热泵空调系统制冷剂充注量,采用实验测试与理论计算相结合的方法,通过搭建可视化的充注量测试台架,对基于某电动汽车实车的三换热器空调热泵空调系统进行了研究。在标准焓差室中基于新能源汽车空调的典型工况,通过测量不同充注量下系统关键温度压力参数,对不同工况下吸排气压力、过冷过热度等系统关键性能进行分析。实验结果表…... AzureDragon
- 786
- 0
-
电动汽车空调压缩机带液制冷特性研究
摘要:为研究转速变化与长时间吸气带液对电动汽车空调压缩机制冷性能的影响,本文使用依据制冷剂气体冷却法设计的压缩机性能试验台架在两种不同吸气带液工况下对转速范围(800~8 500)rpm 的电动涡旋压缩机制冷性能进行测试,并比对了其在转速8 500 rpm 的300 h 不停机连续运行带液耐久试验前后性能变化。结果表明:同一工况下,制冷量随压缩机转速升高呈近线性上升,制冷性能系数随转速升高先增大后…... AzureDragon
- 554
- 0
-
纯电动汽车非热泵型整车热管理系统的控制方法
摘要:基于V字形开发模式,开发了满足整车热管理需求的非热泵型整车热管理系统,取得了良好的改善效果。在此系统中采用了低温下的电机余热利用等改善措施,与目前电动汽车普遍采用的PTC电加热方式(不带电机余热)相比,能够显著地增加电动汽车低温续驶里程。 随着纯电动汽车越来越普及,使用过程中的诸多问题也逐渐暴露出来,高低温环境下的续驶里程衰减是当前用户的一大痛点。与传统燃油车相比,纯电动汽车的主要动力总成系…... AzureDragon
- 412
- 0





























