文章来源:电子设计工程
作者:于 亮 1,2,3(1.中国科学院上海微系统与信息技术研究所;2.上海科技大学 信息科学与技术学院;3.中国科学院大学 )
摘要:电动汽车利用电网来给电池充电,从而实现长久的续航能力。通常,电动汽车在充电时,电机驱动系统是不工作的。因此,复用电动汽车电机驱动系统来实现电池充电是可行的。车载集成充电系统具有传统车载充电和非车载充电的双重优点。既能减小系统的体积、重量、花销,还能够方便用户的使用。本文提出了一个新型的车载集成图腾柱 PFC 变换器电路拓扑结构。并通过使用新型宽禁带半导体器件 SiC 提升了系统性能。本文分析了新型电路拓扑的工作模态,并进行了仿真及实验验证。实验数据表明:该电路能够实现高功率因数校正功能,适合应用于车载集成充电系统。
关键词:车载集成充电;图腾柱;功率因数矫正;SiC

随着能源问题以及环境问题的日益严重,以电能为主要动力来源的电动汽车得到了广泛关注。电动汽车通过电动机将电能转换为动能[1]。因此储能系统及动力系统是电动汽车的重要环节。目前常见电动汽车电池的充电器有两种:非车载充电器和车载充电器。非车载充电器功率等级高,适合于快速充电。其缺点是必须在固定的地点充电,因此不方便。车载充电器功率等级较低,适用于慢速充电。车载充电器的优点在于方便,在任何有电网的地点都可使用。其缺点在于增加了汽车的体积和重量。因此,小体积,轻质量的车载充电器是电动汽车的必然选择[2]。
集成车载充电器是利用电动汽车的牵引系统作为充电系统的一部分,从而实现充电器的小体积、重量轻的特点[3]。同时,由于减少使用了器件,成本也会随着降低。集成车载充电器的设计也得到了国内外学者的广泛关注。集成车载充电器通常是利用电机的绕组作为电感,同时复用电机驱动系统中的半导体器件来实现将交流电转化为直流电供给电池充电的功能[4-6]。驱动系统中半导体器的复用率高及电机绕组不需重新安排会提高集成车载充电器的可行性[7-9]。文中提出并验证了一个新型的高性能的车载集成充电器拓扑结构。该电路能够实现功率因数校正及调节输出电压的功能。
1 车载集成充电器电路拓扑
1.1 传统车载充电器
传统的车载充电器及驱动系统框图如图1所示[10]。充电时,首先电网电压通过 PFC 电路,将交流电转化为直流电,然后再经过 DC/DC 变换器供给电池包充电。对于驱动系统而言,电池电压经过 DC/DC 变换器转化为高压,然后再经过逆变器来驱动电机转动。充电系统与驱动系统完全分离。整个系统需要的半导体器件及被动元件较多,导致这个系统体积大、质量重、花费高,不利于电动汽车的快速发展[11-13]。

1.2 车载集成充电器
车载集成充电器及驱动系统如图 2 所示。充电时,电网交流电压通过整流桥变为直流电压。然后通过复用电机绕组及逆变器实现功率因数校正功能。最后通过 DC/DC 变换器将电压调整到充电电压供给电池使用。驱动电机时充电过程将不会发生。因此,这种复用机制不会影响到电机驱动系统。通过复用驱动系统原件,充电过程将不再需要额外的器件搭建 PFC 变换器和 DC/DC 变换器,从而,减少了半导体器件及被动元件的使用,能够减小系统的体积,重量及花销。

1.3 新型的车载集成图腾柱PFC变换器
图3(a)展示了电路处于驱动工作状态下的电路图。在驱动模态,通过电机及逆变器的工作实现电动汽车的拖动功能。图 3(b)展示了电路处于充电工作状态下的电路图。此时,电机将不会转动。电机的 3 个绕组及逆变器的两个桥臂都被复用到充电系统中。只需额外添加一个二极管半桥就可实现充电器的功能。该电路结构与带有交错并联的图腾柱PFC 电路相似,因此称之为车载集成图腾柱 PFC 变换器。传统的图腾柱 PFC 电路具有器件少,功率密度高,效率高的优点[14-16]。但传统的图腾柱 PFC 存在作为同步整流功能的 MOSFET 的体二极管的反向恢复 问 题 [17]。为 了 解 决 这 个 问 题 ,该 文 用 新 型 SiC MOSFET。SiC 器件能够有效的降低体二极管方向恢复电流。从而减小反向恢复损耗。同时,SiC MOSFET具有开关速度快,导通电阻小的优点[18]。因此,SiC器件的使用会提高充电系统和驱动系统的性能。
新型集成充电拓扑结构如图 3(b)所示。

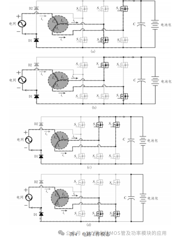
由于电路结构非常对称,输入电压为正值或是负值电路的工作模态基本相似。该电路的控制信号也非常简单。每个半桥的两个开关管互补导通,同时带有很小的死区时间来防止整个桥臂的溃通。文中只对输入电压为正半周期时进行模态分析,输入电压为负半周期时只需调换开关器件的序号即可。当输入电压为正时,该电路有 4种工作模态如图 4所示。当脉宽调制信号(PWM)的占空比小于 0.5 时,电路工作的模态顺序为(a)–(c)–(b)–(c)–(a)。当PWM 的占空比大于 0.5 时,电路工作模态顺序为(a)–(d)–(b)–(d)–(a)。每个模态的详细介绍如下:
模态(a)
: S3和 S6导通,S4和 S5关断。此时 ib线性增大,绕组 Lb存储的能量将会增加。ic 线性减小,绕组 Lc存储的能量转移到输出端。
模态(b)
: S4和 S5导通,S3和 S6关断。此时电网将能量储存到绕组 Lc 中,ic线性增大。绕组 Lb 向输出端提供能量,ib 线性减小。
模态(c)
:此模态只存在于 PWM 的占空比小于0.5 时。该模态处于(I)和(II)之间。S4和 S6同时导通,S3和 S5处于关断状态。此时 ic和 ib 都线性减小。
模态(d)
: 此模态只存在于 PWM 的占空比大于0.5 时。该模态处于(I)和(II)之间。S3和 S5同时导通,S4和 S6处于关断状态。此时 ic和 ib 都线性增大。
该电路为交错并联的图腾柱结构,能够有效降低输入电流的纹波和总谐波失真(THD)。因此,该电路能够实现高功率矫正功能。

2 仿真分析
为 了 验 证 方 案 的 可 行 性 ,特 利 用 MATLAT Simulink 搭建了仿真电路,并进行了输入电流和输出电压双闭环仿真分析。闭环控制框图如图 5 所示。内环为电流环,外环为电压环。一个 PLL模块被使用去产生输入电压参考信号。两个简单的 PI控制器被使用来实现好的动态性能。部分参数如下:输入交流有效值 vin=220 V,输出电压为 Vo=450 V,开关频率为f=50 kHz,输出电容C=1 000 μF,电阻负载R=200 Ω,输 出 功 率 Po=1 kW。仿 真 测 得 功 率 因 数 PF=0.98,THD=0.3。仿真波形如图 6 所示。从图中可以看出,输入电压与输入电流同相位。输入电流波形非常平滑,说明该电路具有很好的功率因数校正功能。同时,由于电压环的作用,该电路具有一定的调节输出电压能力。因此,该电路非常适用于电池充电系统。


3 实验分析

为了验证电路的性能,一个功率等级缩减的PCB 电路板被设计并进行了验证实验。实验参数如表 1所示。实验波形如图 7所示。从图中可以看出,输入电流波形很好的跟随输入电压波形,实验测得功率因数为 0.98。

4 结 论
文中提出了一个新型的基于 SiC 的车载集成充电器电路拓扑结构。并对电路的工作模态进行了详细的介绍。该电路对电动车的驱动系统复用程度高,只需额外添加一个二极管半桥即可实现功率因数矫正功能。最后通过 MATLAB 仿真及实验验证了该电路的可行性。该新型电路图谱结构能够实现很好的功率因数矫正功能。

