随着电动汽车的快速发展,充电桩作为电动汽车产业的基础设施建设越来越受到中央和地方政府的重视,对充电桩电源模块的要求也越来越高,充电模块属于电源产品中的一大类,好比充电桩的“心脏”,不仅提供能源电力,还可对电路进行控制、转换,保证了供电电路的稳定性,模块的性能不仅直接影响充电桩整体性能,同样也关联着充电安全问题。同时,充电模块占整个充电桩整机成本的一半以上,也是充电桩的关键技术核心之一。因此,作为充电桩的设备生产厂家,面对激烈的市场竞争,避免在行业洗牌阶段被无情的淘汰出局的悲剧命运,必须掌握并自主研发生产性价比高的充电模块。

一、充电模块生产厂家
各主流充电机模块的型号、技术方案,技术参数和尺寸等相关参数如下表所示:

二、 充电模块的主流拓扑
1、前级PFC的拓扑方式:
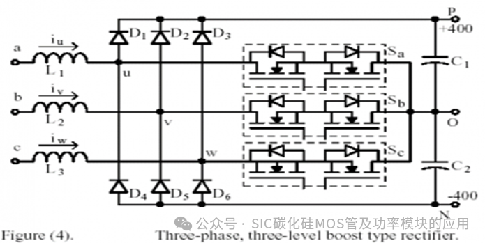
(1)三相三线制三电平VIENNA:





目前市场上充电模块主流的PFC拓扑方式如上图所示:三相三线制三电平VIENNA,英可瑞,英飞源,艾默生,麦格米特,盛弘,通合等均采用此拓扑结构。此拓扑方式每相可以等效为一个BOOST电路。











三、充电模块技术要求和特点及发展方向

四、自主研发方案
1、 初步方案:


2、控制板配置方案对比
方案1:DSP+ARM方案
方案2:DSP+ARM方案
方案对比:如下表

3、充电模块V2.0的主要任务

4、电源的发展方向和规划

文章来源:充换电公社
五. SiC MOSFET器件在充电模块中的应用及优势
随着新能源汽车从400V向800V跃迁,直流充电采用的是高电压大功率充电,电压从1000V向1400V演进,并开始采用SiC MOS模块,功率达到30-40KW。40KW充电模块要和30KW模块同尺寸,那就离不开设计的创新,高功率密度大于50W/in3(40kW)高功率密度带来了模块散热设计难度的提高,对可靠性要求更高,在电路设计,器件选型,风道设计,温度保护上的技术难度提升。那就需要更新的技术来满足,目前碳化硅产品的特性更耐高温,更高开关频率特性。
碳化硅器件作为第三代功率半导体,非常适合充电桩模块的应用工况。作为高压、高速、大电流器件,SiC器件是实现高功率密度的主要材料,它简化了直流桩充电模块电路结构,提高单元功率品级,功率密度显著提高,这为降低充电桩的系统成本铺平了门路。同时它具有耐高温、耐高压、大功率、损耗低和高可靠性等优点,可提高能量转换效率并减小产品体积。

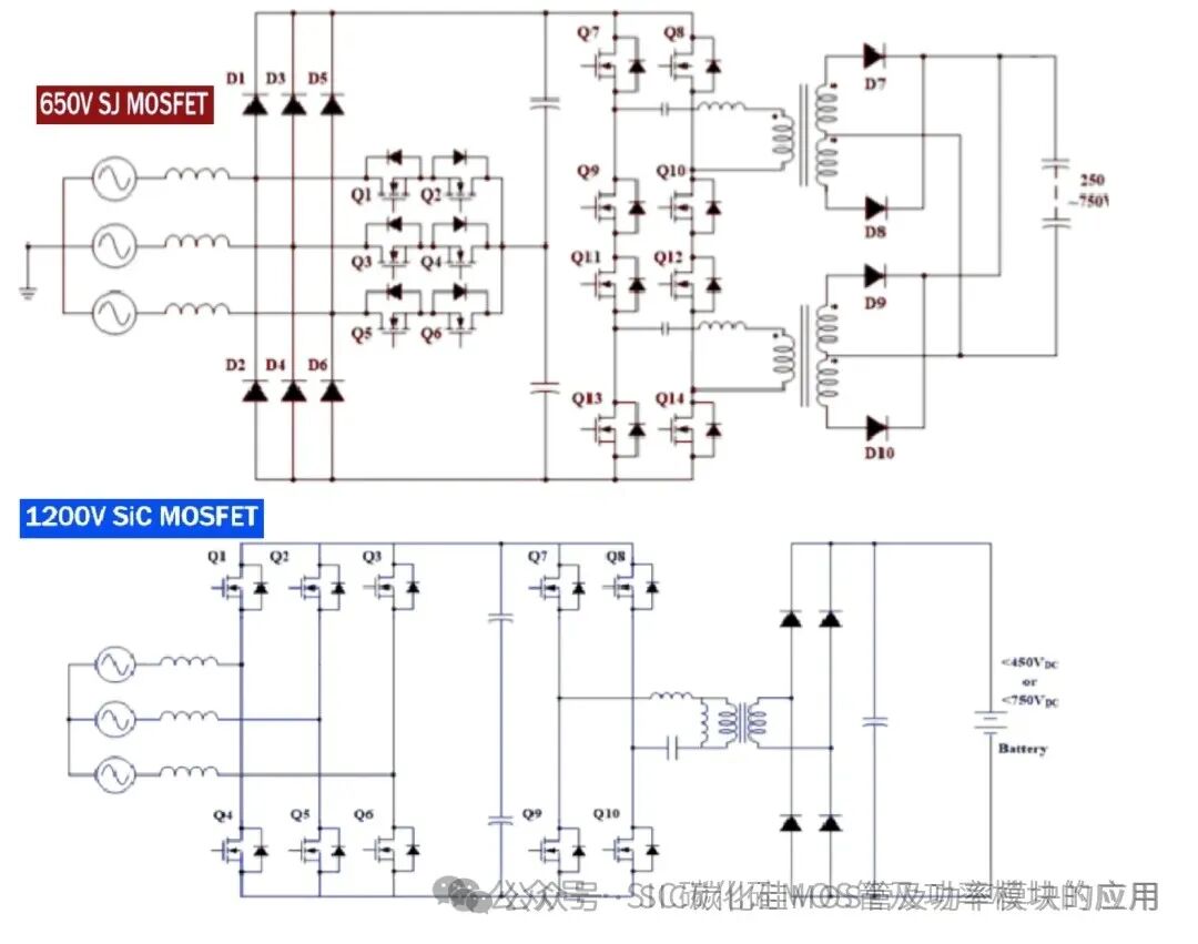
采用1200V SIC MOSFET设计带来的简化
目前常用的为SiC MOSFET,它的高压特性在1200V到1700V电压区间具有很大的优势,采用SiC MOSFET的DC/DC电路,可以从原来的三电平优化为两电平LLC,这样可以大大简化拓扑电路,减少元器件的数量,控制和驱动更加简单。同时,基于SiC MOSFET的高频特性,可以提高LLC电路的开关频率,从而减少磁性器件的尺寸和成本。
与传统硅基器件相比,碳化硅模块可以做到更高的耐压等级和更高的热导率,能够增强充电桩的稳定性,使直流充电桩(DCFC)能够以更高的频率运行,增加了充电桩近30%的输出功率,并且减少损耗高达50%左右。碳化硅功率半导体器件的进步,也为充电桩电能转换带来巨大进步和技术突破。

SiC 功率器件的应用能大幅提升充电模块的功率密度、延长使用寿命。充电模块的功率器件主要包括 MOSFET 和 IGBT 两种,各自适用于不同的电压范围,在充电模块方面 均有使用。相比于 Si 基器件,SIC MOS 具有更低的导通损耗、更低的开关损耗、更高的 开关频率等优良特性,并且可在高温、高压、干扰等恶劣的环境中高效工作,能够大幅提 升充电模块的功率密度、延长充电模块的使用寿命、降低运营商和桩企的运维成本。



随着SiC技术的日趋成熟和商业化应用,其独特的耐高温性能不断加速推动结温从150℃迈向175℃,甚至已出现了200℃的产品。借助于这种独特的高温特性和低开关损耗优势,成为未来的高温、高功率密度产品应用,如多电和全电飞机、移动储能充电站以及各种液体冷却受到严重限制的电力应用提供动力。在许多特种工业应用中,当液体冷却受到严重限制时,电控系统将面临同样的高温挑战。耐高温的电控技术是实现以上高温应用的关键,天赋异禀的实现技术是SiC功率器件的高温封装技术和与之相匹配的高温驱动电路技术。
目前,让汽车充电变得像加油站加油一样快是市场上的主流需求,充电桩向直流快充的发展,对功率器件提出了更高的要求。为了在800V高压下实现更高的效率,业界技术研究方向正转向SiC功率集成模块(PIM)。选择基于SiC的模块能降低总体布线要求,减小系统尺寸,并减轻重量。模块将多个功率器件集成在单个紧凑的封装中,简化了机械组装,优化了热管理,提高了可靠性,并减少了电压尖峰和高频EMI。使用SiC器件以更高频率运行,可以提高功率密度,提升效率,并减少需要管理的热量。此外,模块还针对使用极低热阻材料的热传递进行了优化。

总而言之,SiC功率集成模块正成为新能源充电行业的领跑者,让超充时代更快到来。

