新能源汽车现在基本上使用机械式直流继电器,主要有主继电器、预充继电器、直流充电继电器、交流充电继电器和高压附件继电器。

前面的文章介绍过,BDU中的继电器会有不少使用中的问题:比如熔焊、粘连等,而且在占用空间也比较大,下图可以看出继电器大概占了50%的BDU空间,那有没有取代继电器的集成方案呢?还真有,那就是固态继电器。

一、固态继电器
固态继电器(SSR)是采用没有机械触点的电子开关,比如:SiC、IGBT半导体器件实现电流通断,取代传统继电器的金属触点。
今天就介绍CYNTEC(乾坤科技)的两款固态继电器(SSR)产品,看看是怎样取代传统继电器的。

二、带预充控制功能的SSR模块
1、作用:
400V 600A SSR 模块:替代主接触器+预充接触器+预充电阻,负责车辆启动时高压回路的通断控制。

2、工作原理:
基于 “高功率半导体 + 智能控制” 实现无触点开关与预充控制,具体如下:
控制板:
输入 9-16V 控制信号,经隔离单元隔离后,由驱动单元放大为功率器件驱动信号;
驱动板:
核心开关单元采用高功率 SiC 开关,通过 PWM 控制策略实现高压电容预充,避免高压瞬间冲击;
安全保护:
集成电流传感器与控制单元,实时监测回路电流、温度,过流(阈值 1100A)时, 小于3μS 切断回路,兼具 “主开关 + 预充控制 + 故障保护” 功能。
3、3D尺寸和原理框

4、主要性能参数:

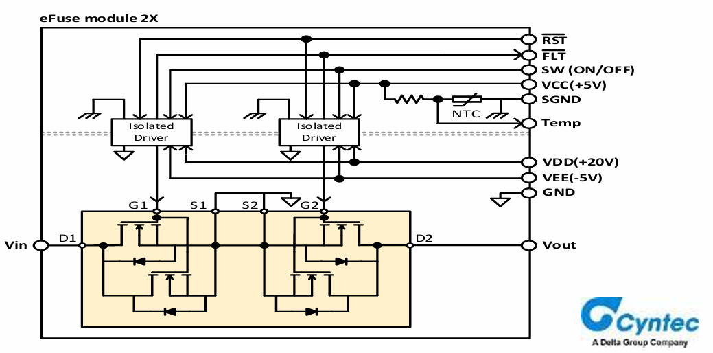
三、800V 100A 双向E-fuse模块
1、作用:
可直接替代高压系统中3 个以上的传统接触器,比如:快充、慢充、电气附件等。

2、工作原理
采用集成化设计,组成包括:
1、控制与驱动单元:
集成栅极驱动器(Gate Driver)、驱动板(Driver Board),实现低电压信号(9V-16V)驱动高压回路;
2、功率器件:
4 颗SiC(碳化硅)+ AMB(活性金属钎焊)封装的 SiC 开关模块,支撑双向电流流通与高压开断;
3、辅助组件:
汇流排(Bus Bar)、外壳、温度传感器(NTC),保障整体散热与状态监测。

2、原理框图:

3、性能参数表:

四、固态继电器优劣势分析:
1、优势:
固态继电器没有机械触点,噪音低、无触点熔焊、粘连问题;
小于3μ sec 短路切断时间,远远快于传统电路;
集成预充和保护能能,系统功能大为简化,部件占用空间也可减少50%以上。
2、劣势:
系统由于采用SiC,初期成本会较高;
SiC开断的高频信号,可能会引发电磁干扰问题;
部分器件的温升可能较高,需要增加液冷系统来散热。
特别感谢:CYNTEC(乾坤科技)提供的资料

