一共149篇文章
专题:第15期
-
使用碳化硅进行双向车载充电机OBC设计
电动汽车(EV)车载充电机(OBC)可以根据功率水平和功能采取多种形式,充电功率从电动机车等应用中的不到2 kW,到高端电动汽车中的22 kW不等。传统上,充电功率是单向的,但近年来,双向充电越来越受到关注。本文将重点关注双向OBC,并讨论碳化硅(SiC)在中功率(6.6 kW)和高功率(11 - 22kW)OBC中的优势。 为什么要转向采用双向OBC? 随着汽车世界朝着用更清洁的燃料替代品取代汽…... 碳化硅MOS+模块
- 62
- 0
-
Sic器件在高速永磁电机转速跟踪控制中的研究
摘 要:针对高速永磁同步电机(HSPMSM)的电感值小、基波频率高等特点,以及Si基IGBT开关速度和电压等级限制而引起的电机运行过程中定子电流谐波含量高、发热严重和响应延迟大的问题,研究SiC金属氧化物半导体场效应晶体管(MOSFET) 在HSPMSM转速跟踪控制中的应用。通过双脉冲测试电路分析了SiC和Si器件的开关特性,结果表明SiCMOSFET具有更快的开关速度和更低的开关损耗。基于S…... 碳化硅MOS+模块
- 20
- 0
-
碳化硅高速电机控制器设计及效能分析
碳化硅高速电机控制器设计及效能分析 以碳化硅(SiC) 器件为代表的宽禁带半导体器件,对比以绝缘栅双极型晶体管(IGBT) 为代表的硅基半导 体功率器件,有开关损耗低、开关速度快、器件耐压高等优势。尤其是对于超高速电机控制器的开发,降低控制 器损耗和减小电机相电流谐波成分是关键,故将SiC MOSFET 作为电机控制的功率半导体元件成为了提升控 制器效率、减小控制器体积、优化控制效果的重要方法。此…... 碳化硅MOS+模块
- 17
- 0
-
碳化硅(SiC)器件是钢铁缝纫术焊机必然选择
逆变焊机,MIG/MAG,全桥逆变电路,半桥逆变电路,推挽逆变电路,双管正激逆变电路,碳化硅(SiC)器件是焊机必然选择。... 碳化硅MOS+模块
- 41
- 0
-
分立器件并联的高功率密度碳化硅电机控制器设计
新能源车用的电机控制器通常通过大功率模块来完成,但大功率模块一般成本比较高,体积比较大,资源也有限。该文基于 SiC MOSFET 分立器件并联设计了一种高功率密度电机控制器,为了从电气和散热角度最大程度地提升材料和空间利用率,实现高功率密度以及分立器件的良好动静态均流,设计了一种新型的电子系统结构,并提出了一种能动态平衡并联 MOSFET 电流的高抗扰驱动电路以及可实现低寄生电感、大电流以及高散…... 碳化硅MOS+模块
- 35
- 0
-
T 型三电平与两电平功率开关器件损耗计算与分析
文章来源:微特电机 作者:祝琳,宋宣锋,李永岗,耿乙文(中国矿业大学 电气与动力工程学院,徐州 221008) 摘 要:研究两种逆变器拓扑的功率开关器件损耗,通过器件特征参数,建立一种同时考虑工作电压、驱动电阻和结温的简单曲线拟合方法,推导出三次谐波注入调制算法下T型三电平和两电平拓扑的损耗计算模型,发现损耗与调制系数、开关频率、功率因数角、输出电流有关。 在相同逆变工作条件下,当开关频率大于 6…... 国产碳化硅器件
- 136
- 0
-
车载逆变电源开关器件损耗计算方法研究
文章来源:船电技术 作者:石运卓,席嚇,单宝钰(中车大连电力牵引研发中心有限公司,辽宁大连 116022) 摘要:损耗计算是影响开关器件使用寿命的重要因素,也是车载逆变电源设计开发过程的重要环节。本 文对传统的理论计算方法和试验计算方法进行梳理分析,提出了一种基于电力电子仿真的损耗计算方法。 以开关器件为 IGBT 的三相逆变拓扑为例进行损耗计算,并通过与上述两种计算方法进行比较,得出该方法 在简…... 国产碳化硅器件
- 47
- 0
-
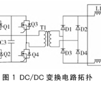
DC-DC变换电路中开关器件损耗计算及仿真
文章来源:电工技术作者:宋素静1,王步根2(1.通达电磁能股份有限公司,湖南 长沙 410006;2.湖南湘电动力股份有限公司,湖南 湘潭 411100) 摘 要:根据开关器件的物理模型,分析并计算了开关器件在DC/DC变换电路 中的功率损耗。针对工程应用中开关器件损耗计算的实时性和精确性要求,利用功率开关器件手册提供的产品参数,分别计算了逆变部分的 SiC MOSFET模块和整流部分的整流二极管…... 国产碳化硅器件
- 37
- 0
-
新能源汽车功率器件损耗特性和效率分析
文章来源:北京汽车 作者:陈明文,张浩,王亮(比亚迪汽车工业有限公司,广东深圳 518118) 摘要:面对新能源汽车的续驶里程焦虑,优化电控系统效率是有效解决方案之一。作为电控系统的核心部件,功率器件的损耗计算和优化设计对提升电控系统效率具有重要意义。首先对两种主流功率器件Si IGBT 和SiC MOSFET 的结构和材料性能进行分析,然后针对各自工作特性,给出对应的损耗计算方法;同时选取典型工…... 国产碳化硅器件
- 33
- 0
-
车载充电机OBC和直流变换器DC-DC中SiC MOSFET驱动选型及供电设计要点
文章来源:德州仪器(TI) 摘要:新能源汽车动力域高压化、小型化、轻型化是大势所趋。更高的电池电压如 800V 系统要求功率器件具有更高的耐压小型化要求功率拓扑具有更高的开关频率。碳化硅(SiC)作为第三代半导体代表,具有高频率、高效率、小体积等优点,更适合车载充电机 OBC、直流变换器 DC/DC、电机控制器等应用场景高频驱动和高压化的技术发展趋势。本文主要针对 SiC MOSFET 的应用特点…... 国产碳化硅器件
- 33
- 0
-
高环境温度高功率密度SiC电机驱动控制器设计与实现
文章来源:电工技术学报 作者:郑丹; 温旭辉;范涛; 宁圃奇 ;张 栋(高密度电磁动力与系统重点实验室(中国科学院) 中国科学院电工研究所 北京 100190) 摘要: 碳化硅(SiC)作为世界公认的替代硅(Si)的下一代半导体材料,具有耐压高、开关速度快、开关损耗小的优势,是实现车用电机控制器功率密度提升的关键要素。该文面向SiC电机驱动控制器更高工作温度、更高功率密度、更高可靠性运行的前瞻需求…... 国产碳化硅器件
- 21
- 0
-
碳化硅器件的短路保护:设计准则和电路
文章来源:中国电机工程学报 作者:党子越,彭晗*,彭皓,康勇(强电磁工程与新技术国家重点实验室(华中科技大学电气与电子工程学院),湖北省武汉市 430074) 摘要:为了保障碳化硅(silicon carbide,SiC)在发生短路故障时可安全可靠的关断,需在掌握其短路特性基本规律的前提下,针对SiC 短路耐受时间较短、短路下器件漏源极电压拐点不明显等特征,展开去饱和保护电路(desaturat…... 国产碳化硅器件
- 37
- 0


























