一共61篇文章
专题:第8期
-
资料下载|轴向磁通永磁无刷电机
以下两份文档均聚焦于轴向磁通永磁(AFPM)无刷电机领域,内容专业且系统,可满足该领域学习、研究与工程设计的需求,具体内容如下: 文档 1 该文档是轴向磁通永磁无刷电机领域的综合性专业资料,内容覆盖该类电机从基础理论到实际应用的全链条知识,结构清晰且实用性强,核心内容包括: 1. 基础引入(引言章节) 明确文档研究范围(仅聚焦盘式转子结构的 AFPM 电机,不含横向磁通等其他拓扑),对比 AFPM…... 兔兔萝卜
- 82
- 0
-
资料下载|电动汽车整车动力参数匹配设计计算小工具
1、电动汽车整车动力参数匹配设计计算,电动汽车整车参数,新能源汽车电机设计工具外特性曲线,电机外特性曲线绘制,集成matlab界面小程序。内容:已知电动汽车整车参数,求解电机主要工作点,并绘制外特性曲线。电动汽车动力系统匹配计算模型:输入整车参数及性能要求,一键生成驱动系统的扭矩功率峰值转速等参数。2、整车动力经济性计算模型:包含NEDC/WLTC/CLTC工况,输入整车参数可生成工况电耗、百公里…... 兔兔萝卜
- 153
- 1
-
资料下载|旋转变压器软件解码simulink仿真
附件提供了旋转变压器软件解码的simulink仿真资源,主要包含电机角度和速度的测量方法。通过这个资源,您可以深入了解旋转变压器的工作原理和软件解码技术,并在simulink环境中进行仿真实验。以下是资源文件的简要说明:● 标题:旋转变压器软件解码simulink仿真● 描述:旋转变压器软件解码,simulink仿真 电机角度和速度测量该资源适用于电气工程及相关专业的学者和技术人员,尤其适合对旋转…... 电车小子
- 90
- 1
-
资料下载|Aurix TC3xx功能安全应用规范
**第一章 AURIX™ TC3xx功能安全概述****1.1 关于本文档**本文档旨在为不熟悉AURIX™ TC3xx微控制器单元(MCU)在功能安全领域应用的用户提供一套初步指南,涵盖汽车、工业等领域的功能安全标准需求。**1.2 目标受众**目标受众包括评估AURIX™ TC3xx MCU的功能安全工程师和应用工程师,特别是那些对功能安全(FUSA)应用感…... 电车小子
- 116
- 0
-
资料下载|采用死区补偿算法的PMSM双闭环矢量控制仿真
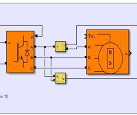
采用死区补偿算法的PMSM双闭环矢量控制仿真 参考文献:《基于死区补偿的永磁同步电动机矢量控制系统研究王文韬》 《矢量控制电动执行器死区补偿新方法张冀》《一种新颖的电压源逆变器自适应死区补偿策略_周华伟》 模型 模型 文档... 兔兔萝卜
- 213
- 1
-
异步起动永磁同步电动机的设计概述
自起动永磁同步电动机的起动过程 异步起动永磁同步电动机跟普通感应电动机一样,起动中同样要最小转矩倍数、起动电流倍数、起 动转矩倍数。同时,电机牵入同步能力要足够大。转子上装有永磁体的永磁同步电动机起动过程与感应 电动机相比过程更复杂;起动中包括平均转矩和脉动转矩,且这些转矩的幅值均随电动机转速的改变而 变化。 自起动永磁同步电动机可看成将永磁磁极放在鼠笼式感应电动机的转子中。永磁体提供磁通代替电 …... user1062
- 72
- 0
-
软件更新 | 从数据到模型,全面升级!TSMaster新版助力汽车研发新突破
欢迎阅读2025年5月版TSMaster软件软件汇总文档!在本月更新中,我们为用户带来了实车采集模式、MBD模型框图功能和新API释放,旨在进一步提升软件的性能、灵活性与用户体验。接下来,我们将为您详细介绍本次更新的亮点内容,帮助您快速了解和掌握新功能,充分利用TSMaster提升工作效率。 设计 【模型框图】 →【设计】-【模型框图】 更新功能:TSMaster模型框图模块是TOSUN…... 同星智能
- 90
- 1
-
资料下载|电动汽车电机诊断培训资料与电机控制器标定开发
包含电驱控制技术、过调制、零位标定、MTPA、MTPL、驾驶性控制、扭矩矢量控制、主动加热、脉冲加热、转子温度估算、功能安全诊断、谐波控制、降噪控制、800V高压系统,该资料为培训教程,总共391页,不包含培训视频。 1. 电驱及控制系统概述 2. 现代电驱控制技术 3. 现代电驱控制技术的实际应用 4. 驾驶性控制 5. 电驱扭矩矢量控制 6. 热管理 7. 噪音控制 8. 电驱系统诊断开发 9…... 电车小子
- 454
- 0
-
资料下载|PMSM永磁同步电机参数辨识仿真
PMSM永磁同步电机参数辨识仿真,适用于表贴式,内嵌式永磁同步电机:辨识内容:① 定子电阻;② DQ电感辨识(脉冲电压法);③ 转子磁链辨识;上述算法,是在实践工程中提炼出的算法,无复杂的矩阵计算,无复杂的滤波算法。带文档说明!!!... 电车小子
- 345
- 1
-
永磁同步电机分类及主要参数
一、永磁同步电机的分类 按结构分类:a. 表面式永磁同步电机:永磁体安装在电机定子表面,磁通主要通过气隙进入转子。b. 内置式永磁同步电机:永磁体安装在电机转子内部,磁通通过转子铁芯进入气隙。 按冷却方式分类:a. 自然冷却式:依靠电机自身散热。b. 风冷式:通过风扇强制对流散热。c. 水冷式:通过循环水散热。d. 油冷式:通过循环油散热。 按控制方式分类:a. 恒压频比控制:保持电机电压与频率成…... user732
- 446
- 1
-
资料下载|基于查表法的永磁同步电机MTPA/MTPV控制仿真模型
基于查表法的永磁同步电机MTPA/MTPV控制仿真模型,电动汽车用永磁同步电机PMSM控制资料,波形很好,跟踪稳定。 模型全览 波形稳定 模型文件 电机控制学习文档 一如既往的很干,带好水杯下载食用!... 电车小子
- 414
- 0
-
DeepSeek回答如何成为一名优秀的电动汽车电驱工程师
我们想成为一名优秀的电动汽车电驱工程师,看看人工智能是怎么要求的? 要成为一名优秀的电动汽车电驱工程师,需要掌握多学科知识、技术技能以及对行业趋势的敏锐洞察。以下是结合技术要求和人工智能相关领域的发展方向给出的建议: 1. 核心专业知识 电机原理与设计 精通永磁同步电机(PMSM)、感应电机(IM)等主流电机的结构、控制原理及性能优化。 熟悉电机电磁场分析、热管理、NVH(噪声振动)优化。 了解新…... EVCar
- 400
- 1



























