文章来源:华侨大学
作者:戴家庆
摘要:碳化硅作为一种宽禁带半导体材料,比传统的硅基器件具有更优越的性能。碳化硅SiC MOSFET作为一种新型宽禁带半导体器件,具有导通电阻低,开关损耗小的特点,可降低器件损耗,提升系统效率,更适合应用于高频电路。碳化硅SiC MOSFET这些优良特性,需要通过模块封装以及驱动电路系统,才能得到完美展现。为此,本文针对碳化硅SiC MOSFE的封装技术以及驱动设计进行进行研究与探索,本文完成的主要工作可以概括如下:
首先,介绍SiC MOSFET的基本结构和工作原理,同时对影响SiC MOSFET 静态和动态性能的关键参数进行分析,并介绍了SiC MOSFET模块封装所要用到的材料特性。
其次,以1200V840A SiC MOSFET模块为例介绍了碳化硅MOSFET模块封 装关键技术。完成了适用于碳化硅芯片的DBC设计和SiC MOSFET模块芯片布局以及模块杂散电感的提取。并对模块的芯片以及键合线的发热情况进行热仿真分析。对封装设计出来的模块进行制造并完成对SiC MOSFET模块的动静态测试。
然后,介绍了SiC MOSFET模块开关过程,分析了新型SiC MOSFET模块 驱动电路的设计以及驱动要求,对SiC MOSFE模块的桥臂串扰问题进行分析,提出一种能够抑制桥臂电路串扰问题的驱动方案,根据驱动方案完成了驱动电 路的硬件设计。
最后,完成了SiC MOSFET的模块封装以及驱动设计,并在驱动实验所测 试的结果进行验证,证明了SiC MOSFET的模块封装方案以及驱动设计的可行性。
关键词:SiC MOSFET封装技术驱动设计桥臂串扰
第1章绪论
1.1 引言
在当代社会,半导体材料与器件的发展已经成为推动各种革命性变革和创新的一支强大驱动力。随着硅材料及其流片工艺的日益成熟,硅材料器件的性能逐渐接近其理论极限,继续进行硅材料器件原理的创新、结构的改善和制造 工艺的进步,已没有太大的空间。与此同时,高功率密度应用中的高开关速度、 高工作温度、宽禁带、高耐压极限等特性要求,使得硅材料器件逐渐失去优势。寻找性能优异的新型半导体材料成为功率半导体领域的技术热点和发展方向。
早在20世纪90年代后期,碳化硅和氮化镓等宽禁带新型半导体材料的发展就引起了功率半导体领域的注意。研究结果表明,碳化硅器件理论工作温度可达600℃,远超硅材料的200-250℃。此外,作为宽禁带典型材料的碳化硅, 还具有耐压高、载流子迁移率高、热导率高等优点。在阻断电压10kV的条件下,碳化硅器件的理论工作频率可以高达100kHz。宽禁带材料的商业化将为 功率半导体领域带来深远的变革。
高性能功率器件的实现将不仅会节约大量能量,还可以节约化石燃料,减小环境污染。目前,Si是最常用的功率器件用半导体材料,在经过了功率 MOSFET和IGBT的开发,Si功率开器件的性能得到了显著提升,Si基的LSI 技术和先进的仿真技术在近几十年来的发展对Si功率器件产生了巨大的影响。然而,目前Si功率器件技术已经相对成熟,基于该技术已经不容易实现创新型突破。碳化硅是一个古老而有新兴的半导体材料,由于其具有的优异物理性能,它在先进功率器件中具有巨大潜力。同样,SiC器件也在高温和抗辐照作业方面具有很好前景。氮化镓也是一个很具吸引力的功率器件材料,其本征的潜力非常接近于SiC的,因为它们有着几乎相同的禁带宽度和临界电场强度。然而目 前,SiC的生长和器件制造技术更先进,SiC功率器件也有着更好的性能和可靠 性表现。基于在Si上异质外延生长的的Ga N上制造的Ga N基横向开关在较低电压应用上展现出一些令人满意的前景。然后由于SiC具有的间接能带结构, 使得其本征地拥有长载流子寿命,因而SiC在高压双极性器件应用具有天然优势。
1.2 课题研究背景及意义
为解决当今全球面临的能源危机、环境污染等问题,各国政府均大力开发新型绿色能源的相关技术,中高功率等级的功率器件作为电力变换、电力推动、 自动控制等多个领域的主要器件,在当下的能源变革中发挥着越来越重要的作 用。由于电力传输的易实现、低成本和低污染等优点,现有新型能源的主要能 源传输形式主要是电力。无论是太阳能、风能、潮汐能等新型能源方式,还是 超高压直流输电等新型输电方式,或者是电动汽车、高速铁路、电力推进等用 电系统,都是功率器件的用武之地。
能源结构升级、环境保护和生产力的提高,使得风力发电、电动汽车、电力推进等新型应用对以功率器件为核心的变流器效率提出来越来越高的要求。要求工作频率越来越高、工作温度越来越高、而体积质量越来越小,而碳化硅器件就成为了首选。
碳化硅SiC是目前发展最为成熟的宽禁带半导体材料,碳化硅技术在新一代绿色能源互联网上的应用可以显著提高输运电压等级,降低 功耗,提高效率,减小所使用器件的数量和散热器体积,提高电网运行可靠性等。近年来随着智能电网、电动汽车、高速铁路、家电产品、工业控制和风力发电等领域的快速发展,高压大功率器件每年约大于五十亿元的市场需求。但不容回避的是,一方面我们功率器件需求量巨大,另一方面都是靠国外进口, 对于供不应求的市场,国外公司不管是在价格上,还是在交货交期上都有一定的决定权,这就给我国电力电子行业的功率器件需求上造成一定的风险。因此 碳化硅功率模块的发展,必将大力促进我国智能电网、电动汽车、轨道交通、 新能源发电、工业控制以及节能家电产品产业的大力发展。国家电网对柔性直流输电系统的研究和需求,为SiC模块在电网领域的应用打开了大门。对于柔 性直流输电系统,其关键技术主要为SiC模块串联技术、模块化多电平技术以及系统运行控制保护技术。
柔性直流输电也是属于直流输电技术,不同之处在于是采用电压源换流器的方式。相比其他的输电方式,有经济、环保等优势,因为输电线路都是通过地下电缆才传输,不会影响到地面上的环境。换流器之所以可以向无源网络供电,是由于直流电压在换流阀的PWM控制开关下得到交流侧输出电压。大功率场合 的主要全控器件。目前单个MOSFET功率开关管耐压有限,在高电压大功率直 流输电情况下,换流器的桥臂通常需要由多个MOSFET相串并联以提高换流器容量和系统的电压等级。
具有较高击穿电压的Si功率器件在单位面积上具有很高的导通电阻,它大约增加了击穿电压的2到2.5倍。IGBT绝缘栅双极晶体管主要用于击穿电压为600V的设备中或更高。与MOSFET相比,IGBT的导通电阻更低区域,称为电导率调制的现象。这些少数载流子产生拖尾电流,当晶体管关闭时,会导致很大的开关损耗。SiC器件不需要电导率调制即可实现低导通电阻,因为它们的漂移层电阻比硅器件低。MOSFET原则上不产生拖尾电流。结果是SiC MOSFET 的开关损耗比IGBT低得多,从而可以实现更高的开关频率,能实现较小的无源 设备,较小且较便宜的冷却系统。与600V-900V硅MOSFET相比,SiC MOSFET的芯片面积更小,可安装在紧凑的封装中;恢复损耗极低体二极管的特性。
图1.1表述了Si和SiC在不同电压等级时如何选择使用IGBT还是MOSFET,由于这些原因,SiC MOSFET越来越多地用于电源工业设备和高效功率调节器的逆变 器/转换器。

1.3 课题研究发展现状与趋势
1.3.1 碳化硅模块封装技术发展现状与趋势
模块封装是连接半导体器件芯片与整机的桥梁,碳化硅模块的封装技术无论对上游还是下游产业都具有巨大的影响作用,将促进功率半导体器件产业的发展。对于上游产业有半导体芯片业、单晶硅生产企业、塑封料等化工原材料, 引线框架等金属原材料等相关行业受到影响;对于下游产业有智能电网、电动 汽车、高速铁路、家电产品、工业控制和风力发电等相关产业受到影响。
从封装形式上看,工业上广泛使用的半桥封装模块,正在向新的经济封装型封装方向发展。在600V-1200V,600A以下功率段,两单元的模块正在被六、 七单元(PIM)模块和装有驱动电路的智能(IPM)模块所代替。
焊接式碳化硅模块是采用焊接结构,实现碳化硅芯片并联,完成一体化模块式封装,焊接式模块是由底板、外壳、碳化硅芯片、DBC、顶盖等组件一体化封装而成的开关型模块。在模块使用中,通过给模块的控制电极输入控制信 号,控制模块的开通与关断,从而实现功率变换。
压接式SiC MOSFET模块是将碳化硅SiC芯片焊接在钼片基板上,芯片通过弹簧结构连接到顶部电极端子,形成一个功能单元,数个功能单元形成一个子模块,数个子模块组装在一起,形成压接式碳化硅模块。可以通过增减子模块的数量来实现电流电压的设计需求。压接式碳化硅模块主要是压接端子让芯 片连接到模块功率端子,功率端子是经过特殊设计的,具有低电感集流铜排的 功能。压接式碳化硅模块里面的芯片上有金属层,这金属层结构可以在模块失 效下继续工作,而且还具有电磁屏蔽的作用。压接式模块的特殊设计工艺使得压接式碳化硅模块可以在电力电子领域得到应用。压接式模块内部无需键合, 通过直接压接连接。除了可以防止局部放电外,这种结构可以简化组装。

图1.2(a)为压接式模块图,主要由几个子模块组成,使它的灵活性大大增加,可以通过选择合适数量的子模块来达到新的电流电压等级。压接式模块每个芯片都通过独立的弹簧连接,弹簧将刚性接触压力传输给SiC MOSFET芯片,严格的机械误差分布在接触点可以保证非常均匀的压力分配,使得模块可以承担非常高的压力加载,同时,独立的弹簧减震结构可以缓解外力对芯片的影响,对芯片起到了很好的保护作用。采用压接式封装的碳化硅模块,具有优良的电气和热循环性能,输出功率大,且模块的整体重量减轻,大幅度的减少使用分立元件,节省成本,且模块便于移动,组装方便,使得其应用范围更为广泛。
与焊接式模块相比较,压接式模块温度不管是在温度循环能力还是杂散电感上都得到了进一步的提升。相比下热阻降低了,这得益于芯片—钼片基板—铜底 板之间的直接热传导,模块芯片温度的降低可以提高模块的功率密度,使模块更小型化。而低杂散电感,可以提高模块的抗干扰能力,间接提高了直流母线 电压,可以最大限度避免模块在开关过程出现过电压的情况。从封装工艺上看, 经过这么多年的时间发展,国外先进国家的模块生产工艺水平都处在一个较高的水平上,大都采用功率芯片“真空+气体保护”干式焊接工艺、超声波粗铝丝 键合连接技术、热压铜复合陶瓷基板“DCB”技术和硅凝胶密封保护技术。检测技术则采用带有计算机分析和管理功能的自动测试设备和超声波扫描显微成像检测系统,都在公司内部建立了可靠性实验室,以保证大批量、高质量地生产包括碳化硅模块在内的各种功率半导体模块。
如何充分发挥碳化硅器件的这些优势性能则给封装技术带来了新的挑战, 针对这个问题,国内外学者研究开发了一系列新的封装结构,用于提升模块性 能。主要有以下几种技术:
(1)单管翻转贴片封装:阿肯色大学团队根据BGA的封装技术,提出了一种单管的翻转贴片封装,主要是将芯片背面电极通过金属连接件翻转到和芯片正面电极同一平面,然后在各自电极上焊上锡固定,这种方式可以不使用键合线和功率端子。相比TO-27封装,该封装的体积可以减小了14倍,而且导通电阻减小了24%。
(2)DBC+PCB混合封装:CPES、华中科技大学等将DBC工艺和PCB 板相结合,在芯片上通过键合线的连接方式引到PCB板上,这样可以直接在PCB层间实现控制换流回路,通过减小模块电流回路大小来减小杂散电感参数。
(3)双面散热技术:双面封装工艺在模块芯片上下表面都焊接上DBC板, 这样芯片上下面都可以散热,也可以使用银烧结技术将芯片一面焊接DBC,另 一面连接铝片。双面封装不仅可以改善板子边缘场强大,还可以降低EMI,桥臂中点的对地寄生电容也相应变小。目前双面散热技术的模块主要应用在新能源电动车内部的模块。
(4)三维(3D)封装技术:三维封装技术将SiC模块的上桥臂直接叠加在下桥臂上,SiC模块的结构是垂直型的,上下叠加后可以减小桥臂中点的连接线, 该封装技术最大的优势是可以将模块寄生电感降至1nH以下。
(5)高温封装技术:SiC模块由于具有在高温下运行的性能,在封装工艺上也可以采取高温封装,例如银烧结技术,高熔点、高热导率的优势,这是目前常用的焊锡工艺所不具备的。但是高温封装技术还需要陶瓷基板和金属底板 等相应套件也要有高温的可靠性。
1.3.2 SiC MOSFET驱动应用研究现状与趋势

图1.3所示为一个通用电能处理系统的框图,该系统为两个端口间提供了一 个连接。通常情况下,功率处理器由三个基本部分构成:与端口1相连的电子变化器、与端口2相连的电子变化器以及两个变化器之间的储能元件。变换器可能包含一个或多个功率半导体器件和与之相伴的诸如电阻、电感、电容等无源元件。
Si技术已经成熟并且其材料特性参数接近于其物理极限,SiC尚处于青春期并且快速成长中。SiC器件开始逐步应用于整流电流中晶体管的钳位二极管、 逆变器中的功率开关器件。功率器件中电流增益通常较小,要使SiC MOSFET工作时漏极电流达到100A时,需要有一个相当大的驱动电流。如此大的驱动电流不能用集成电路实现,这是一方面搭建大的驱动电路成本高,另一方面也容易产生可靠性问题。SiC MOSFET 模块需要用比较高的栅极驱动电压控制,其典型值15~22V,可以用集成电路实现。驱动电路可以在SiC MOSFET开关时控制它的dI/dt和dV/dt,SiC MOSFET的故障防护能力也取决于所使用的控制电路。

一个简单的SiC MOSFET的驱动电路如图1.4所示。在这个电路中,SiC MOSFET开启的速率决定了导通时的dI/dt值,这个值可以由电阻Rs控制。SiC MOSFET的关断由电阻RGS控制,这个电阻被用来释放SiC MOSFET栅输入电容中储存的电荷。
驱动电路主要由电源电路、隔离电路、功率放大电路、保护电路等组成。保护电路中通常有欠压保护电路、过流保护和短路保护电路等。常用的隔离方式是光耦隔离,但不适用于高压和高速型的应用场合。文献设计了带变压器隔离的驱动电路,很明显可以看到电路图难度更大。之所以要在SiC MOSFET驱动电路中设计短路保护电路,是为了防止器件出现短路后可以保护器件以及整个系统的安全。文献表明Si IGBT的短路时间可以达到10us左右, 但是SiC MOSFET的短路时间要短很多。文献通过实验验证要在3us内对 SiC MOSFET进行短路保护,在设计短路保护的时候要尽量在较短的时间能起到保护作用。文献通过对比不同电压可以承受的短路时间发现电压越高,时间越短。文献通过对比不同厂商生产的模块短路时间发现CREE公司的 1200V/300A模块在800V短路测试条件下的短路时间为1.9us,但是ROHM公司的1200V/180A模块却可以达到7.2us。
虽然不通过厂商的SiC MOSFET短路时间不一样,但在驱动电路设计中的要求在尽可能短的时间能得到保护。SiC MOSFET的芯片面积通常比较小,所以单位面积通过的电流大,所以短路时间比较小。综合所述,短路保护时间要控制在2 us之内。短路保护方案有下列几种:
(1)电感电流检测:通过测试SiC MOSFET的电流Id来反映SiC MOSFET 是否处于短路状态。电流Id的大小直接采用RC无源积分的方式,在源极串联 电感。这种方式电路简单,而且避免了设置死区时间,不需要观测SiC MOSFET的输出特性。
(2)基于罗氏线圈的电流检测和保护:同样是检测电流,不同是采用罗氏线圈的测量原理,跟电感电流检测一样不需要设置死区时间,但是会受到开关频 率的影响。同时在电路中要增加线圈以及所需的信号处理电路,在电路的设计 上会增加难度。
(3)检测导通漏源极电压Vds:目前应用比较多的检测手段,因为此方法 最开始是在IGBT模块中使用,也叫去饱和检测,把该手段移植到SiC MOSFET 上面基本是行得通的。虽然SiC MOSFET的输出特性曲线的去饱和现象不那么明显,但是在过流、短路时同样需要较短的时间来保护,目前大量应用在单管 和桥臂模块。
(4)附加源极:该检测手段只在三菱公司的FMF800DX-24A SiC MOSFET模块出现过,测试原理是将电流检测源极端子在模块上,把驱动上面的电路转 嫁到模块中的方法,实际跟检测电流的方式一样,但是这种方法必须要在模块 设计前就把这部分功能加进去,目前还是比较少见。
1.4论文章节安排
本文主要研究碳化硅功率器件封装技术及驱动设计,可分为碳化硅MOSFET器件的性能特性分析、碳化硅MOSFET器件的封装技术以及驱动开发。
内容安排为以下几个部分:
第一章介绍本文的研究背景和研究意义,分析了碳化硅功率器件的特点和发展现状,以及目前碳化硅功率器件的封装技术,然后介绍SiC MOSFET的驱动电路设计现状。
第二章介绍了SiC MOSFET的基本结构和工作原理,然后解释了SiC MOSFET动静态电气参数,介绍了SiC MOSFET封装流程和封装设计要求以及 对SiC MOSFET模块主要材料的热特性进行了分析。
第三章以1200V840A SiC MOSFET模块为例介绍了碳化硅MOSFET模块封 装关键技术。重点完成了DBC设计、SiC MOSFET模块的芯片布局以及模块杂散电感的提取方法以及对模块上芯片以及键合线的发热情况进行热仿真分析。对模块完成动静态特性测试。
第四章对SiC MOSFET驱动电路进行硬件设计。利用主动米勒钳位电路,抑制了桥臂串扰问题,并给出驱动电源的选择、隔离方式的选择以及驱动芯片 的选择等驱动方案设计。
第五章在封装SiC MOSFET模块的基础上对驱动电路进行实验,搭建了实验平台完成对驱动板的测试并进行了实验验证。
第2章 SiC MOSFET模块的封装结构
2.1 引言
随着对高频,大功率和高功率的需求不断增长,Si功率器件现在面临材料特性限制。碳化硅(SiC)功率器件具有宽禁带,更高的导热率和更大的临界值电场可使SiC器件在更高的温度下运行温度,更高的电流密度和更高的阻断 电压。在转换器/逆变器,模块需要连接到散热器,使用强制空气或液体冷却的水槽或冷板。对于良好的热传递热界面材料,如通常在它们之间涂抹导热油脂。一般来说,同时满足设计的电气,热力和机械功能,这些封装要求将对功率半导体的运行带来寄生效应,此外,它们限制了对SiC MOSFET属性的充分利用, 进而限制了SiC MOSSFET模块电力电子产品的成本,效率和密度。这些寄生效应可以是具有一系列技术指标,例如热量阻抗(电阻和电容),电阻抗(电阻和电感),热机械性能(功率,热循环次数和振动强度)。SiC模块封装中的挑 战来自于SiC器件的独特特性,本章将深入分析SiC MOSFET的特性和参数。
2.2主要电参数
本节将着重介绍SiC MOSFET模块的电气特性,具体分析SiC MOSFET模块的静态特性。下面对SiC MOSFET模块主要电参数进行解释说明。
2.2.1.漏源击穿电压BVDS
漏源击穿电压BVDS定义为栅源极短路时,漏源两极之间的最大阻断电压,无论是动态电压还是静态电压,工作电压不能超过此值,否则SiC MOSFET模块会因过压而失效。SiC MOSFET模块阻断能力通常决定了它的电压等级, 1200V的SiC MOSFET模块,其阻断电压也为1200V。当漏极被偏置至正向电 压,SiC MOSFET模块的漂移区承受一个很高的电压,SiC功率器件的击穿电压可以高于5000V。SiC MOSFET只需要很薄的漂移区厚度就可以承受高耐压,这利于减小器件的导通压降和积累电荷。不同于Si器件,SiC器件各层次的掺杂是均匀分布的。相对于Si器件,由于具有非常高的临界电场强度,SiC器件的雪崩击穿电压要远大于Si器件,在Si器件中,载流子寿命依赖于掺杂浓度。SiC器件可以更广泛应用在大功率场合。



SiC的击穿场强是Si的10倍,一个主要不同是Si器件的PN结正向导通电压降为0.7V,而SiC器件的PN结正向导通电压降增加到3V。导通电阻还会受 温度的变化而变化,不同于Si器件,SiC MOSFET从负温度开始先是负相关然后呈正相关,在实际应用时应加以考虑。
2.2.5跨导
在电力电子电路应用中,跨导gm是一个十分重要的参数。在漏源电压UDS 一定时,漏极输出电流ID的变化量和输入电压,即栅源电压变化量之比称为跨
导,即:

跨导的作用是判定SiC MOSFET栅源电压UGS对漏极电流ID的控制能力, 也是判定SiC MOSFET放大作用的重要参数之一。
2.3 SiC MOSFET模块封装结构
目前针对不同功率和电压的需求开发了各种各样的设计技术。当功率较低时,常用到的模块主要是功率模块和智能功率模块,也有部分分立器件。功率模块就是在分立半导体器件基础上发展,然而在大功率,散热更好,对可靠性要求较高时,需要一种新的封装方法,即功率模块,也称为“砖”。通常是 把一个或多个电力电子器件封装在一起。电力电子器件生产出来,其内部就存在机械、电气和热之间的互相作用,这意味着电力电子器件内部结构并不是表 面看起来那么简单,而且其内部结构对整个系统的技术特性和可靠性是非常重 要的。

一个标准的功率器件的模块封装结构如图2.2所示,对SiC MOSFET模块来讲,从基板开始向上,基板焊层、DBC衬底、芯片焊层、芯片、键合线、辅助接线端子、硅胶、塑料外壳等构成一个模块。功率模块的电气性能、热条件决定其内部结构。而设计的核心是SiC MOSFET芯片,这也是电流变换和阻断电压的关键。采用功率模块一方面可以延长使用寿命,这是由于硅胶保护芯片不 被外部环境污染;另一方面增加了散热功能,基板直接安装在散热器上,可以 大幅度提升散热能力。模块的封装技术因其体积小、结构紧凑、互换性好等优点在电力电子行业受到重视。SiC功率模块拥有的先进技术,应用在搭建的系统或使用中都有明显的优势。
SiC MOSFET模块封装具体流程及封装要求如下:
(1)选用高性能的SiC MOSFET芯片。芯片具有通态电压低,功率损耗小,开通和关断速度快,工作频率高等特点。
(2)通过理论计算和电路分析,研究SiC MOSFET芯片之间的电参数匹配 关系,使SiC MOSFE模块工作于最佳效率。
(3)根据产品的电流电压容量的要求,设计确定合适的DBC基板材料和 图案设计。DBC基板的陶瓷材料分为Al2O3、AlN、Be O三种材料,因为他们的参数特性不同,电流电压容量不同,决定了DBC基板陶瓷材料的选用不同;模块的电压容量不同,DBC图形的设计也不完全相同,这就需要根据模块的电压,设计适合的图形,满足模块绝缘要求。
(4)SiC MOSFET模块焊接封装制造工艺包括有:芯片焊接无空洞焊接工 艺、DBC板焊接的无空洞焊接工艺、铝线键合技术、点胶技术、硅凝胶灌封工 艺等。这些工艺技术是开发焊接式SiC MOSFET模块封装工艺平台的基础,与 通用工艺相比有其特殊性。SiC MOSFET模块的焊接要求焊接空洞率低,铝线键合的失效率低,耐热疲劳循环次数高,灌封胶体填充致密,绝缘强度高。
(5)焊接式SiC MOSFET模块封装工艺的设计,重点在于模块功率与散热的优化。由于SiC MOSFET模块为功率模块,该模块的电气特性和使用环境的温度息息相关,在使用中的功率损耗转化成热能集聚在模块内部,通过制造工 艺的优化,提高焊接质量,选用高性能的底板材质,降低模块的热阻率,实现模块功率与散热的优化,保证模块的高质量、高可靠性。
(6)焊接式SiC MOSFET模块是将两个或多个SiC MOSFET芯片依照特定的工艺将他们封装在一起,实现特定的电气功能。如何将多个芯片形成串并联 形式,保证封装模块产品的性能稳定,这之间存在矛盾。通过特定的优化设计和合理的芯片布局,以及能够前后兼容的封装工艺,保证芯片的串并联形式合 理,产品性能稳定。
(7)对SiC MOSFET模块的技术参数要求和检测要求,特别是焊接温度、键合铝线的键合力的大小和焊接空洞率的参数范围。焊接温度过高,容易造成 焊接焊料的氧化和老化,造成功率损耗大;焊接温度过低,容易造成焊接虚焊, 焊接空洞率大,无法满足通流和散热要求。
(8)在SiC MOSFET模块灌封中,灌封材料自膨胀系数的相互兼容问题。模块的灌封因为设计不同,要求模块灌封既有环氧灌封,也有硅凝胶的灌封, 若不处理好灌封胶体的膨胀系数配合,就会可能因为在模块内部发生的应力作 用造成模块的失效。
(9)SiC MOSFET模块的外壳设计,高压模块因为电压较高,电流较大。如果模块结构的设计不合理,无法实现模块的绝缘要求,容易出现模块外表面 的电压击穿放电,采用褶皱裙边设计,可增大模块的爬电距离,提升模块的绝缘水平。
2.4 SiC MOSFET模块封装主要材料
目前国内外的SiC MOSFET模块封装相关的专利中所采用的封装材料主要涉及模块外壳、DBC基板、密封胶、引线键合丝线以及焊接等。其中国内的专利封装材料有相当数量是高校提出的属于研究性质的新型材料,而国外的专利则主要是富士电机、东芝、日立、三菱、ABB等大型企业所提出,因此更具实用性。模块外壳普遍采用树脂(主要是环氧树脂),也有提出采用金属陶瓷外壳方案的专利;DBC基板大多采用氧化铝或氮化铝,也有较多以二者为基本成分的其它复合材料;密封胶采用硅凝胶和硅酮胶等;引线键合丝线普遍采用铝 丝,也有利用其它材料采用压接方式连接的;焊料则一般采用锡,以锡、铅为基本成分的其它复合材料的焊料也较多。目前国内SiC MOSFET材料方面,绝大部分依赖国外进口。
SiC MOSFET模块所涉及的主要材料可分为以下几种类型:导体、绝缘体、 半导体、有机物和无机物。SiC MOSFET模块的电、热、机械等性能与材料本身的电导率、热导率、热膨胀系数、介电常数、机械强度等密切相关。材料的选型非常重要。下面首先对模块主要材料的热特性进行分析。
DBC的主要作用是作为芯片的载体,同时还具有高绝缘强度和高散热能力。DBC的结构类似于三明治,一般是上下两层覆铜,而中间层是高绝缘强度和高 导热性的陶瓷衬底。衬底的材料主要有Al2O3、Be O、AlN和SI3N4等。对中低 压模块,一般DBC的陶瓷材料选择氧化铝(Al2O3),其绝缘性和导热性均能满 足需要,且价格相对便宜。而对高压大功率SiC MOSFET模块,一般选择氮化 铝(AlN),其导热性更好。
在以焊接作为固定方式的SiC MOSFET模块中,考虑到重复可焊性和导电导热等要求,一般选择铝线作为键合。在大功率SiC MOSFET模块中,键合承载电流较大,对散热和机械强度均有更高要求,一般选择铝带作为键合。铝带键合技术用于大功率SiC MOSFET模块封装,有以下优点:(1)提高模块的抗 电流冲击能力;(2)降低引线电感,降低EMC;(3)提高模块的热疲劳能力;(4)同等负载电流下,比铝线键合降低芯片温度;(5)提高模块抗振动能力。
采用铝带有两种方式:连续键合和层叠键合。
散热底板的主要是作为SiC MOSFET模块的散热通道,同时兼有机械固定 的作用。目前,SiC MOSFET模块所使用的散热底板主要材料有:铜、钼、铝、 叠层铜、碳化硅复合金属模板、石墨增强纤维铝铜合金和碳化硅铝(AlSiC)等。
后者的导热性比前者要强,但价格贵。考虑到成本和经济效益,在中低压模块中,一般选择铜底板,而在高压大功率SiC MOSFET模块,一般选择碳化硅铝底板。
键合和主电极端子的焊接均需使用焊料。目前常用各种焊料的特性如表2.1。


其中热导率和熔点是关键指标,从上表可知,环氧树脂和纳米银是较好的
选择。为符合欧洲RoHS标准,现在焊料一般都选择非铅基的。对高压大功率 SiC MOSFET模块,由于其功耗大,应使用高熔点的焊料。
SiC MOSFET模块的键合和DBC上的铜线迹在承载电流时会发热,如果暴
露在空气中,则很容易氧化。目前通行的做法是灌胶。材料选择为高介电常数 的弹性硅凝胶或者是高温指标极好的环氧树脂,密封性能和绝缘性能都满足要求。
功率端子是模块电能转化的接口。一般有两种形成方法:一种是通过铜基或镍基的金属端子直接焊接到DBC的金属氧化层,另一种是对DBC的金属氧化层进行外延和折弯形成。
SiC MOSFET模块的外壳材料是塑料,主要作用是保护内部芯片,同时起到支撑和绝缘的作用。对外壳的要求是及耐高温,机械强度和绝缘强度高。对低压模块,常用的材料PBT、环氧树脂和金属陶瓷等;对中高压SiC MOSFET模 块,一般选择ABS材料,该材料的绝缘性能、导热性能好,化学性能稳定,且具有金属质感。
2.5本章小结
本章介绍了SiC MOSFET的基本结构和工作原理,然后分析了SiC MOSFET模块的动静态电气参数,介绍了SiC MOSFET封装流程和封装设计要 求以及对SiC MOSFET模块主要材料的热特性进行了分析,为后文中SiC MOSFET的仿真建模和实际应用奠定了理论基础。
第3章碳化硅MOSFET模块封装关键技术
3.1引言
碳化硅器件的优良特性,需要通过封装与电路系统实现功率和信号的高效、高可靠性连接,才能得到完美的展现。SiC MOSFET模块设计是一个基于多物理 耦合场的设计综合问题,分别从热、机和电等角度解决了模块分析问题,是SiC MOSFET模块设计的核心技术。以1200V840A SiC MOSFET模块封装为例进行分析,本课题选用的是美国CREE公司的SiC MOSFET芯片,型号为 CMP3-1200-0013A。单个芯片规格为1200V140A,芯片外形及电路图如图3.1。

该芯片具有高阻断电压,低导通电阻,耐闩锁,具有低反向恢复的快速本征二极管,易于并行且易于驱动以及能优化模块的栅极电阻等特性。
图3.1芯片外形图与电路图 芯片的一致性对提升SiC MOSFET模块的整体性能非常重要。为预防一致性问题导致模块的整体性能降级,在封装之前需要对芯片进行动静态性能测试。
3.2 DBC设计
DBC(直接覆铜)电路的设计是模块设计的重要一环。DBC衬底包括绝缘陶瓷及其附着的。绝缘衬底是作为功率模块机械支撑的结构,需要能够耐受不同 的工作环境。绝缘衬底作为芯片的底座,同时在绝缘衬底上沉积导电材料、绝缘材料和阻性材料的表面,还能形成无源电路元器件。DBC主要具有的功能是将芯片上的电极通过DBC引出来,DBC上面的铜层再将电流传输出去,同时兼 具芯片的散热。DBC衬底材料的电气特性要具有高体电阻率、高介电强度、低介电常数。在热特性上,要有高热导率,与功率半导体芯片的热膨胀系数匹配;高耐温,能承受直接覆铜工艺的高温。

Al2O3是绝缘衬底最常用的材料,生产工艺也是最成熟的。虽然导热系数只有30 W/(mK),但是在中低功率器件上还是能满足应用要求,故选取Al2O3 为衬底材料。从表3.1常用封装材料的热导率中,可以看出AlN热导率高,约为 Al2O3的6倍,与碳化硅的热膨胀系数匹配好;但AlN是一种新材料,与Al2O3 相比工艺不成熟,而且价格是Al2O3的4倍,抗碱性腐蚀弱,一般需要特殊的清 理剂,AlN将会是大功率半导体器件的理想衬底之一。BeO具有优异的热导率, 是Al2O3的8倍,工艺相对成熟,并且热血特性、电气特性等都符合要求;但是 Be O无论是固态粉末还是气态都是有毒性,这些材料在再处理时会产生很大的环境污染。
底板的选择是为绝缘衬底做机械支撑,底板首先要有一定的形变能力,其次要能与绝缘衬底材料相匹配的性能,包括热特性、机械特性与化学特性等。
目前电力电子产业中大量使用铜底板,这就要考虑到材料的CTE性能,即材料的热膨胀系数,表3.2写出来常用封装材料的热膨胀系数。铝碳化硅作为一种新复合材料,能与许多绝缘衬底材料的CTE相近,也是很适用的底板材料选择。
铝碳化硅底板需要预弯形成向上的弧形,主要是为了与散热器更平合地接触, 弧形的一面朝向热沉。

模块封装中的材料都具有一定的临界受热应力点,超过这一数值,就会出现断裂失效的危险。SiC MOSFET模块的衬底尺寸主要由SiC MOSFET芯片的 面积决定,绝缘衬底常规厚度在0.03mm,翘曲率在3mil/in,陶瓷材料用作绝缘 衬底采用直接覆铜技术。上表面铜层绝缘图案间的最小耐压为1500V/min,上、下铜层间最下耐压为2500V/min,上、下铜层厚度比为1左右。金属层边缘可以 采用台阶状可以有效减小应力,台阶高度应为铜层的一半。表3.3为常见功率模块内部各层结构的厚度。

经过对比材料特性及模块电气性能需求,本文的模块采用铝碳化硅基板,
DBC材料选用铜-氧化铝-铜的组合,各层厚度依次为0.3,0.38,0.3,经过设计 出来的DBC如图3.2所示。

3.3芯片布局与杂散参数提取 3.3.1芯片布局
由于单SiC MOSFET芯片的通流能力为140A,要想达到840A大功率SiC MOSFE模块需要采取多个芯片并联的方式来提高其通流能力。芯片的布局和互联设计不仅严重影响到芯片的散热、均流和EMC性能,而且严重影响到整个模块的可靠性和使用寿命。对SiC MOSFET模块进行多芯片布局时,需达到的目标是:
1)各并联芯片良好的均流能力;
2)各芯片良好的散热能力;
3)各芯片 良好的抗EMI能力。

图3.3所示为设计的SiC MOSFET模块的电路拓扑图,该模块是一个三相全桥的电路拓扑。该模块主要是针对混合电动汽车动力优化的六桥臂模块,信号端子采用的压配销可以避免额外的焊接工艺时耗,可节省成本系统,并提高系统可靠性。图3.4所示为SiC MOSFET模块的封装图,三相桥臂并在一起的尺 寸为长152mm,宽92mm,极大的减小了模块尺寸,更小型化。

SiC MOSFET芯片并联时的电流分配不均衡主要有两种:静态电流不均衡和动态电流不均衡。静态电流不均衡主要由器件的饱和压降VSD不一致所引起。静态电流不均衡可以通过导通电阻自均流,但是SiC MOSFET的导通电阻对温度不太敏感,自均流效果不明显。而动态电流不均衡则是由于器件的开关时间不同步引起的。动态电流不均衡无法通过器件自身均流,由于负温度系数的阈 值电压,会形成温度正反馈,严重情况下可能会导致热失稳。
不均衡电流的主 要原因如下:
1)模块参数不一致,主要影响因素:阈值电压,跨导参数。阈值电压差异越大,不平衡电流越大;跨导系数越大,不平衡电流越大,动态不平衡电流,集中在<10MHz区域。
2)电路布局不对称,主要影响因素:漏极寄生电感,源极寄生电感。寄生 电感差异越大,不平衡电流越大,开关速度越快;上升时间tr越小,不平衡电流 越大。图3.5是漏极寄生电感、源极寄生电感不等引起不平衡电流的等效电路图。

3)模块结温不相等,主要影响因素:模块不平衡的散热条件,结温差异越大,不平衡电流越大;阈值电压越小,不平衡电流越大。
要使模块均流的方法可以串联电阻,但是只对静态电流不平衡有效,因为 负荷电流越大,动态不平衡电流越大。驱动电阻越小,开关速度越快,动态不平衡电流越大。除此之外还可以采用耦合电感,因为其具有很好的动/静态电流均衡能力。
1200V840A的SiC MOSFET模块由6个140A芯片并联而得。芯片布局如
图3.6,六颗SiC MOSFET芯片并联,上下桥臂对称布局。图3.7为电流环路示
意图。

在外部连接上,电源端子通过将DC+和DC-组合在一起简化了总线连接, 从而实现了从上到下的简单电流辅助端子(栅极/源极,漏极开尔文和NTC),并且采用标准的板对板式连接,使得模块能得到尽可能的低电感。在内部连接上, 基于完全对称的电源路径布局可均衡寄生效应,并有助于减少动态损耗的失配。
栅源信号PCB利用多层方法来最小化栅网络上的电感,从而实现更快,低开关损耗。单独的栅极和源极电阻器有助于抑制高频振荡并保持信号和电源路径分开。
3.3.2杂散电感提取
SiC MOSFET模块是以功率芯片SiC MOSFET为开关单元,通过DBC(Direct Bonded Copper)、Wire、铜排等多种形式实现芯片之间以及芯片与外部端口之间的互连,构成具有一定拓扑结构,实现一定电路功能的电力电子模块。随着开关频率和功率等级的提高,模块内部各互连部分的寄生参数对模块电气特性, 尤其是开关瞬态时的影响已不容忽视。
寄生电感主要取决于键合线上寄生电感,要使寄生电感越小,可以采用并联根数越多,键合线越短,键合线越粗的方案。式(3.1)中可看到寄生电感与键合线上参数的关系。

(3.1)式中,N代表并联根数,l代表键合线长度,d代表键合线径大小。
碳化硅模块的开关电气特征是其最重要评价指标,这主要由其杂散参数决定。杂散参数的准确计算对芯片布局设计、驱动电路设计等有重要意义。
最新SiC MOSFET芯片的开关时间在纳秒级别,开关过程的暂态电磁场有效带宽约为10MHz。众所周知,SiC MOSFET模块内部互联线之间的杂散电感是频率的函数,高频与工频条件下,铝线的杂散电感相差较大。为获得更精确的杂散参数值,提高分析评估的准确性,必须应用高精度的ANSYS Q3D Extractor仿真技术。选择合适的等效电路模型,通过数值拟合方法得到高频杂散电感、电阻和互联电容等参数,从而指导模块的设计和应用研究。

其中导电层的材料为铜,绝缘层材料为FR4。将绘制好的模型图如图3.8导 入Ansoft links,在Nets面板上选取换流回路包含的引线,最后将文件导入电磁 场有限元分析软件ANSYS Q3D Extractor中,Ansoft Q3D Extractor软件基于FEM 法来求解Maxwell方程组,从而得到电场、磁场的分布,可计算任意导体的电 容、电导、电感和电阻矩阵,并可以SPICE形式的等效电路形式输出,直接导 入如Saber、Pspice等电力电子仿真软件模型。在真实的SiC MOSFET模块封装 互连中,SiC MOSFET芯片源极引出的平行并联wire在空间呈弧形曲线分布。由于当回路含有曲线段时,电感的计算就大为复杂,为了简化建模和计算,SiCMOSFET结构模型中的wire均采用规则的分段直导线代替,如图3.9(a)所示 为真实的SiC MOSFET源极引出wire的空间结构图,实际模型采用3.9(b)所示的示意图。

在封装设计中应尽量减小栅极驱动电路的杂散电感,因为高频开关会对杂散电感造成影响,虽然减小互连寄生参数是封装设计的主要考虑因素,但是由于SiC MOSFET模块的非对称布局普遍存在,过小的寄生参数可能导致过大的 非对称性。比如芯片导通路径中寄生电感为5nH和10nH时,其非对称性将远大于30nH与35nH,引起的并联芯片间的不均流前者将远大于后者,因此封装设计中的寄生参数须综合考虑。
在SiC MOSFET的开关过程,源极电流包含大量高次谐波电流分量,引起 并联wire间互感作用显著增大。由于处于磁场中不同空间位置的并联wire所受 互感作用不一致,因此对于电流处于变化状态的并联wire,电流分布总是不均匀的。

如图3.10中可看出键合线及端子的电流分布仿真结果相对均流。原则上,芯片互联的杂散电感应该越小越好,在实际中由于受制于几何尺寸或者电路自身,杂散电感不可能为0。在杂散电感不能减小的前提下,应保证每个芯片的杂散电感基本均衡。
3.4模块的热管理
SiC MOSFET模块是一个含不同材料的密集封装的多层结构,其热流密度达到100W/cm2–250W/cm2,模块能长期安全可靠运行的首要因素是良好的散热能 力。散热能力与众多因素有关:SiC MOSFET模块所用材料的物理和化学性质、芯片的布局、贴片的质量、焊接的工艺水平等。如果贴片质量差,有效散热面积小,芯片与DBC之间的热阻大,在模块运行时易造成模块局部过热而损坏。
芯片可靠散热的另一重要因素是键合的长度和位置。假设散热底板的温度分布均匀,而每个芯片对底板的热阻有差异,导致在相同工况时,每个芯片的结温 不同。
在模块完成封装后。采用ANSYS软件的热分析模块,建立包括铜基板、 DBC、芯片以及包括铝质键合引线在内的相对完整的数值模拟模型。模拟实际工作条件,施加相应的载荷,得到SiC MOSFET的温度场分布的数值解,为SiC MOSFET温度场分布的测试提供一定的依据。芯片的布局对模块内部的热管理能力会产生影响。在根据模块内部热管理的要求进行材料选型和整体布局、根据芯片的均流性能进行芯片的具体布局之后,还需要对模块的热管理能力进行重新校核。为此,需建立考虑模块布局之后的仿真模型,如图3.11所示。

图3.11中,有限元模型由下到上分别为铜基板、焊剂层、DBC(下覆铜层、三氧化二铝、上覆铜层)、焊剂层、碳化硅芯片、铝质键合引线、输入电极和输出电极。图3.12是模块芯片温度的仿真结果。

由图3.12可见,在施加了电流载荷之后,单开关模块中的温度最高部位位于碳化硅芯片和铝引线的键合点处,而其余部位的温度均低于键合点处的温度, 这也说明碳化硅芯片和铝引线的键合点是器件最容易失效的部位,与实验室观察到的SiC MOSFET模块最常见的损坏模式吻合。
为了减小模块热阻,加快散热,封装的SiC MOSFET模块底板设计成带针 翅的散热结构,如图3.13所示,散热底板的内表面开设有凹槽、用于SiC MOSFET 模块贴合后形成液冷水道,SiC MOSFET模块的针翅位于凹槽内,散热底板于凹 槽的外周侧与SiC MOSFET模块之间设置有第一密封件和第二密封件,散热底 板于第一密封件与第二密封件之间设置有环形槽,环形槽的一面与SiC MOSFET模块贴合,并通过散热底板外表面上的通孔与外界连通。这个针翅结构可以安装到散热器上,带针翅的底板模块散热效率很高,热阻降低40%,整个功率密度得到提升,体积可以做得更小,寿命更长。针翅底板采用铝碳化硅材料,铝碳化硅基板的好处是具有低的热膨胀系数,可达到7.388ppm/K;高导热率,可 达到190~240W/Mk;高弯曲强度以及耐高功率,可以提高热循环等可靠性。

碳化硅SiC MOSFET模块开关频率高,可达到100kHz级别,发热状态在纳秒级瞬态切换,在材料内部形成显著的热致应力。特别在不同材料的交界面, 由于热膨胀系数的差异,会形成开裂、翘曲和开焊等不同形式的应力性失效。
不同宏观表现的失效模式不能用某种物理指标简单表达,需要结合实验再 现失效过程,针对每一项失效模式建立特有的失效判定指标和设计准则。由于温度和应力的强耦合性,需要使用热-力联合数值仿真技术对热致应力进行数值建模。高开关频率导致的另一问题是同一芯片上相邻铝线之间的吸引和排斥作用。这种作用会造成另一种典型失效模式——铝线键合开焊。需要使用瞬态电-机联合仿真技术分析这一问题,建立电致应力数学模型,并针对不同模块本征 特征和应用环境特征建立铝线键合强度评价标准。
3.5模块的动静态测试
经过设计后,通过在实验车间把模块进行贴片,焊接,键合,装配,检测,包装等工艺流程把SiC MOSFET模块成功封装出来。将芯片、DBC置放于真空焊接炉里面焊接,焊接过过后就可以进行引线键合,将芯片的各个极与铜片连 接。超声波端子焊接技术可将此前使用锡焊方式连接的铜垫与铜键合引线直接 焊接在一起。该技术与锡焊方式相比,不仅具备高熔点和高强度,而且不存在线性膨胀系数差,可获得较高的可靠性。实际制造出来的模块如图3.14。

SiC MOSFET模块要想实现长期稳定可靠地运行,必须反复进行设计、计算机仿真、检测、参数优化等环节,执行各个环节后满足电气参数、可靠性、失 效形式等的评测标准才能应用到相应的领域。测试作为在设计、检测、制造流程框图中的重要环节,不仅是为了SiC MOSFET模块各项指标的检测,更重要的是开展模块性能的研究,而最终的目的是为了给用户提供服务。
3.5.1静态特性参数的测试

静态特性参数的测试采用开尔文连接,开尔文连接如图3.15所示,其中Force 是激励,可以是电流,也可以是电压。sense是测量相应端的电压,相当于一个电压表,利用内部算法调整功率管相应端的电压接近所加激励电压。静态测试是在SiC MOSFET模块结温为25℃时进行测试,此时SiC MOSFET工作在非开关状态;其主要的测试内容如下:
1)击穿电压BVDS
击穿电压BVDS是在特定漏极电流及栅源极短路情况下漏极与源极之间的电压值。
2)开启电压VGS(th)
开启电压VGS(th)是指在特定漏极电流及漏栅极短路情况下栅极与源极之间 的电压值。当栅射极电压小于VGS(th)时SiC MOSFET是关态,因此开启电压VGS(th) 即是使SiC MOSFET导通并流过特定的漏极电流的栅极电压。VGS(th)随着介面温 度的变化为-11mV/℃。
3)漏极至源极的泄漏电流IDSS
漏极至源极的泄漏电流IDSS是指在额定的漏极电压和栅源极短路下的漏极 电流大小。IDSS的测量通常是在25℃且结温不超过最大结温的情况下进行。因为漏极泄漏电流会随介面温度升高而增加,所以在测试期间限制电流流过及避免 结温升高是很重要的。
4)栅极至源极的泄漏电流IGSS
栅极至源极的泄漏电流IGSS是指在特定的栅源极电压及集源极短路情况下栅极的泄漏电流。在正或负的栅源极电压下,所测量的电流可能是相当小的, 因此,脉冲至少须维持一个电源周期的积分时间,避免因栅极电容吸收的电流 所产生的误差。此测量必须在栅极电压稳定后才可进行。
5)跨导gfs
跨导gfs是在特定漏极电流下漏极电流和栅源极电压之比。跨导是用来表示 SiC MOSFET增益的方式。由于跨导的大小依赖漏极电流和栅源极电压两个测量值的大小,所以测试设备的精准性对测试结果有很大的影响,必须谨慎选择测试设备。
6)栅极电荷(Qgs,Qgd,Qg)和栅极电容(Ciss,Coss,Crss)
栅极电荷Qgs是由驱动电路传送。使用栅源极电压达可维持特定集电极电 流的电荷值。Qgd是由驱动电路传送,允许跨于栅极电容的电压由特定值降至最 后导通值时的电荷值。Qg是栅极总电荷值,是Qgs,Qgd及另一附加成份的总和。
其中的附加成分和栅极的过驱动电压有关。由于有一些未知的寄生电容存在电路中,所以校正脉冲是必须的。在每一测试前都会先测试寄生电容,并用该值来修正栅极电荷/电容之值。此寄生电容会随接线及气候温度等条件而变化。栅极电荷及电容的大小在设计栅极驱动电路及决定栅极驱动损耗时是非常有用的。
该模块静态测试结果见表3.5。

3.5.2动态特性参数的测试
动态测试主要是测试SiC MOSFET模块开关特性,动态测试即在SiC MOSFET模块结温为125℃时进行测试,此时SiC MOSFET工作在开关状态。开关特性测试原理图如图3.16。

动态测试是在SiC MOSFET模块结温为125℃时进行测试,此时SiC MOSFET工作在开关状态;其主要的测试内容如下:
1)开通时间ton
ton是从栅极驱动电路电压开始上升到SiC MOSFET漏极电流开始上升的时间差,开通时间包括导通延迟时间和上升时间。由于栅极驱动电路的内部电阻和SiC MOSFET的栅漏极电容的原因使得栅源极电压VGS上升的陡峭度不如栅 极驱动电路所产生的电压。ton是从10%的栅源极电压VGS–到90%漏极电流ID的时间差。
2)关断时间toff
toff是从栅源极电压降至其最后稳定值的90%到漏源电压VDS降至其最后稳定值的90%的时间差。
3)能耗Eloss
SiC MOSFET模块动态的损耗包括开通损耗跟关断损耗。对于用于高频电路 设计的SiC MOSFET模块来说,损耗的大小决定了模块的开关频率,损耗太大,开关频率就不能太高。
4)短路能力
短路测试是指SiC MOSFET模块在桥臂直通的情况下能承受的过流时间的能力。短路时间、短路电流反应模块的短路能力。
该模块动态测试结果见表3.6。

双脉冲测试波形如图3.17,测试条件为驱动电压+15V/0V,驱动电阻20Ω。图3.17(a)是上管在测试条件为VDS=600V,ID=600A下测得的双脉冲波形, 图3.17(b)是下管在测试条件为VDS=400V,ID=400A下测得的双脉冲波形。由图可见上管驱动波形在关断时出现向上的尖峰,下管VDS=400V时,驱动波形在开通时出现震荡尖峰。开通以及关断波形测试如图3.18,测试条件为驱动电压+15V/0V,驱动电 阻20Ω,VDS=600V,ID=600A。左边是SiC MOSFET模块开通过程的图片,右 边是SiC MOSFET模块关断过程的图片。


3.6本章小结
本章以1200V840A SiC MOSFET模块为例介绍了碳化硅MOSFET模块封装关键技术。设计一种针对碳化硅芯片适用的新型DBC,完成SiC MOSFET模块的芯片布局以及模块杂散电感的提取,建立模块的热仿真模块,对模块的芯片 以及键合线的发热情况进行仿真分析。最后对设计好的模块进行制作并完成动 静态特性测试。
第4章SiC MOSFET驱动电路设计
4.1引言
模块驱动技术是SiC MOSFET模块性能发挥的关键之一。高效,可靠的驱动电路是电驱系统可靠性的保障。由于SiC MOSFET的工作频率比传统的Si器件高,受到了高压高频应用领域的青睐。在高频应用中,高速型SiC MOSFE的 开关过程是一个关键技术问题,不仅会影响作为开关器件的SiC MOSFET,还会影响应用SiC MOSFET的电力电子设备系统的工作效率、使用寿命以及可靠性。SiC MOSFET的开关速度容易受到寄生电容、驱动阻抗的影响,要发挥SiC MOSFET自身的优势,必须搭配适合的驱动电路,本章将重点分析SiC MOSFET的驱动电路。
4.2 SiC MOSFET驱动开关过程分析
对于驱动电路设计,SiC MOSFET管子高速导通和关断两个过程是设计的重点。图4.1所示为开关动作过程的栅源电压、驱动电流、漏源电压、漏极电流的波形。


(1)t0-t1阶段:假定t0时刻SiC MOSFET处于关断状态,栅源电压为负向驱动电压。在这一阶段栅源电压开始上升,开始给栅极输入电容充电,但是漏源电压VDS和漏极电流ID不变。
(2)t1-t2阶段:随着栅源电压VGS上升,高于栅极阈值电压后SiC MOSFET 开始导通,依据其输出特性,漏极电流ID一直增大,VDS保持高电平不变。
(3)t2-t3阶段:从t2时刻开始,VGS上升到达米勒平台而停止上升,保持不 变,这区间不断给栅极电容充电,漏源电压VDS从截止时的高电平开始下降,一直下降到最小。
(4)t3-t4阶段:栅源电压VGS从米勒平台继续上升到20V,即给定的驱动 电压值,漏极电流ID保持不变,持续的电流使SiC MOSFET完全进入导通阶段。
传统Si器件的工作频率最大会到20kHz,但是SiC MOSFET的工作频率可达到兆赫频率。随着开关频率的变大,这就要求驱动电路控制SiC MOSFET开 通的延迟时间要变小,避免死区时间太大而影响。目前SiC MOSFET驱动电路的延迟时间控制在10ns以内。延迟时间的减小,可以加快米勒电容的充放电速 度,开关时间也得到减小,但同时这也要求驱动电路的驱动电流峰值要比Si器件的更大。

图4.2中所示为栅极驱动的等效电路。开关S1控制SiC MOSFET开通时给 输入电容充电,开关S2控制SiC MOSFET关断时给输入电容放电。开关电阻阻值的大小并不影响SiC MOSFET的开关损耗,而是由Cin和Ugs的大小控制。栅极电容充电的速度与栅极驱动电流也不影响开关损耗,当SiC MOSFET完全 导通后,驱动电流不再起作用。

图4.3所示是一个理想栅极驱动电流的波形。SiC MOSFET的开关速度与驱动电流峰值的大小、驱动内阻有关。当驱动电流峰值 越大时,SiC MOSFET的开关速度会更高。但是SiC MOSFET的驱动电流要根 据SiC MOSFET的寄生电容决定。
驱动电路可以分为电压控制型驱动和电流控制型驱动,目前比较常用的是电压控制型驱动。在高压高频的应用场合下,为了避免高压击穿SiC MOSFET, 会在驱动电路增加隔离电路,主要是对输入、输出信号隔离。一个优异的驱动可以使SiC MOSFET安全可靠的工作,一个理想的驱动电路需满足下列条件:
(1)驱动电路应简单可靠,成本低,驱动板面积尽可能小。
(2)驱动电路的传输延迟时间应尽可能小,避免因传输延迟时间过长而影响设备的控制精度。
(3)驱动电路提供的驱动电压要有足够的正压和适当的负压,驱动电压的 大小会影响SiC MOSFET的开通和关断。同时在高频下,较快的开关速度会影响驱动脉冲。
(4)驱动电路的栅极驱动电流峰值要足够大,加快米勒电容的充放电速度,克服米勒效应。
(5)驱动电路的保护功能很重要,当SiC MOSFET出现过压过流以及短路 的情况下,能保护SiC MOSFET不被击穿,确保SiC MOSFET驱动能够可靠地工作。
(6)驱动电路的电源功率要足够大以保障驱动器正常工作。
(7)驱动信号的隔离,避免高压下的电磁干扰,CMTI尽可能高。
4.3串扰原理分析 4.3.1串扰产生机理
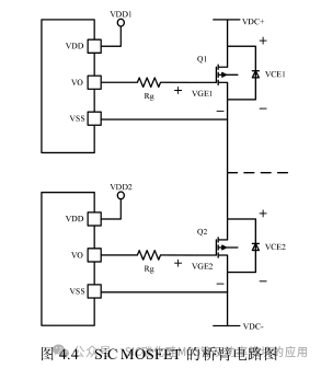
SiC MOSFET作开关管的基本电力电子拓扑都是采用桥臂结构,图4.4可以 看做是最基本的SiC MOSFET桥臂结构,上下桥臂是相互对称的电路拓扑。在 桥臂结构中,上下桥臂的开关动作会相互影响,特别是在开关时刻dv/dt较大的时候这一现象被称为桥臂串扰问题。SiC MOSFET多应用于高频场合,高频会造成加重串扰问题。
SiC MOSFET的栅极阈值电压比较小,通常在2V就可以开启, 当串扰电压超过2V,这时会造成处于关断状态的SiC MOSFET引发误导通。当 串扰电压超过栅极最大电压,还会把SiC MOSFET栅极击穿失效。

如图4.5所示为假定上桥臂导通时,可以看到下桥臂SiC MOSFET受到的电压电流。在上桥臂开通后,会在下桥SiC MOSFET受到有VCE2电压。这时有一小电流经过寄生电容Cgd,并给SiC MOSFET的寄生电容充电,在栅源两极间产生一个电压差,SiC MOSFET栅源电压若达到阈值开启电压就会造成下桥臂 SiC MOSFET误导通。

除了上桥臂开通时刻外,在上桥臂关断时刻也会造成串扰问题。主要是因为在上桥臂关断后,下桥SiC MOSFET的栅源两极电压会降为0,充过电的寄生 电容Cgd会在此刻有个放电的动作,放电的同时也会产生一个电压差,这个电压是负向的,栅源两极的负向电压不能太大,否则会把SiC MOSFET击穿失效。整个开关过程电压脉冲如图4.6所示。
串扰的产生主要是在SiC MOSFET进行开关动作时,其中一个桥臂的SiC MOSFET的导通会使得母线电压转移到另一个关闭的SiC MOSFET漏源极之间, 漏源电压快速增加,出现较大的dVDS/dt。过高的dVDS/dt通过米勒电容感应出很 高的位移电流,位移电流通过栅极电阻产生一定压降,会使关断的SiC MOSFET重新导通。米勒电容越大,驱动电阻越大,开关速度越快,都会使感应电压越高。除此之外,SiC MOSFET模块的阈值电压Vth越小时,越容易发生串扰,导 致误导通。当使用温度越高,Vth越小,越容易发生;直流电压越低,Cgd越大,越容易发生。
4.3.2串扰抑制应对措施
由以上可知,在桥臂结构中,SiC MOSFET都会出现串扰问题。为了更好地发挥SiC MOSFET的优异特性,确保逆变器的可靠运行,必须要抑制串扰解决措施。到目前为止,关于这方面的控制措施有很多的研究,主要包括有以下几个方面:
(1)在SiC MOSFET驱动电路的栅极和源极之间加一个电容,该电容一方面可以分流米勒电流,另一方面可以共同吸收米勒电容上面的电荷,以达到抑 制栅极电压尖峰的作用。但是增加电容会导致延长了开关时间,间接增加了开关损耗。
(2)采用负压驱动的方式来抑制,主要是通过降低串扰引起的电压尖峰。这样可以不让SiC MOSFET有足够的电压误导通,但是SiC MOSFET本身就需 要负压关闭,增大负压的值,会对SiC MOSFET造成影响,有可能会因为负压过大而击穿。这方法还会影响电压切换的效率,还会提高成本,因为这样负压 需要做隔离。
串扰抑制造成桥臂直通的原因一方面有Cdv/dt数值过高影响的,另一方面是驱动负压尖峰引起的模块失效。不同于Si器件,SiC MOSFET因其材料的特性,栅源两极的负压承受能力弱,一般极限在-5V左右,超过这个值,容易造成击穿SiC MOSFET失效。串扰问题是不能消失的,只能通过抑制串扰来解决。
上述的驱动电路采用的方式对抑制桥臂串扰都能起到影响,但在结构设计、 成本、可靠性等方面还有部分可以改进的地步。例如增加隔离电路的设计会加 大成本的投入以及增加驱动板的面积大小,还会带来一系列更复杂的内容。
为了更好的消除桥臂结构串扰问题带来的影响,使碳化硅SiC MOSFET功率开关 器件更好的工作,本文提出了一种新型碳化硅SiC MOSFET的驱动电路。
新型碳化硅SiC MOSFET驱动电路抑制串扰的办法是采用主动米勒钳位电 路。该方法的工作原理是检测栅极电压。由于SiC MOSFET的栅源极阈值电压 为2.146V,电压钳位应低于2.146V,选择2V的电压钳位,当检测到栅极电压 超过2V后,将栅极和源极短接起来保护。因此,该方法主要通过检测栅极和源 极之间的电压来确定串扰问题的存在。
如图4.7所示,在栅极和源极之间添加了逻辑判定电路,以检测栅极和源极处的电压。如果检测到的源极电压快达到栅 极和源极的正常工作电压范围,则连接到栅极和源极的晶体管将导通并使栅极 和源极短接,以提供保护。
使用主动米勒钳位电路,当检测到关断时刻的SiC MOSFET栅源极电压 高于2V时,Vgcl会产生一个足够大的正向脉冲使晶体管导通,从而将栅源极短 接起来进行保护,即如图4.8所示。

4.4驱动电路硬件的设计
4.4.1电源设计
本驱动电路采用了高低压隔离的驱动方案,防止高压信号传入低压部分损坏控制电路。该方案主要分为隔离驱动电源和PWM的隔离驱动两部分,分别对驱动SiC MOSFET的电源和PWM信号进行隔离。

如图4.9所示隔离驱动电源采用了反激电源形式,利用变压器的特性和工作 原理实现对驱动电源进行隔离的目的。从图4.9可以看出改电路可以通过变压器分为两部分,左边是与控制回路相连的低压部分,右边是与SiC MOSFET相连的高压部分。低压部分主要是以LM3488QMM/NOPB电源管理芯片为核心的电源控制电路。V_GDB是主控板提供的36V稳压电源通过共模电感和电容滤波后 供后端反激电源使用。该电路起动时控制回路通过R146从36V电源获得起动所 需能量,起动成功后控制部分由反馈绕组进行供电。电源的反馈回路由R169和 R170组成,通过调节二者的比值可以改变反馈电压AUFBK的值,同时由于电压器的特性电源的高压侧输出电压也会跟着改变,利用此原理就可以得到两路隔离的24V电源。此外该电源还需要使能信号UVLOA被拉高才能开始工作, 该信号由图4.10所示的电源使能电路发出。

如图4.10所示该使能电路主要是由比较器和阻容构成的滞回比较电路以及一个信号隔离输入电路构成。在主控板使能信号PWR_SHDN拉低的 情况下,当V_GDB上升到一个设定好的起动值后使能信号UVLO就会拉 高,反激电源就会开始工作,当PWR_SHDN信号被拉高或者V_GDB下 降到一个设定好的比起动值低的停止值的时候,UVLO信号就会被拉低反激电源停止工作。

在反激电源输出隔离的24V电源后,还要经过如图4.11所示的分压电路将 其分为20V和4V,将分压的中点连接至SiC MOSFET的S极作为参考地,这样 就能得到+20V/-4V的驱动电压。由于这里需要较为稳定的电压,因此采用了带 反馈的高精度稳压器TL431AQDBZRQ1进行稳压,通过调节R2和R5的比值就 能得到精度较高的20V稳压值。
4.4.2隔离方式的选择
隔离方法主要使用光耦合器隔离。光耦合器隔离器使用光作为介质来传输电信号,以实现输入和输出之间的电隔离。

经过逻辑处理从PWM信号就会输入如图4.12所示的PWM隔离驱动电路。该电路是以ACPL-339J-500E光耦隔离驱动芯片为核心搭建而成的。当没有故障发生且使能信号PWMENA被拉低的情况下,PWM信号输入驱动芯片后芯片的 VOUTP和VOUTN引脚就会输出相应的信号控制MOS管Q1和Q2导通或关断, 使SiC MOSFET的G极通过驱动电阻接到+20V或-4V电源,从而控制SiC MOSFET导通或关断。同时该电路还有过流或短路保护功能,驱动芯片的DESAT 脚会在SiC MOSFET导通时输出一个极小的电流给电容C8充电,同时芯片内部 会对该脚的电压进行检测,当该脚的电压大于9V时驱动芯片就会判定SiC MOSFET发生了过流或短路故障。正常情况下SiC MOSFET导通压降低于9V 此时C8的电压会通过R1、D1、D2以及SiC MOSFET被钳制到低于9V的某个 值,此时不会被判定为故障状态,但是当SiC MOSFET发生了过流或短路故障 时,SiC MOSFET的压降会上升到一个较高的值,此时C8的电压会超过9V从 而触发驱动芯片报警。此外当驱动电源的+20V电源电压降低到驱动芯片的报警 值也会触发驱动芯片报警。当驱动芯片检测到故障报警后,会将FAULT脚拉低 发出故障信号,同时VCMOS脚会控制Q3和Q4进行软关断防止SiC MOSFET损坏。
为防止控制电路故障或信号传输被干扰导致同一桥臂上下管同时导通的情况发生,这里首先对PWM信号进行了逻辑处理,其逻辑电路如图4.13所示, 每个SiC MOSFET的PWM信号只有在与它同桥臂的另一个PWM信号被拉低的情况下才会输出高逻辑。

4.5本章小结
本章主要介绍了新型SiC MOSFET驱动电路的设计。分析了SiC MOSFET 开关过程,对开关过程的各个阶段进行详细分析。因不同于Si器件的驱动设计, 对SiC MOSFET的驱动有不同的要求。然后对SiC MOSFET在桥臂电路拓扑中产生的串扰原理进行分析,并提出抑制桥臂串扰的措施,最后完成了新型驱动电路的硬件设计。
第5章驱动电路实验验证
5.1引言
把在第四章设计的驱动电路,转换成PCB电路板,再经过焊接成实物。本章将对驱动板测试验证和分析。测试每一相上下两个桥臂的驱动波形以及开关波形进行比较。测试不同驱动电阻对SiC MOSFET开关过程的影响以及驱动波 形的影响,就如何选择SiC MOSFET的驱动正压以及驱动负压进行实验验证来看对开关过程的影响。
5.2驱动信号测试与分析
图5.1所示为本文设计的驱动电路板,采用多层布局,双面焊接而成。该电路板三相电路独立设计,板间布局对称,可以有效减小寄生电感对SiC MOSFET模块并联均流的影响。

对实验设计的测试实物图如图5.2所示。实验测试结构主要由示波器、电压 源、控制板、驱动板、SiC MOSFET模块以及上位机组成。驱动板上所需电源信号由控制板上提供,上位机给控制板提供信号命令。

将驱动板在该测试系统进行调试,由前面章节理论分析选取20V的驱动电压,栅极电阻选取39Ω的条件下进行测试。测试同一相上下桥臂的SiC MOSFET驱动波形输出,然后通过输出的驱动波形测出电压幅值、上升时间、下降时间等参数,测试结果的波形图如图5.3所示。

表5.1为同组SiC MOSFET并联PWM参数。

由表5.1可得出同相SiC MOSFET上下桥臂的驱动波形幅值都是20.1V;上 升时间,上桥臂258nS,下桥臂237nS,相差21nS;下降时间中上桥臂102nS, 下桥臂98nS,相差4nS;由此可见基本是重合,这测试波形看起来上下桥臂相 对均流,避免因不均流而损坏SiC MOSFET模块。
为了验证栅极电阻对驱动影响,不同栅极会影响SiC MOSFET的开关。本文选取驱动电阻的阻值分别为6Ω、20Ω、39Ω、51Ω、68Ω,测得的驱动及开关波形如图5.4所示。


从测试波形可以发现不同的驱动电阻主要影响了SiC MOSFET模块开关波形的上升时间和下降时间。上升时间随着栅极电阻的增大而变长,这是因为栅 极电阻会限制栅极充放电电流,从而影响到模块的开关速度。栅极电阻越大,栅极的充放电电流越小,这样使得栅极电容的充放电速率减慢,dId/dt减小,同 时抑制了SiC MOSFET的漏极电流尖峰和关断电压尖峰制,又延长了SiC MOSFET的开通和关断时间,增大了开关损耗。相反,当栅极电阻越小,会加 快SiC MOSFET的开通和关断速度,由于开关时间的减小,SiC MOSFET的开 关损耗也会相应减小。但关断时的电流变换率dId/dt会变大,因为有杂散电感影 响,模块会产生一个较高的关断电压尖峰,一旦电压尖峰超过了SiC MOSFET 的额定电压,可能会对SiC MOSFET造成击穿而损坏。所以选择一个合适的栅极电阻很重要,本文最终选择使用39Ω的电阻。
5.3 SiC MOSFET模块驱动电压选择与测试
SiC MOSFET驱动电压的大小会影响开关的特性,驱动电压太大或是太小还会使模块击穿。在SiC MOSFET开通时需要一正向电压来给栅极电容充电,当充电电荷达到饱和时,模块开始进入导通阶段。而负压的作用是用来将栅极电荷快速衰减至SiC MOSFET模块关断。

图5.5为正压VC对SiC MOSFET开通关断特性的影响,选取了从8V到22V正压间的电压来实验,因为栅极驱动电压的正压幅值取决于栅极击穿电压,这款芯片的击穿电压在25V左右,选用较大的栅极驱动电压有利于达到降低SiC MOSFET的通态损耗的目的。VC控制栅极充电速度、开通速度;正压越大,开关速度越快,开通时间减小。但是过大的栅极驱动电压会给SiC MOSFET模块 在短路状态下带来更大的失效风险。本文最终选择使用20V的正压。

图5.6为负压VC对SiC MOSFET开通关断特性的影响,VE控制栅极放电速度、关断速度;负偏压值越小,关断速度越快,关断时间均减小。栅极负偏压可以在SiC MOSFET关断过程中提供一定的反向电流,反向电流的作用主要是将栅极储存的电荷抽取,加快关断的拖尾时间,从而降低了关断损耗。同时栅极负偏压还可以抑制漏极的浪涌电流。本文最终选择使用-4V的负压。
5.4本章小结
本章对驱动板进行实验测试,通过测试同一相上下桥臂的驱动波形,判定驱动波形基本一致,符合要求。再实验分析栅极电阻对驱动和SiC MOSFET开关特性的影响以及驱动正压、驱动负压对SiC MOSFET开通关断特性的影响。最后选取合适的电阻和驱动电压,以满足驱动要求。
第6章总结与展望
6.1全文总结
以碳化硅(SiC)为代表的第三代半导体具备高频、高效、高功率、耐高压、 耐高温、抗辐射能力强等优越性能。本文基于SiC晶圆的电力电子模块封装技术背景出发,以第三代半导体功率器件SiC MOSFET晶圆(1200V&13mΩ)为主要研究对象,通过对SiC MOSFET电气参数的研究,在论文中介绍了SiC MOSFET模块的关键封装技术,最后开发设计出SiC MOSFET的驱动电路,具体内容如下:
(1)根据SiC MOSFET模块封装技术和驱动设计的发展现状,分析对比了各优势及不足之处,提出了本文的主要研究重点。
(2)介绍了SiC MOSFET模块的基本结构和工作原理,然后解释了动静态 电气参数,并对SiC MOSFET模块上主要材料的热特性进行了分析。
(3)详细介绍了SiC MOSFET模块封装关键技术,完成了DBC设计,采用新的芯片布局方式并进行了杂散电感参数提取,建立模块上芯片以及键合线 的热仿真模型分析,验证了碳化硅芯片和铝引线的键合点是模块最容易失效的 部位。最后对模块进行了动静态特性测试。
(4)完成SiC MOSFET驱动电路的硬件设计。利用主动米勒钳位原理来抑制了桥臂串扰问题,并给出驱动电源的选择、隔离方式的选择以及驱动芯片的选择。最后在封装SiC MOSFET模块的基础上对驱动电路进行实验,搭建了实验平台完成对驱动板的测试并进行了实验验证。
6.2研究展望
本文围绕SiC MOSFET功率器件封装技术及驱动设计展开了研究,虽然完成了上述工作,但在模块设计及驱动优化上仍有不足之处。下面几点在今后能 对其继续探究:
(1)在模块封装设计中,关于芯片并联不仅要保证静态均流,还要优化动 态均流,因为SiC MOSFET开关频率越高,动态均流问题对整个系统的影响更大,针对动态均流可以更详细分析。
(2)SiC MOSFET模块封装失效以及可靠性研究,实现封装技术的更一步提升。
(3)SiC MOSFET桥臂电路的高频串扰抑制方法优化设计,实现低成本、更好的抑制效果。
声明:此文来源网络,是出于传递更多信息之目的。若有来源标注错误或侵犯了您的合法权益,请与我们联系,我们将及时更正、删除,谢谢。

