摘要:
上次分享了1200V 800A 车规级HPD封装三相全桥碳化硅模块出流能力测试报告,链接如下:
1200V 800A 车规级HPD封装三相全桥碳化硅模块出流能力测试。
在次分享下1200V 800A 车规级HPD封装三相全桥碳化硅模块双脉冲测试报告。
一.HPD功率模块
功率模块作为电控中最为核心的部件,其性能和可靠性直接关系到电控,甚至是电驱总成的整体性能。功率模块的优劣直接决定了新能源汽车的核心性能,例如加速度、最高时速、能耗、安全性等。随着电控的模块发展,已经由Si基模块发展到SiC模块,其性能大幅提升,SiC也被认为是解决800V系统的最佳选择。
IGBT作为功率半导体中的核心器件,在新能源汽车中扮演着重要角色,其主要用于汽车充电、电动控制系统以及车载空调控制系统。目前,市场上的IGBT功率模块主要由硅基材料主导,相较于Si,SiC具有耐高压、耐高温、高频和抗辐射特性,成功突破传统硅基材料的物理极限,成为第三代半导体核心材料。近年来,由于消费者对新能源汽车续航和充电时间有了更高要求,为了续航更久,充电更快,新能源汽车需要实现高压化,这推动了SiC功率模块的加速发展。
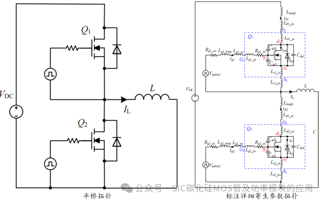
现阶段,SiC功率模块大多沿用了传统硅基 IGBT 的封装结构,而HPD(High Power Device)作为新能源汽车上车规级IGBT功率模块最成熟的封装形式,一定时间内也将是SiC功率模块通用的方案。
HPD封装最早是由infineon开发,三相全桥架构。根据电流能力的不同,分为400A-600A和800版本,其封装形式完全一样,仅在内部芯片布局上存在差异。而后国内功率模块厂家,均开始仿制该类型产品,以寻求在产品上的可替代性。

HPD模块采用密封圈进行水道密封,使pinfin和冷却液直接接触达到散热的目的。
HPD模块主要应用在新能源汽车的电驱中。随着电动汽车的普及,HPD车驱模块的市场需求也在不断增加。该模块的主要作用是控制电机的转速和转矩,从而实现车辆的加速、减速和制动等功能。

二.双脉冲测试
许多使用IGBT或者MOSFET做逆变器的工程师是不做双脉冲实验的,而是直接在标定的工况下跑看能否达到设计的功率。这样的测试确实很必要,但是往往这样看不出具体的开关损耗,电压或者电流的尖峰情况,以及寄生导通情况。这会导致对有些风险的认识出现盲点,进而影响最后产品未来的长期可靠性。又或者设计裕量过大带来成本增加,使得产品的市场竞争力下降。如果能在设计研发阶段,精准地了解器件的开关性能,将对整个产品的优化带来极大的好处。比如能在不同的电压、电流和温度下获得开关损耗,给系统仿真提供可靠的数据;又比如可以通过观察波形振荡情况来选择合适的门极电阻。

为了评估功率器件的动态参数,通常采取的测量方法是双脉冲测试。简单来说静态参数是指器件固有的一些参数指标,如导通电阻、击穿电压等;动态参数就是指器件在开关过程中的一些参数指标,如导通时间、关断时间等。
那什么是双脉冲测试呢?顾名思义,是通过两个脉冲,去控制器件的开关开关,然后测试在开关过程中的一些参数指标。
双脉冲测试可以获得器件真实参数:首先是获取开关管开关过程中的参数,可以用来评估驱动电阻数值是否合适,是否需要加吸收电路等。而且可以衡量开关管在实际电路中的表现,主要有反向恢复电流,关断电压尖峰,开通关断时间等。通过观察SiC的栅极波形,评估SiC驱动板是否能为SiC开启提供足够的驱动电流;获取SiC在开通、关断过程的主要参数,以评估Rgon与Rgoff的选择是否合适;观察开通、关断过程是否有电压尖峰,评估实际应用是否需要吸收电路;评估二极管的反向恢复行为和安全裕量;测量母排的杂散电感。
三.双脉冲试验
1.试验信息
试验设备:直流稳压电源 IT6726G,示波器 TEK_MDO3024,电流探头CWT1200AS,高压隔离探头TEK_DP6280
试验目的:准确匹配驱动板门极驱动电阻,以保证SiC MOS可靠地开通或关断,保证动态过程中由寄生参数引起的电气应力不致损坏。
@、试验条件:门极开通电阻 R(on)=5.5Ω,门极关断电阻R(off)=5.5Ω ,高压母线Vdc=850 Cbus= 530uF/850V,负载电感L=33uH
@、报告中所有图片的测量通道皆满足:
通道1 为负载电流采样点
通道2 为MOSFET 门极驱动电压 Vgs 通道3 漏极—源极之间电压 Vds
@、脉冲测试拓扑如下:

2.双脉冲测试数据

3.UH测试波形

4.UL测试波形

5. VH测试波形

6. VL测试波形

7. WH测试波形

8. WL测试波形

碳化硅具有更快的切换速度(更短的切换时间),较低的损耗,更高的开关频率,更高的耐压能力以及更好的温度特性,相应地带来效率的替身,系统磁性元器件减小,功率密度的提升等优势。相对于传统硅基,碳化硅给我们的最直观印象可以认为是它的快,而更高速的情况下,寄生参数带来的影响相比于硅似乎更加严重,这也是为什么串扰(也被叫做Crosstalk)在碳化硅应用中经常被提到的原因。
SiC串扰
串扰问题在硅和碳化硅的应用中都会存在,但由于碳化硅的高速快关(高dv/dt和高di/dt),导致串扰问题更加的尖锐。
串扰主要是在主动开关接通和关闭过渡期间,对关闭状态的门极电压引起的干扰。如果正向串扰电压超过阈值电压Vth,将导致部分开通;如果负串扰电压超过门极负额定电压,将造成门极过应力。下面我们基于半桥拓扑简单阐述下这个过程:

下图为Q1开通和关断一个周期内的电压电流波形示意图,

01 正向串扰
[t0~t1]Q1开始开通,但门极电压未达到阈值电压,沟道还是处于关闭状态
[t1~t2]当Q1的门极电压达到阈值电压之后,沟道开启,电流IL开始从D2换向Q1,这个过程在D2开始承受耐压为止。此时Q2门极回路的等效电路为

可见,V1决定了这个阶段Q2门极电压的变化趋势。
[t2~t3]这个阶段D2承受反向电压,Q2电压开始上升,此时米勒效应产生的位移电流会在Q2门极产生压降,此阶段以Q1漏源极电压减小到导通压降为止。此时Q2门极回路的等效电路为

可见,V1决定了这个阶段Q2门极电压的变化趋势。
这个正向串扰电压有可能会超过Q2的阈值电压,导致其部分开通,从而导致上下直通的可能性。
[t3~t4]这个阶段,Q1门极电压上升达到驱动电压,Q1完全开通。
02 负向串扰
[t5~t6]Q1开始关断,但电压还未降低到米勒电压。
[t6~t7]Q1的门极电压达到米勒电压,Q1的漏源极电压开始上升,Q2的漏源极电压开始下降,当Q2的漏源极电压跌到D2的导通电压时为止。此时Q2门极回路的等效电路为

在Q2门极产生的串扰电压和[t2~t3]阶段公式一样,但电压电流变化率不同。这个负向电压可能超过额定门极负压,对门极可靠性造成影响。
[t7~t8]这个阶段,电流开始从Q2换向D2,直到Q1沟道关断,等效电路为

在Q2门极产生的串扰电压和[t1~t2]阶段公式一样,但电压电流变化率不同。
[t8~t9]这个阶段,Q1门极电压下降到阈值电压以下,直到Q1完全关断。
以上大致阐述了串扰的产生机理,其中涉及到回路寄生参数以及电流电压变化率,所以相应的抑制措施一般都围绕这些展开。
SiC串扰的抑制
上述我们直到串扰问题的几个因素,速度(di/dt、dv/dt)和寄生参数(电阻、电容、电感),抑制的主要手段就是从这些出发。
降低开关速度是最为直观最简单的手段,但这又限制了碳化硅适用于高频的优势,所以效率和功率密度上要在原先的基础上打些折扣;选择合适的负驱动电压,在这个电压下,让正向串扰不高于阈值电压,让负向串扰不超过额定负压。可想而知这么一个折中的负电压值是不太容易选择的。除非基于现有的系统设计参数,多次实验可能会得到这么一个合适的负驱动电压;还有就是在门极回路中添加辅助电路,给串扰提供一个低阻抗的路径,有通过MOSFET,BJT等进行控制的,但这无疑给驱动设计带来了更高的要求和成本;还有从寄生参数的角度出发,尽可能在设计时将寄生参数做到尽可能小。

