SiC功率器件凭借其耐高压、耐高温、开关速度快等特点,在众多电力电子产品应用中展现出独特的优势。然而在实际应用中,出现短路问题是不可避免的。由于SiC器件面积小、短路电流高、漂移层薄等特点,其短路耐受时间相对传统Si器件要短得多。传统Si器件在数据手册中标称的短路电流一般为5~10μs,而大部分SiC器件都没有标出短路能力,即使标注,耐受时间也较短。
SiC器件的短路耐受能力与其内部结构和材料特性密切相关。例如,SiC材料的临界电场强度约是硅材料的10倍,因此SiC MOSFET的漂移区仅需要Si IGBT的十分之一。这导致在短路情况下,SiC MOSFET的热量更加集中,温度更高,从而在短路条件下的性能表现与Si IGBT有所不同。
在相同的栅极电压下,IGBT器件通常在4至6倍的短路电流时进入退饱和状态,并且有明显的退饱和点;而SiC器件则没有明显的退饱和点,短路电流可以达到8至10倍甚至更高。这些差异进一步凸显了SiC与IGBT在短路行为上的显著不同。

图1 IGBT和SiC MOSFET短路特性
典型的SiC MOSFET短路原理波形如图2所示,可以分为4个工作状态。

图2 SiC MOSFET短路波形
时刻1[~t1]:SiC MOSFET处于截止状态,直流母线电压UDC直接加在被测器件两端。
时刻2[t1~t2]:t1时刻,被测器件开通。由于功率回路阻抗很小,SiC MOSFET漏极电流急剧增大。同时,短路电流变化率di/dt作用于回路寄生电感LS,在LS上产生一个与直流母线电压极性相反的电压VS,导致SiC MOSFET漏源极电压有所下降。Vds此刻电压可表示为:

在短路电流上升过程中,SiC MOSFET的功率损耗导致自发热,SiC MOSFET结温逐渐升高,导通电阻也随之逐渐增大,导致di/dt逐渐减小,这是因为在短路回路中SiC MOSFET导通之后,导通电阻、寄生电感组成了一个一阶LR串联电路,随着导通电阻的增大,回路阻抗增大,电流上升速率有所降低,SiC MOSFET漏源极Vds又逐渐升高。
时刻3[t2~t3]:随着结温的升高,t2时刻SiC MOSFET沟道载流子迁移率开始降低,导致流过开关管的饱和电流减小,Vds会略微上升,di/dt为负。
时刻4[t3~]:t3时刻开关管关断,开关管端电压出现关断过压,电流逐渐减小到零,同时负的di/dt作用于杂感会产生和母线电容同向的感应电动势VS,共同施加在器件上,产生关断尖峰,由于短路远大于额定电流,这个关断尖峰如果不能有效控制,有可能会导致器件电压应力失效,此刻:

SiC器件短路测试是为了测试功率器件能够承受的最大电流。电流过载发生时,漏极电流迅速上升,功率器件需要在电流峰值维持安全水平。短路测试可以用于评估功率器件在极端条件下的性能。对于SiC MOSFET而言,短路测试旨在模拟电流过载情况,以检验器件在短路条件下的安全运行能力。测试过程中,通过控制特定的试验条件,如门极开通和关断电阻以及高压母线电压,来模拟短路事件的发生。短路回路电感量低,短路能量全部来自于母排电容组。
功率器件短路测试方法一般有两种,一是用短铜排的方式进行短路,如图3,但由于外部铜排不可避免引入杂感LS,但这种情况下会导致电流上升斜率变慢,2μs内无法达到器件饱和电流,这样通常短路能量无法满足测试要求。特别是在ATE产线设备中,由于回路的切换在短铜排中还需要串联切换的继电器,使得LS必然会比较大。

图3 外部短路
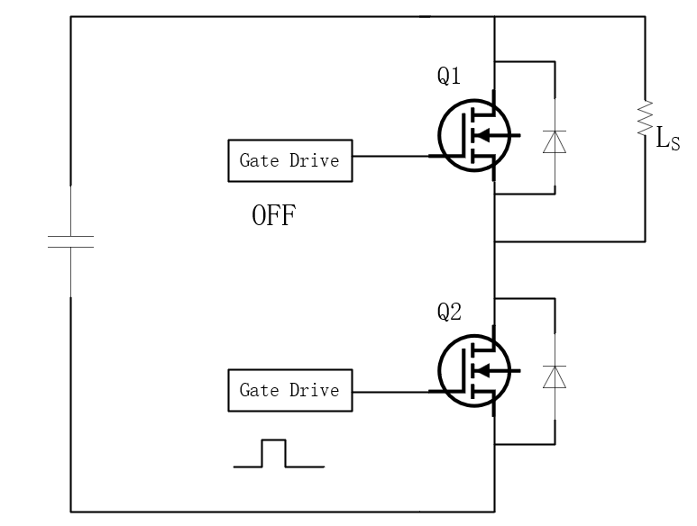
另外一种方式就是过非动作管以正压保持导通状态,而动作管(待测管)则以单脉冲驱动形成桥臂直通,如图4,从而产生短路条件。桥臂直通短路,通常的陪测管栅极提前给常开,被测管栅极发脉冲,同时需要注意的是如果被测管和陪测管栅压相同的话,陪测管也会分担母线电压。所以,为了考核被测管在极端条件下的性能,通常需要被测管栅压稍大于陪测管,即陪测管门极大于被测管门极1~2V。

图4 桥臂直通短路方式
SiC MOSFET的短路测试主要关注其安全运行和保护机制,特别是在电流过载情况下的性能表现。目前飞仕得SiC器件产线动静态ATE测试设备ME100DS-PIM集成高速固态保护开关,具备1.5μs快速响应短路保护。


图6 内部保护开关保护波形(设置12kA)
实际测试SiC功率模块短路波形如图7;
测试条件:母线600V短路时间2μs,最大电流7700A

图7 实测SiC器件短路波形
实际测试SiC功率模块短路失效波形,短路设置6000A短路保护,短路最大电流5600A,器件在关断后失效,失效后在最大电流7300A,从设定电流到最大时间仅488ns。

图8 短路失效波形

SiC功率器件的短路相比于Si器件来说短路电流更大、耐受时间更短,所以对于SiC功率器件的短路测试所需要的测试条件更加苛刻。飞仕得SiC器件产线动静态ATE测试设备ME100DS-PIM针对SiC器件产线测试集成12kA/1.5us快速过流保护开关,能够满足高要求的短路测试需求。

参考文献
[1]秦海鸿, 徐克峰, 王丹, 等. SiC MOSFET短路特性. 南京航空航天大学学报, 2018, 50(3): 348-354.
[2]英飞凌-谈谈SiC MOSFET的短路能力
来源:Firstack智能装备

