电动汽车(EV)车载充电机(OBC)根据功率水平和功能有多种形式,充电功率从电动机车等应用中的不到2 kW,到高端电动汽车中的22 kW不等。传统上,充电功率是单向的,近年来,双向充电越来越受到关注。在双向OBC中,碳化硅(SiC)器件在中功率(6.6 kW)和高功率(11 – 22 kW)中的优势。
电动汽车(EV)直流快速充电机绕过安装在电动汽车上的车载充电机,直接为电池提供快速直流充电。如下图所示,直流快速充电机由一级 AC-DC 和一级 DC-DC 组成:

直流快速充电机由一级 AC-DC 和一级 DC-DC 组成
随着汽车世界朝着用更清洁的燃料替代品取代汽油的方向发展,电动汽车运输的市场区块正在经历快速增长。随着纯电动汽车的市场份额不断增加,每辆车的电池装机容量也在增加,消费者还要求为大容量电池提供更快的充电时间。尤其是针对高性能的电动汽车,这种需求也促使电池工作电压从400 V增加到800 V。
配备足够电池容量的电动汽车将有可能充当储能系统,实现各种车联网(vehicle-to-everything, V2X)的充电用例,像是车辆到家庭发电、车辆到电网的应用机会,或是进行车辆到车辆充电。因此,OBC正在从单向拓扑到双向拓扑转变,采用双向 OBC 提高系统效率是一种普遍趋势。

图1:双向OBC支持新型车联网的使用案例
PFC/AFE 模块
在输入端,传统的PFC升压转换器是使用最广泛的单相拓扑,但它不支持双向操作并且效率相对较低。图腾柱PFC通过消除桥式整流器级来提高效率,将传导路径中的半导体器件数量从三个减少到两个。

图2:从升压拓扑(a)更改为图腾柱PFC (b)可提高效率并允许双向操作。
图腾柱PFC包含两个以不同频率工作的半桥,高频桥臂进行升压、整流,以高频率切换。低频桥臂主要对输入电压进行整流,在50/60 Hz的频率下切换。
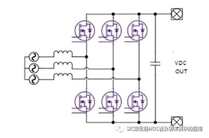
在欧洲的一些地区,三相电源可用于住宅公用事业,通常可以使用三相6开关PFC/AFE拓扑,如图3所示。

图3:双向三相6开关PFC拓扑
还有其他类型的三相PFC,例如T型PFC,它是一种三电平转换器。三电平转换器的好处是开关损耗更低,电感器尺寸更小。然而,想要获得这些好处,将会增加系统复杂性、更多的器件数量、更高的总成本和转换器的总体尺寸。因此,图3所示的基本2电平三相PFC转换器,是三相双向OBC最常用的拓扑。
DC/DC转换器模块
单向OBC中的DC/DC转换器通常是LLC谐振转换器,但这是一种单向拓扑,在反向工作模式下,转换器的电压增益受到限制,从而降低了其性能。因此,图4中的双向CLLC谐振转换器更适合DC/DC级,因为它在充电和放电模式下都结合了高效率和宽输出电压范围。

图4:双向CLLC DCDC转换器
在电动汽车OBC应用中,CLLC采用软开关来提高效率,采用初级侧的零电压开通(ZVS),次级侧ZVS+ZCS开关相结合。
常见的双向DCDC转换器拓扑是双有源桥(DAB)。DAB的操作非常简单,通过移相调节输出。然而,它的ZVS范围有限,并且由于DAB关断电流高于CLLC,因此其开关损耗高于CLLC。因此,总的来说,DAB的效率低于CLLC。另一方面,CLLC中谐振电路的设计更为复杂。
中功率双向OBC架构(<6.6 kW)
中功率OBC通常采用单相120 V或240 V输入和400 VDC母线运行。拓扑是单相图腾柱PFC,后面跟着CLLC DCDC转换器,如图5所示。

图5:使用SiC和图腾柱PFC的高效OBC架构
对于6.6 kW,PFC中每个位置可采用两个60 mΩ MOSFET并联或用一个25 mΩ MOSFET,DCDC中每个位置可采用一个60 mΩ或一个45 mΩ MOSFET。下表总结了这种双向OBC设计的器件选择。

表1:高效双向OBC架构(3.3 – 6.6 kW)的MOSFET选择

表2:6.6 kW双向OBC参考设计规格
更高功率的双向OBC设计(11 kW / 22 kW)
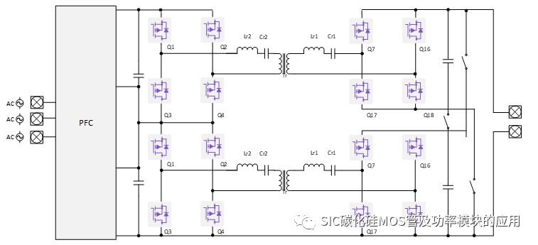
在11 kW或22 kW等更高功率水平下,电池电压可以是400 V或800 V,但如前所述,目前市场则正朝着800 V发展。图6显示了高功率三相双向OBC的系统框图。

图6:高功率三相双向OBC系统框图
该设计可兼容400 V或800 V电池。
11 kW设计可以将80 mΩ 1200V MOSFET用于PFC和CLLC转换器的初级侧。在次级侧,800V电池应用使用与初级相同的75 mΩ MOSFET。40 mΩ 1200 V MOSFET可用于高性能应用,对于400 V电池应用,可以选择四个650 V 25 mΩ MOSFET作为次级侧。
22 kW的设计与11 kW OBC的设计相似,但更高的功率输出需要更低的RDS(on)器件,可用一个25 mΩ 1200 V MOSFET用于PFC和DCDC的初级侧。同样地,次级侧既可以将相同的初级侧器件用于800 V母线应用,也可以在400 V应用使用650 V 15 mΩ来替代。

表3:11kW和22kW双向OBC的MOSFET选择
下表显示了对大功率22 kW OBC的要求。OBC设计实现了大于96%的整体效率,充电和放电模式的DC/DC峰值效率大于98.5%。

表4:用于双向OBC的22 kW三相PFC和DCDC的高端规格
22 kW基于SiC的参考设计兼容单相输入和三相输入
在许多欧洲家庭中,三相电源很容易获得,但典型的美国家庭、亚洲和南美家庭只有标准的单相240 V。在这种情况下,设计需要大功率的22 kW OBC,它可以同时兼容单相和三相以减少OBC的数量。第四条桥臂被添加到传统的三相PFC中,这样设计人员就可以对单相输入使用交错技术。图7显示了一个交错式图腾柱PFC,它具有三个高频桥臂和第四个低频桥臂,每个PFC的高频桥臂通过32 mΩ 1200 V SiC MOSFET提供6.6 kW的功率。低频桥臂可以使用两个Si IGBT来降低成本。当三相可用时,该电路可以自动重新配置为三相工作,使第四条桥臂悬空不用。

图7:用于22 kW单相设计的交错式图腾柱PFC
22 kW双向OBC中比较SiC与Si
在双向OBC中,基于SiC的解决方案在成本、尺寸、重量、功率密度和效率所有相关方面,都优于基于Si的解决方案。22kW双向OBC(图6中所示)基于SiC的解决方案需要14个功率器件和14个栅极驱动器,基于Si的设计需要22个功率器件和22个栅极驱动器。在比较性能时,SiC设计实现了97%的效率和3 kW/L的功率密度,而Si设计效率为95%和2 kW/L的功率密度。
在优化系统效率的同时最大限度缩短充电时间是直流快速充电机的主要关注点。在设计此类系统时,必须考虑器件选型、电压范围和负载要求、运行成本、温度、坚固性和环境保护,以及可靠性。
相比传统硅(Si)和 IGBT 器件,基于碳化硅(SiC)的器件由于具有工作温度更高、导通损耗更小、漏电流更低、浪涌耐受能力更强、最大额定电压,以及整体功率密度更高的特点,可实现更好的性能。但是,要充分利用这些优势,则必须对功率变换器拓扑进行优化。
无论是在家庭或公共区域、高速公路通道还是为车队充电,对交流电网的功率需求可从 2.2 kW 一路升到 1 MW。此类电网系统通常设计为 20 – 50 kW 的 AC-DC 和 DC-DC 电源块,可根据充电位置和车辆类型进行扩展,以满足更高或更低的不同需求。功率级别和系统的一般叠层方式如下图所示:

功率级别和系统的一般叠层方式
在设计时需要分析直流快速充电应用的实用性。首先,此类充电机安装在需要宽电池电压范围和宽负载曲线的公共区域。例如,目前道路上的大多数电动汽车的电池电压均在 350 V – 450 V 范围内,而新车型则采用 800 V 电池。此外,每一款电动汽车电池都有不同的充电曲线,这意味着电动汽车充电机在设计时要满足宽负载曲线和高满载能力的需求。分析客户行为也很重要,因为与家用充电机不同,车辆几乎始终会行驶到充电位置,因此此时的需求转变为预热电池和快速上升到峰值充电功率。您可以在左上图中看到这一点,以及一些电池制造商所建议的电池容量达到 80% 时充电速率下降。
下面我们总结了快速充电机系统的系统目标:
-
宽电池电压范围(350 V – 800 V)
-
宽负载曲线(单辆车/多辆车)和电池缓冲器(用于高性能车辆)
-
针对满负载充电进行优化
-
实现双向性,满足回馈电网应用的需求
-
灵活,可适应新行业趋势/标准
-
安装占地面积小
-
降低运营成本,实现盈利
-
坚固耐用,工作温度范围广
AC-DC 转换
拓扑 1 -(AC-DC):三相两电平双向有源前端 AC/DC 变换器
第一个 AC/DC 方案采用简单的六开关、两电平有源前端(AFE)配置,包含六个功率可达 25 kW 的 Wolfspeed 1200V SiC MOSFET(如图 3 所示)。总体而言,与 IGBT 器件对比,可观察到 SiC 组件实现了多项改进(另请参阅图 3)。


三相两电平双向 AFE(上)和 IGBT 对比 SiC(下)

三相两电平 AFE 的优势与挑战
采用六个 SiC MOSFET,可达到高效率(并在提高功率密度的同时降低成本)。另一项非独立方案是使用可提供 25 kW 的单个模块。并联使用附加模块将使额定功率翻倍至 50 kW。
单相或三相(电网供电)输入的系统,在 22 kW 时具有 650 – 800 VDC 的非隔离输出,运行峰值效率超过 98.5%。
拓扑 2 -(AC-DC):T-Type双向 AC/DC 变换器
与六开关方法相比,利用 1,200 V SiC MOSFET 的 T 型三电平 AC/DC 转换器可实现更低的开关损耗,虽然在快速充电应用中满负载运行时导通损耗占主导地位。
图 4 显示一个双向配置,在外部部分使用六个 1,200 V 32 mΩ SiC MOSFET,在中间部分使用另外六个 650 V 45 mΩ SiC MOSFET(导通电阻 RDS(on) 随温度升高变化小以及良好的满载性能)。在中间位置使用 SiC 也有利于快速充电应用,因为碳化硅的 RDS(on) 与 Tj 曲线平稳,可在各工作温度下满载运行时实现更高的系统效率。

T -Type AC/DC 转换器

T -Type AC/DC 转换器的优势与挑战
拓扑 3 -(AC-DC):NPC/ANPC 双向 AC/DC 变换器
最后,中性点–钳位(NPC)或有源钳位 NPC 拓扑非常轻松地完成了从传统 Si 到 SiC 的过渡。在此设计中,低压 MOSFET 可以与肖特基二极管结合使用,从而降低 MOSFET 上的应力和开关损耗(与上述拓扑中描述的两电平方法相比)。
下图 展示 NPC 配置示例,其中包含 12 个 650 V、25 mΩ SiC MOSFET 和6个 650 V、16 A SiC 肖特基势垒二极管。在使用这种拓扑结构时,需要权衡器件数量、成本和复杂性较高的因素。

NPC AC/DC 转换器拓扑

NPC/ANPC AC/DC 转换器的优势与挑战
AC-DC 拓扑的器件选择
对于 AC/DC 变换器应用,在确定设计中使用的关键器件时必须做出一些抉择。为减少串扰并最大限度提高效率,设计人员应选择最高的 Cgs/Cgd 比率,同时使用负栅极驱动电压进行关断。满载和高功率或连续功率运行的设计应该配置有利于降低导通损耗的器件。在针对硬开关、高电流和高频操作进行设计时,应选择具有低电感和开尔文引脚连接的器件封装。此外,选择最低的 Qrr 可缩短反向恢复时间,降低损耗。

AC/DC 快速充电机拓扑总结
DC-DC 转换
拓扑 1 -(DC-DC):20 – 30 kW 两电平 LLC 双向 DC/DC 变换器
下图显示具有双向流动设计和总共 12 个 SiC MOSFET 的两电平 LLC 电路示例,该电路可实现简单、灵活的控制,具有高效率和磁性元件小的特点。在这种用于直流快速充电的配置中,继电器可以针对 400 V 和 800 V 操作进行切换,满足低或高充电电流的需求。一个不足之处在于:LLC 设计通常具有一个狭窄的最佳应用点,需要谨慎设计谐振回路。

20 – 30 kW 两电平 LLC 双向 DC/DC 转换器

两电平 LLC DC/DC 转换器的优势与挑战
拓扑 2 -(DC-DC):20 – 30 kW 两电平 LLC 级联双向 DC/DC 变换器
下图显示具有双向流动设计和总共 12 个 MOSFET 的两电平 LLC 级联电路示例,该电路支持从传统 Si 组件轻松过渡到 SiC(电压为 650 V)。尽管使用 SiC 器件可提升效率,但该结构也存在一些挑战。

20 – 30 kW 两电平 LLC 级联双向 DC/DC 转换器

两电平 LLC 级联 DC/DC 转换器的优势与挑战
拓扑 3 -(DC-DC):20 – 30 kW 双有源桥(DAB)双向 DC/DC变换器
下图显示 20 – 30 kW 双有源桥(移相)DC/DC 变换器示例,该示例提供了具有梯形电流曲线的快速充电解决方案(与 LLC 电路中的正弦曲线相比)。

20 – 30 kW DAB 双向 DC/DC 转换器

DAB DC/DC 转换器的优势与挑战
拓扑 4 -(DC-DC):30 – 60 kW 三相 LLC 单向 DC/DC 转换器
在设计 30 – 60 kW 范围内的 DC/DC 变换器时,还需要考量存在的一些额外挑战,例如 DC-link和输出电容器上的高纹波电流、高输出滤波器体积(对于 LLC 电路),以及初级侧 MOSFET 上的高电流水平。
使用功率模块进行设计有助于简化其中一些挑战,方法是实现电感匹配、散热设计已简化且在各种功率级别下可扩展的解决方案,并支持将现有的全桥拓扑扩展到更高的功率级别。
下图显示 CRD-30DD12N-K 中使用的三相交错 LLC DC/DC 变换器拓扑

30 – 60 kW 三相 LLC 单向 DC/DC 变换器

三相 LLC DC/DC 转换器的优势与挑战
下图展示了备选的 50 – 60 kW 两电平 LLC 谐振变换器配置,该配置在初级上使用半桥功率模块,在次级上使用 30 A 肖特基二极管。

50 – 60kW 两电平 LLC 谐振转换器

SiC的优点
SiC因其独特的高临界电场、高电子漂移速度、高温和高导热性组合,而成为大功率系统的首选。在晶体管级别上,其具备低导通电阻(RDS(on))和低开关损耗,使其成为大电流高压应用的理想选择。
除了SiC,大功率设计中的有源器件还有另外两种选择,包括硅(Si)MOSFET和 IGBT。对于图腾柱PFC中的高功率应用,Si MOSFET是不切实际的。Si MOSFET体二极管的反向恢复,导致连续导通模式(CCM)下高功率损耗,因此其使用仅限于非连续模式操作和低功率应用。相比之下,SiC MOSFET允许图腾柱PFC在CCM中运行,以实现高效率、低EMI和更高的功率密度。对于额定电压,Si MOSFET在650 V的电压下,具有良好的RDS(on)性能。对于1200 V,Si MOSFET的RDS(on)对于这种大功率应用来说太高了。
与IGBT相比,SiC MOSFET也具有优势。IGBT体二极管可以使用超快速二极管代替。但IGBT的最大开关频率由于其高开关损耗而受到限制。与SiC解决方案相比,低开关频率增加了磁性器件和无源组件的重量和尺寸。
声明:此文来源网络,是出于传递更多信息之目的。若有来源标注错误或侵犯了您的合法权益,请与我们联系,我们将及时更正、删除,谢谢。


👍