文章来源:电源学报
苏杭1,姜燕 1,刘平 1,赵阳 1,罗德荣 1,朱伟进 2 (1.湖南大学电气与信息工程学院,2.湖南沃森电气科技有限公司)
摘要:第三代功率半导体碳化硅SiC具有高耐压等级、开关速度快以及耐高温的特点,能显著提高电动汽车驱动系统的效率、功率密度和可靠性。首先,设计了两电平三相逆变器主电路和带有保护功能的隔离型驱动电路,使用LTSpice仿真分析了门极电阻对驱动性能的影响;其次,建立了逆变器的功率损耗与热阻模型,使用Icepak对散热器进行了散热分析;再次,讨论了PCB板寄生参数对主电路和驱动电路的影响, 并提出了减少寄生参数的措施;最后,采用CREE公司的1200 V/40 mΩ SiC MOSFET制作了1台7.5 kW的实 验样机,并给出了测试结果。
关键词:碳化硅;逆变器;散热器;电动汽车
电机驱动逆变器是电动汽车驱动系统的重要组成部分,决定了整车的性能和可靠性。随着电动汽车的发展,对电力驱动的小型化、轻量化、高能效和可靠性提出了更高的要求。由于驱动逆变器功率的增加,需要更高的直流母线电压,目前驱动逆变器的输入电压已经从300 V发展到了750 V。在此电压等级下,Si MOSFET由于导通内阻较高会产生过大的导通损耗,而Si IGBT又存在着电流拖尾问题,关断损耗过大。
碳化硅SiC作为第三代功率半导体材料,具有硅无法比拟的优势,应用在纯电动汽车和混合动力汽车的驱动系统中,能显著提高驱动系统的功率密度,减小散热器的体积、重量和成本,还可实现逆变器和马达的一体化和轻量化。通过三菱电机11 kW Si和SiC逆变器的体积对比,同等容量下SiC逆变器的体积减少了60%。
近年来,国内外对SiC器件在电力电子变换器中的应用及存在的问题进行了一些研究。设计了一种准Z源逆变器,大大减少了电容和磁性元 件的体积,并将效率提高到了97%;设计了一种基于封装集成技术的单相逆变器,通过良好的散热设计,将功率密度提高到了58.8 W/in3;对SiC MOSFET的驱动电路进行了设计,但电源和保护电路较为复杂;文献研究了SiC DC-DC变换器中寄生参数产生的振荡和电压应力问题,但是未给出PCB的布局方案。
本文采用SiC MOSFET设计了三相逆变器的主电路和驱动电路,采用风冷散热进行了仿真计算,通过结构优化以减小PCB板的寄生参数,最后研制了1台7.5 kW的实验样机进行验证。
1逆变器电路设计
设计逆变器首先要从主电路开始,根据需求进行功率器件和直流侧电容的选型。驱动电路是逆变器的核心,需要完成隔离、缓冲、保护等功能,影响着逆变器输出波形的质量、效率和可靠性。
1.1主电路设计
本文设计的SiC MOSFET逆变器采用两电平三相电压型拓扑。主功率器件选用6只CREE公司 的SiC MOSFET C2M0040120D,其耐压为1200 V, 输出电流可达40 A。选择直流母线电容时,应考虑器件的开关频率。通常而言,同体积的电解电容容 量较薄膜电容大很多,但是电解电容的ESR比薄膜电容高1个数量级。滤波电容的阻抗等于容抗加上自身ESR,所以在高频应用中,薄膜电容的整体滤波效果已经与电解电容相当。此外薄膜电容具有更好的温度特性和频率特性,更适合电动汽车驱动中的应用。因本文设计的逆变器频率为100 kHz, 所以采用薄膜电容作为主电容。根据文献计算电容容量的方法,选择4只800 V/10μF的薄膜电容。逆变器参数如表1所示。

1.2驱动电路设计
由C2M0040120D的输出特性可知,SiC MOSFET的跨导比IGBT小,在IGBT常规的驱动电压10~15V的范围内,SiC MOSFET的导通压降较高。为了降低导通压降,通常将SiC MOSFET的驱动电压设置为18~20V。另外,虽然SiC MOSFET可以实现0 V关断,但是为了其快速关断的特性,一般使 用-3~-5 V关断电压,避免快速开关干扰导致的 SiC MOSFET误触发。
由于门极电阻Rg决定了开关过程中的振荡过程和电容充电速度,因此本文使用LTSpice软件对 C2M0040120D在不同门极电阻下的开关工作特性 进行了仿真分析。由图1可知,当Rg取5Ω时,即保证了开关速度,又对开关振荡进行了有效抑制。

驱动电压阶跃时,首先通过门极电阻为栅极电容充电,当栅极电容电压高于阈值电压Vgs,th后, MOSFET才开始导通。因此,驱动电路的驱动电流应足够大,以满足电路对上升时间的要求。通过芯片手册中给出的总栅极电荷QG和开通时间ton,可 以求出驱动电流为:

式中:R’g为数据手册中测试使用的门极电阻;RG为实际电路中的门极电阻;Rg( int)为MOSFET内部门极电阻。计算驱动电流时,驱动电压会对QG产生影响, 本文使用的驱动电压与MOSFET数据手册中相同, 故不再考虑。
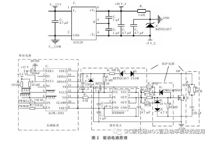
为了保护控制电路和操作人员安全,同时提高设备的抗干扰能力,驱动电路应实现主电路与控制电路之间的隔离。本文采用了光耦驱动和整形放大两级驱动电路。隔离电源使用金升阳公司的A1212S-2WR2模块,将12V输入转化为隔离后的24V,并使用4.7 V稳压管得到+19.3 V/-4.7 V的驱动电压。光耦驱动使用Broadcom公司的ACPL-335芯片,它内部包含了短路检测、米勒嵌位和低压闭锁功能。整形放大使用IXDN609芯片,可以满足驱动电路高速、低延时和低输出阻抗的要求,最大输出电流9 A,大于驱动峰值电流。驱动电路原理如图2 所示。

功率管利用光耦芯片的饱和检测端口实现过流保护。其原理是器件导通时,如果DESAT引脚电压大于3.9 V,芯片就会闭锁输出并且发送短路信号。使用1只稳压二极管,设定过流值,稳压1.5 V,电流阈值为(3.9-1.5-0.7)/0.04=42.5 A。驱动电路还设计了门极嵌位保护,当电压大于24.7 V或者小于-5.4 V时,通过反串联稳压管将电压嵌位,保护 SiC MOSFET门极不被击穿。使用10 kΩ栅源极电阻,保证驱动芯片掉电状态下功率管可靠关断。此外,为了防止寄生参数导致的电压尖峰击穿MOSFET,在开关管两端加入了RC吸收电路。
2散热设计
散热设计是逆变器设计的重要环节之一,如果器件损耗产生的热量得不到有效散热,MOSFET的结温就会上升,导致器件性能和寿命降低,甚至永久损坏。因此,为了逆变器安全可靠地运行,必须对散热系统进行良好准确的设计。
在中小功率逆变器中,通常采用风冷或者液冷的散热方式。通常,空气的导热系数比液体低得多,所以在相同体积下,液冷比风冷能带走更多的热量。但是,液冷的成本较高,且系统复杂可靠性低。由于SiC MOSFET具有低损耗、耐高温的优点, 因此本文采用风冷散热设计。
2.1 SiC器件损耗分析
在PWM控制的逆变器中,MOSFET的损耗主要为导通损耗Pcond和开关损耗Psw,其功率损耗。由于功率损耗与MOSFET导通电阻有关,而导通电阻受芯片结温影响,计算较为复杂。本文使用CREE公司的在线仿真工具Speed-Fit,其仿真电路参数设置及仿真结果如图3所示。逆变器6只1200V SiC MOSFET C2M0040120D的总损耗为187.45 W。

2.2散热器热阻计算

使用热阻等效电路分析逆变器对散热的要求, 建立的等效电路如图4所示。图中,Ploss,Qi为各器件损耗,RθJC、RθCH、RθHA分别为结壳热阻、壳-散热器基板热阻与散热器热阻;TA、TH、TJ,Qi分别为环境温度、 散热器基板温度与各器件结温。
本文使用6063铝合金散热片,热源平均分布在散热片上。每个SiC MOSFET与散热器之间使用陶瓷垫片实现绝缘。根据MOSFET和陶瓷垫片的数据手册,可以得到结壳热阻RθJC=0.34℃/W,陶瓷垫片热阻RθCH1=0.11℃/W,导热硅脂热阻R θCH2=0.44 ℃/W。使用Ansys Icepak有限元软件对散热器进行 热仿真,参数按照表2设置。

根据等效电路可以列出各点温度方程为:

图5为Icepak仿真温度云图,由结果可知,散热器表面最高温度为77.08℃,用最高温度计算散热器热阻RθHA=0.241℃/W。根据式(3),计算出额定负载下SiC MOSFET的最大结温为104.9℃,满足器件稳定运行的要求。

3 PCB设计
在相同耐压等级的器件中,SiC MOSFET的寄生参数Ciss、Crss、Coss等比IGBT的要小很多,因此, SiC器件的开关时间短,开关损耗低,但是对驱动电路和主电路的寄生参数更敏感。文献讨论了主电路的寄生参数对电路性能的影响。在半桥电路开 关过程中,关断的MOSFET相当于1个电容Coss,开通的MOSFET相当于1个极小的电阻,它们与电路的杂散电感Ls产生串联谐振,会在MOSFET两端产生很大的电压超调,甚至导致开关管击穿。
为了减少寄生参数的影响,驱动电路应尽可能靠近MOSFET的门极,并使用嵌位电路减小驱动电压的振荡。各芯片电源端需加入去耦电容,PCB板上下层之间走线应垂直布置。在主电路中,直流母线应平行对称布置,并且在每相桥臂两端并联薄膜电容可以减小PCB的杂散电感。本文使用Altium Designer绘制了电路板,并使用Ansys Q3D分析了PCB板寄生参数。PCB采用双层板,上层为驱动电路,下层为功率电路布线。MOSFET位于PCB板下方,驱动电路与驱动电源分布在MOSFET上方。相较于排线式驱动与插接式驱动,本设计减小了驱动电路输出距MOSFET门极的距离,使得驱动电路的寄生电感最大值仅为10.42 nH。两条直流母线平行分布在PCB板底面,利用互感减少部分寄生电感。此外,直流母线大面积覆铜减小了电流回路长度,其最大寄生电感折合为50.61 nH。三相输出直接从MOSFET引脚引出输出端子,其寄生电感最大值为11.11 nH。4只薄膜电容分布在三相桥臂之间,尽可能地靠近上下开关 管,对开关振荡有吸收作用。PCB板寄生参数分析及PCB 3D模型如图6所示。

4实验分析
研制的7.5 kW三相SiC逆变器实验样机及测试平台如图7所示。输入电压由电网经三相调压器再整流滤波后得到550 V直流电压,三相负载由3 个8Ω电阻和200μH电感构成,驱动信号由TMS 320F28335 DSP板产生6路SPWM。

实验波形及逆变器整体温度如图8所示。图8(a)是逆变器输出的线电流和线电压波形,由图可见,逆变器输出的线电压为220 V,三相电流只含有开关次谐波;图8(b)是下桥臂的驱动信号与MOSFET开关波形,由于测量干扰,驱动信号产生了毛 刺;图8(c)为下桥臂电压的上升沿和下降沿波形, 可以看出SiC MOSFET的开通时间与关断时间仅有30 ns左右,比IGBT快了1倍;此外,功率管的开关振荡基本消除,且最大的电压超调仅有30 V;图8(d)是使用FLUKETi25红外热成像仪拍摄的 逆变器的整机温度,由图可见,在15℃环境温度下,逆变器最高温度为73.4℃,满足SiC MOSFET 稳定工作的要求。


5结论
碳化硅器件的低导通内阻、高耐压和高频的特点,使得电力电子变换器的效率和功率密度进一步提高,在电动汽车等领域有着广泛的应用前景。本文首先针对两电平三相逆变器拓扑进行了功率器件和电容选型,设计了适用于SiC MOSFET的隔离型驱动电路,并确定了最佳的门极电阻参数;之后计算了逆变器的功率损耗并进行了散热分析,并使 用Icepak有限元仿真软件进行了验证。考虑到寄生参数对电路的影响,本文在PCB布局方面给出了解决方案。7.5 kW SiC逆变器试验样机的开关频 率为100 kHz,理论效率可达97.5%,并采用风冷散热,降低了体积和成本。实验结果表明,逆变器的主电路和驱动电路达到了设计目标,且散热器可以将器件温度控制在合理的工作温度下,满足长时间工作的要求。
声明:此文来源网络,是出于传递更多信息之目的。若有来源标注错误或侵犯了您的合法权益,请与我们联系,我们将及时更正、删除,谢谢。


不错讲得好