一、专用铜铝排连接器概述
昨天的文章,说到:充电回路通过铜铝排、专用铜铝排连接器与BDU连接,连接器型号(两排+一芯)未知,可在留言区讨论厂家和型号。

厂家基本落实了,是瑞某达的,但是具体参数没有得到。
群里有人问:这个三芯的连接器中间的那个脚干啥用的,真是灵魂一问?
还是公众号新能源高压架构与安全的博主卧虎藏龙见多识广,说是电机中性点。
今天查了一下,果然是用在比亚迪的另一个黑科技——脉冲自加热技术上。
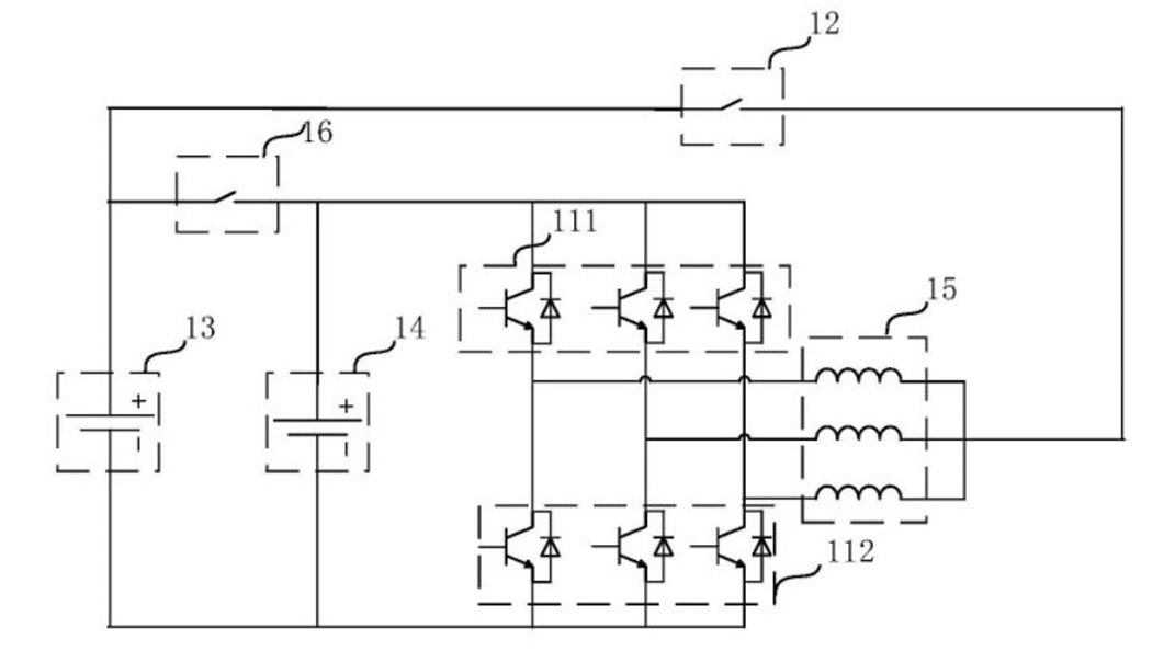
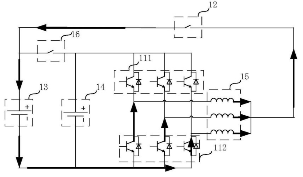
先看三芯连接器具体接线,在外板上可以看到是 +、N、– 三个端子,落实下确实是中线。

再看具体专利的接法,中线通过加热控制开关12与电机的中性点连接。

二、脉冲自加热技术简述
脉冲自加热过程简单来说,就是将电池包分为 1、2 两个部分,另外在电池包中间设个中线,通过绕组与功率模块、加热控制开关进行如下控制:
1 组先放电给绕组储能,随即与绕组共同为 2 组充电;紧接着 2 组放电,经绕组反向为 1 组充电。
就这样两组电池非常快的互充互放,绕组配合着形成能量循环与震荡电流,达到打到高频浅充浅放目的,在此过程中电池内阻发热实现均匀升温。
三、脉冲加热原理
可以把加热的过程分为四个时段,通过功率模块控制电流流向,使能量在第一电池组、第二电池组和绕组间循环传递,形成震荡电流,实现电池自加热,具体过程如下:
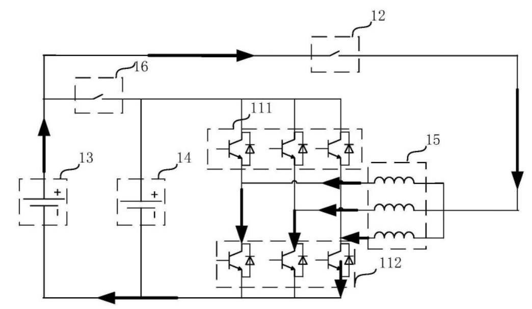
第一时段:
加热控制开关闭合后,第一电池组与绕组形成回路。
电流从第一电池组正极经加热控制开关流入绕组(为绕组储能),再经功率模块第三端回流至第一电池组负极,完成绕组储能。

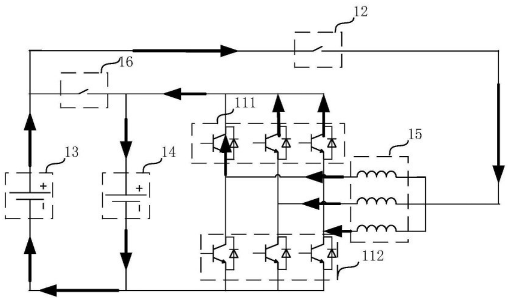
第二时段:
功率模块切换控制,绕组释放的储能电流从功率模块第二端流出,与第一电池组的输出电流汇合,共同为第二电池组充电,实现能量从第一电池组和绕组向第二电池组转移。

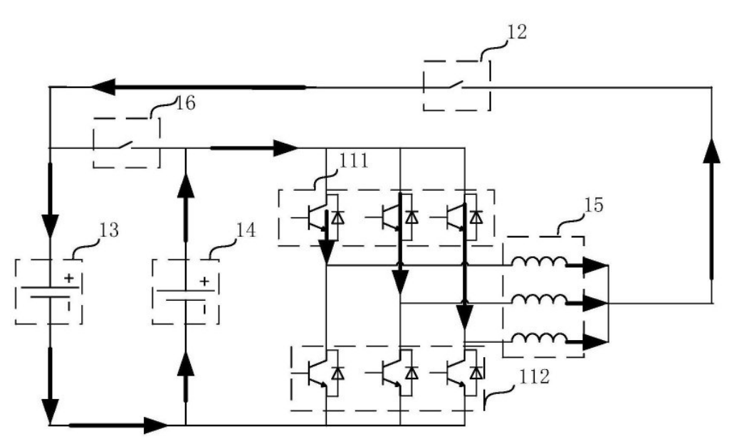
第三时段:
第一电池组停止供电,第二电池组开始放电。
电流从第二电池组正极经功率模块第二端、第一端,再经绕组、加热控制开关流入第一电池组正极,最终回流至第二电池组负极,能量从第二电池组向第一电池组和绕组转移。

第四时段:
两组电池均停止供电,绕组释放剩余储能。
电流从绕组一端经加热控制开关、第一电池组、功率模块第三端,再从功率模块第一端回流至绕组另一端,完成绕组储能释放。

四个时段交替进行,使能量在三者间往复充放,形成周期性变化的震荡电流,利用电池内阻发热实现自加热,无需外部加热设备,提升了加热效率并降低成本。
图片来源:知化汽车和比亚迪专利CN 218731293 U

