一.碳化硅MOSFET隔离驱动要求
碳化硅MOSFET一般用于高压,大功率电源应用,这种电源由于系统要求需要做原副边的隔离,所以通过变压器从一边到另一边传递能量,而控制器一般放在其中一边,比如副边,驱动原边的碳化硅MOSFET的时候就需要通过隔离方式的驱动将副边控制器发出的驱动信号,传递到原边,去驱动它。
采用隔离方式,可以对原边的高压电路的地和副边控制器的地,进行独立的设计,避免高压电路对低压控制电路的损坏,同时,一些不希望的交流或者直流信号也不会从高压侧传递到低压侧,提高驱动电路的可靠性。这是碳化硅驱动电路的一个典型的要求。
比较传统的隔离方式是光耦隔离,具有比较好的抑制瞬态和噪声的能力,但是缺点是光耦的增益随着时间会变化。另一种常见的隔离方式是磁隔离,但是在磁场环境中,应用会受到一定的限制。容性隔离也是较常见的隔离方式,对高压及外部磁场的敏感度方面都有很大优势,同时也支持快速开关运行,保持较小的延时。对于不同隔离方式的产品后续有机会再进行讨论。
二.碳化硅MOSFET的驱动电流及驱动损耗计算
在高压,大功率应用中,为了减小开关损耗,对驱动能力的要求更高,所以,对驱动器的驱动能力需要去提前评估。一般来说,对于一定开关频率freq下,碳化硅MOSFET的门级电荷为Qg时,其对驱动电流的要求是freq×Qg,我们可以按照这个原则去对驱动芯片驱动能力做初步筛选。
进一步的,假设所需要驱动的碳化硅MOSFET并联个数为N,每一个MOSFET的门级电荷为Qg,其门级驱动电压为VGS,则总的驱动功率为freq×N×VGS×Qg,我们可以据此进行驱动损耗的估算。
在高压及大功率应用下,一般碳化硅MOSFET的漏极的电压DV/DT会很大,可以达到150V/nS,因此对于驱动器,希望它能够驱动更高频率,以最大电流驱动器件的运行,所以一般建议保持最小的门级驱动输出电阻,同时在高压下,注意选择CMTI(Common mode transient immunity)更大的产品。特殊情况下,需要进对驱动器输出电阻行一定的优化,我们后续会介绍。
三.碳化硅MOSFET的驱动电流PCBlayout基本原则
在进行碳化硅MOSFET驱动电路时,也有一些类似于普通功率器件的layout原则需要注意,我们先来大致回顾一下。从寄生电感影响的角度来谈的话,一般地,建议将碳化硅MOSFET器件和其驱动器线路尽量靠近,这样就会减小门级驱动回路上的寄生电感。另外,尽量减小功率回路上的走线寄生电感,避免MOSFET开关在关断时产生电压尖峰和噪声。
从寄生电容影响的角度来谈的话,开关节点对地或者对固定电平地layout产生的寄生电容越大的话,会增加开关损耗,所以尽量避免在Layout时PCB层间耦合电容较大。另外,尽量减小开关节点和信号线路或者电压总线的重叠,避免通过PCB层间容性耦合影响信号线路。
从磁场干扰的角度去分析,功率电流回路会产生高频磁场干扰,磁元件也会产生高频磁场干扰,一般尽量避免磁场对敏感信号线路的重叠或者空间上靠近,确保信号线路不受干扰。涉及到驱动线路的例子,如功率开关回路和驱动信号线之间就需要注意此问题。
四.碳化硅MOSFET的并联设计考虑
大功率应用中,为了扩大功率,一般会涉及到MOSFET的并联,这在SiMOSFET的时代就是一个很成熟的用法,不管是模块电源中的低压MOSFET,还是高压大功率电源中的650V及以上的高压MOSFET。在碳化硅MOSFET上,有一些设计方面需要特殊注意,接下来,我们会进行详细讨论。
并联碳化硅MOSFET主要需要注意的问题是如何能够很好的均流,因为只有很好的均流,才能让损耗和热量均衡,不至于超过其峰值电流限定或者热保护限定。这里的均衡既包含稳态,也包含瞬态。其中涉及到的主要因素是器件个体Rdson及驱动开通门限VGS-th的差异,器件驱动电压的不平衡,PCBlayout的不对称等。
第一个不均衡的因素就是并联的碳化硅MOSFET器件的个体的导通电阻Rdson的不同导致的不均流,这会直接导致每一个器件上的电流不同,Rdson小的必然承担更大的电流,从而导通损耗不相同。计算一下,如果Rdson有20%的变化,则较小导通阻抗的MOSFET会承担1.5倍于较大导通阻抗的MOSFET的电流,所以二者的电流差异非常明显。除了导通损耗的差异,由于稳态电流差异,则其在开关切换时的关断电流也基于稳态电流有一定的差异,所以,造成一定的关断损耗差异,如图1,两个1200V的50A的碳化硅MOSFET并联测试关断损耗归一化数据,所示。这里两个器件的Vds规格,VGS-th规格基本一致,但是Rdson相差20%。

图1 高压碳化硅关断损耗不均衡测试-Rdson不同
类似于硅MOSFET的导通电阻正温度系数的特性,碳化硅MOSFET也是如此,所以温度越高,导通阻抗越大,承担电流越小,这个特性对不均衡来说,是阻碍不均衡的,原本由于Rdson不均衡承担较多电流的器件,会由于温度升高,阻抗变大,从而承担的电流减小,所以,这是一个好的方面。
导致电流不均衡的第二个因素是碳化硅MOSFET的导通门限电压VGS-th,如果并联的两个器件的导通门限不同,对于同样的驱动信号,则导通门限较小的器件先开通,而关断时这个器件后关断,这就造成在并联的不同的器件上的损耗或者能量不均衡。
而在事实上,VGS-th这个参数随温度变化是负温度系数,也就是说温度越高,导通门限越低,所以,由于VGS-th不同导致的其中一个器件偏热,随着长时间运行,这个偏热的器件,对应的VGS-th会更低,从而开关切换时间更长而变得更热,这对于不均衡来说就是一个不利的方面。所以,如果在轻载时,或者以开关损耗为主导的应用中,若VGS-th差异较大,特别容易发生热失控。

图2 高压碳化硅关断损耗不均衡测试-VGS-th不同
从上图2中,可以看到两个1200V,50A的高压碳化硅并联由于一定的VGS-th差异(700mV),而产生较大的关断损耗。VGS-th差异造成的导通损耗差异影响较小,因为Rds-on本身的正温度系数因素,这部分损耗差异可以得到一定补偿。
导致不平衡的第三个方面,主要是驱动电路方面的因素,一般的,为了减小开关损耗,希望以最快的速度开关器件,但是还要考虑门级震荡问题,门级驱动电阻Rg和驱动线路的方式,对这些问题非常重要。

图3 并联开关器件的不同门级驱动方式
门级驱动线路,一般有以上几种推荐方式,第一种共用门级电阻的方式,不考虑其它不均流因素的情况下(如Rds-on,VGS-th等),其驱动信号同时到达,因此容易均流,但是共用驱动电阻会产生的RLC谐振容易产生门级震荡。第二种方式,由于采取了分别的门级驱动电阻,不易产生门级震荡,但是由于电阻差异,容易产生电流不均衡。所以比较推荐的方式,是采用第三种方式,既有共用的门级电阻,又有分别的驱动电阻,综合第一种和第二种方式,得到比较好的效果。
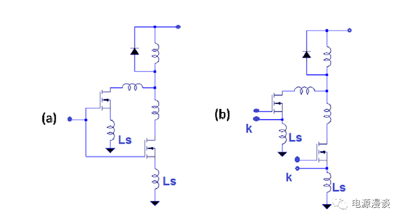
影响并联均衡的第四个因素主要是layout造成的源极和漏极寄生电感的不平衡,如图4所示,Ld和Ls分别是器件漏极和源极的寄生电感。

图4 并联器件的寄生电感
其中,Ls寄生电感,即源极寄生电感不平衡,是导致并联器件不均衡电流的主要因素,而漏极电感对漏极电压应力有比较大的影响,不在我们本次讨论范围内。所以,一般建议,尽可能地设计源极走线对称,让源极寄生电感对称,或者减小其不匹配度,以避免电流不均衡。

图5 并联器件a)无单独源极连接b)有单独源极连接
当器件进行开关切换时,较大的di/dt在源极寄生电感Ls上产生的电压会反馈给门级驱动回路,所以当不采用如图5,b所示的单独源极连接时,会产生源极电压的不平衡,会产生额外的开关损耗,也会导致一定的门级震荡电压。当采取了如图5,b所示的单独源极连接后,可以不用考虑Ls反馈电压的影响,驱动信号不会加在源极寄生电感上。

图6 开关损耗主导时的并联时器件关断损耗
在图6所示的图上,我们可知,当开关损耗占主导时,单个非并联器件的关断损耗之和是比二者并联后总关断损耗小的,从这个意义上讲,开关损耗占主导时,并联对减小损耗意义不大,但是可以有效的平均热量分布。经过上述分析,我们可知,当开关损耗占主导时,由于没有Rds-on的正温度系数的平衡作用,若发生电流不平衡,则很容易发生热失控。

图7 减小并联器件的门级震荡电压及均流电路
如果条件允许,如果没有单独的源极驱动连接时,可以在并联器件的源极增加1ohm的串联电阻,以实现动态均流,这可以减小大的漏极电流的di/dt,门级的串联电阻RGoff,可以改善由于源极不平衡寄生电感造成的寄生震荡。
五.碳化硅MOSFET的寄生开通效应及改善措施
在前一篇文章中,我们也简要分析过半桥结构的碳化硅MOSFET的门级驱动波形一般要求,会考虑用负电压去做可靠关断,以避免较小的门级导通门限的影响,及一些不期望的门级耦合尖峰电压出现导致的误开通,但是一般碳化硅MOSFET的负电压耐压规格不像硅MOSFET那么大,所以使用需要严格遵守规格且考虑一定的裕量。在具体正/负电压驱动的实施上,有多种方法可以实现,如多路隔离DC/DC电源,或者带隔离DC/DC的隔离驱动器IC等。
事实上,在用于大功率电路的典型的桥式电路拓扑中,半桥结构是基本的拓扑单元,如图8所示,当上管开通时即下管关断时,由于开关节点产生较大的dV/dT,所以这个电压会通过碳化硅寄生电容CGD耦合到门级一个电压脉冲,这个电压脉冲一旦超过MOSFET的门级开通门限VGS-th值,就会产生误开通,而我们知道VGS-th又是负温度系数变化,温度越高,门限越低,所以在高温下会恶化这一点。一旦发生下管误开通,那么势必会产生上下管的短路直通,造成损耗增加。

图8 快速的漏极dV/dT导致的米勒开通效应
对于门级的尖峰电压,分为两种情况,上管开通下管关断时,由于下管会有由低到高的快速dV/dT产生,所以如图9所示,节点电压通过CGD电容产生米勒充电电流,进而流过驱动器的输出电阻在门级产生一个正的瞬态电压,如图9所示。

图9 正的dV/dT电压产生正的门级尖峰

图10 负的dV/dT产生反向门级尖峰
门级尖峰的另一种情况,是当上管关断即下管开通时,开关节点产生由高到低的dV/dT,因此会产生反向的米勒充电电流,进而流过驱动器的输出电阻,在门级产生负的电压尖峰,这种情况需要注意负电压尖峰是否超过负电压耐压规格。

图11 器件寄生电容导致的正负门级尖峰电压
从图11上所知,下管驱动信号开通前的门级震荡主要是负电压,这部分电压主要考虑对门级负电压规格的限制,而下管驱动信号关断后的门级震荡主要是正电压,这部分电压主要会造成半桥短路问题,所以需要重点考虑。
寄生效应开通的原因我们解释清楚了,那么,抑制这种效应的方式有哪些呢?通常来说,寄生效应开通是由于漏极的dV/dT较大而引起,所以限制dV/dT的变化率是一种抑制寄生开通效应的方式,但是这又和减小开关损耗的目标相矛盾。
另外,在外部因素上,选择低下拉电阻的驱动器及设置低关断电阻RGoff,这样可以让米勒电流通过较低的阻抗通路,减小感应电压的幅值。当然,像前一篇文章提到的,假如采用负电压门级关断电压,也可以有效避免下管误开通。

图12 低阻抗关断回路电阻
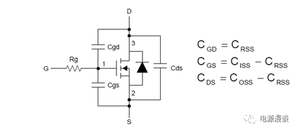
在器件本身上做文章,比如选择CGS电容远大于CGD电容的碳化硅MOSFET,这样通过米勒电容的电流给门级电容充电就变得比较弱,如图13所示,当然,也可以人为在门级并联一个小电容,以减小米勒电容对门级电容的充电效应,如图14所示,但是也会带来更多的开关及驱动损耗。公开数据表明,高压应用下,CGS和CGD的比例会比低压应用下更大,所以更利于高压应用。

图13MOSFET寄生电容示意图

图14 增加门级电容避免寄生开通
另一种有效的方法是,采用米勒钳位电路,当检测到门级电压关断尖峰后,开启米勒钳位电路,将门级电压钳位到GND,从而米勒电流不会通过驱动器输出电阻将门级电压抬高,这样就可以使用0V电压关断碳化硅MOSFET,不需要使用负压关断,如图15所示,为VCLAMP电路,一般这部分电路可以集成在驱动芯片中。

图15 米勒钳位电路
六.碳化硅MOSFET在短路保护上的考虑
碳化硅MOSFET的一个重要的参数是短路耐受时间(SCWT),由于这个参数涉及到器件安全,所以需要引起重视。由于碳化硅MOSFET的高电流密度,其芯片占用很小的面积,因此其短路耐受时间小于硅MOSFET,所以需要进行及时保护。
对于1个1200V耐压的TO247封装的碳化硅MOSFET,在700V的条件下,18V VGS驱动电压,其短路耐受时间为8-10uS左右。在如此短时间内关断碳化硅MOSFET的话,在漏极会引起非常大的dI/dT,从而导致大的漏极电压尖峰,为了减小电压尖峰,发生短路大电流时,一般建议慢速关断VGS电压。
具体实施上,一般通过电流采样电阻进行精确采样,对发生短路的碳化硅MOSFET实施退饱和动作,但是这么做的缺点是造成额外损耗,并且采样电路会增加PCB空间,所以仅仅用于小功率的应用,如图16所示。在大功率应用中,一般使用Vds电压作为采样电压去触发过流保护,对器件进行退饱和,但是这种方式精度没有那么高,因为通过Rdson采样电流得到的Vds具有一定的变化范围,如图17所示。

图16 采用Shunt电阻采样的过流保护电路

图17 采样Vds电压采样的过流保护电路
采用Vds采样设计过流保护电路是一个很讲究的事情,因为需要同时兼顾触发保护的及时性,也要避免误触发,对于前者,需要考虑Rdson的最差情况,以及温度等因素。
典型的检测退饱和的时间,一般是在电路开通之后250n-500nS左右检测到信号,而保护关断需要400n-1500nS左右的时间,事实上,需要在未发生饱和时(或者说还未达到电流峰值前),就需要能够检测到电流信号,而不能等到发生饱和时再检测电流信号。
七.碳化硅MOSFET功率器件封装上的考虑
在高压,大功率应用中,会用到如TO220或者TO247等插件封装,因此在使用中,尽可能减小pin脚长度,以减小器件封装带来的寄生电感。
如前面碳化硅MOSFET并联设计中讨论过的一点,通过MOSFET源极单独接线到驱动回路会显著减小开关损耗。究其原因,是由于源极寄生电感会减缓开通过程或者关断过程,增加开关损耗。所以,一般来说,TO247-4的封装会比TO247的封装开关损耗小30%。
具体分析这个过程,我们以半桥的上管为例,如图18所示(将图8搬到此处),当开关导通时,电流为从上到下,且逐步增加,则源极感应电压为上正下负,这个电压会让门级驱动电压减小,因此会减缓开通过程。同样的,当上管关闭时,电流为从上到下,且逐步减小,所以源极感应电压为下正上负,这会增加源极驱动电压,因此会减缓关断过程。这两个状态都会增加开关损耗,因此如果对开关损耗占主导或者较大,则考虑用TO247-4的封装。

图18 源极寄生电感对开关损耗的影响
从封装图上看,如图19所示,TO247-4的封装有一个单独的源极的连接pin3,它和Gate pin相邻,方便施加驱动信号,而漏极pin1和源极pin2的间距很大,这里需要承受Vds高压。而TO247的pin脚安排相对简单,G门级,D漏极,S源极顺序排列。

图19 TO247-4的碳化硅MOSFET封装

图20 TO-247的碳化硅MOSFET封装
通过以上七部分内容的讨论,从隔离驱动的基本要求,到驱动损耗计算,从单管寄生开通效应,到多管并联实施,以及相应的layout原则,最后从封装上提醒了若干注意事项。希望大家能对碳化硅MOSFET驱动电路方面的理解更加透彻,方便在实际方案中实施,以充分发挥碳化硅MOSFET的性能。

