
一.碳化硅器件的性能优势
碳化硅(SiC)是由碳元素和硅元素组成的一种化合物半导体材料,是制作高温、高频、大功率、高压器件的理想材料之一。相比传统的硅材料(Si),碳化硅的禁带宽度是硅的3倍;导热率为硅的4-5倍;击穿电压为硅的8-10倍;电子饱和漂移速率为硅的2-3倍,满足了现代工业对高功率、高电压、高频率的需求,主要被用于制作高速、高频、大功率及发光电子元器件,下游应用领域包括智能电网、新能源汽车、光伏风电、5G通信等领域,在功率器件领域,碳化硅二极管、MOSFET已经开始商业化应用。


碳化硅器件有更耐高压,在开关频率、散热能力和损耗等指标上也远好于硅基器件。除了禁带宽度更宽,碳化硅材料还具有更高的饱和电子迁移速度、更高的热导率和更低的导通阻抗,碳化硅器件相比于硅基器件的优势体现在:阻抗更低,可以缩小产品体积,提高转换效率;频率更高,碳化硅器件的工作频率可达硅基器件的10倍,而且效率不随着频率的升高而降低,可以降低能量损耗;能在更高的温度下运行,同时冷却系统可以做的更简单。
行业方案数据,一款5kW的LLC DC/DC转换器,其电源控制板由碳化硅器件替代硅基器件后,重量从 7kg减少到0.9kg,体积从8755cc降低到1350cc。碳化硅器件尺寸仅为同规格硅器件的1/10,碳化硅MOSFET系统能量损失小于硅基IGBT的1/4,这些优势也能够为终端产品带来显著的性能提升。相同的电池搭载了碳化硅MOSFET的电动车比使用硅基IGBT的电动车续航里程增加了5%~10%。


碳化硅器件优势总结
碳化硅产业链主要包括衬底、外延、器件设计、制造、封测等环节。碳化硅从材料到半导体功率器件会经历单晶生长、晶锭切片、外延生长、晶圆设计、制造、封装等工艺流程。在合成碳化硅粉后,先制作碳化硅晶锭,然后经过切片、打磨、抛光得到碳化硅衬底,经外延生长得到外延片。外延片经过光刻、刻蚀、离子注入、金属钝化等工艺得到碳化硅晶圆,将晶圆切割成die,经过封装得到器件,器件组合在一起放入特殊外壳中组装成模组。

产业链上游:衬底—晶体生长为最核心工艺环节碳化硅衬底约占碳化硅器件成本的47%,制造技术壁垒最高、价值量最大,是未来SiC大规模产业化推进的核心。从电化学性质差异来看,碳化硅衬底材料可以分为导电型衬底(电阻率区15~30mΩ·cm)和半绝缘型衬底(电阻率高于105Ω·cm)。

这两类衬底经外延生长后分别用于制造功率器件、射频器件等分立器件。其中,半绝缘型碳化硅衬底主要应用于制造氮化镓射频器件、光电器件等。通过在半绝缘型碳化硅衬底上生长氮化镓外延层,制得碳化硅基氮化镓外延片,可进一步制成HEMT等氮化镓射频器件。

导电型碳化硅衬底主要应用于制造功率器件。与传统硅功率器件制作工艺不同,碳化硅功率器件不能直接制作在碳化硅衬底上,需在导电型衬底上生长碳化硅外延层得到碳化硅外延片,并在外延层上制造肖特基二极管、MOSFET、IGBT等功率器件。
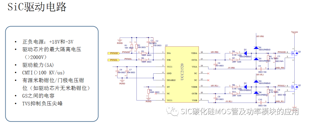
三.碳化硅器件驱动电路设计建议
碳化硅器件的驱动选型与设计,成为发挥SiC MOSFET特性优势的关键环节。由于SiC产品与传统硅IGBT或者MOSFET参数特性上有所不同,并且其通常工作在高频应用环境中,为SiC MOSFET选择合适的栅极驱动芯片,需要考虑如下几个方面:
1. 驱动电平与驱动电流的要求
由于SiC MOSFET器件需要工作在高频开关场合,其面对的由于寄生参数所带来的影响更加显著。由于SiC MOSFET本身栅极开启电压较低,在实际系统中更容易因电路串扰发生误导通,因此通常建议使用栅极负压关断。

虽然SiC MOSFET具有较小的栅极电容,所需要的驱动功率相对于传统IGBT显著较小,但是驱动电流的大小与开关器件工作速度密切相关,为适应高频应用快速开通关断的需求,需要为SiC MOS选择具有较大峰值输出电流的驱动芯片,并且如果输出脉冲同时兼具足够快的上升和下降速度,则驱动效果更加理想,这就意味着要求驱动芯片的上升与下降时间参数都比较小。
2.满足较短死区时间设定的要求
在桥式电路结构中,死区时间的设定是影响系统可靠运行的一个关键因素。SiC MOSFET器件的开关速度较传统IGBT有了大幅提高,许多实际使用都希望能因此进一步提高器件的工作频率,从而提高系统功率密度。这也意味着系统设计中需要较小的死区时间设定与之匹配,同时,选择较短的死区时间,也可以保证逆变系统具有更高的输出电压质量。
死区时间的计算,除了要考虑开关器件本身的开通与关断时间,尤其是小电流下的开关时间之外,驱动芯片的传输延时也需要考量。尤其对于本身开关速度较快的开关器件,芯片的延时在死区设定的考量中所占的比重更大。另外,在隔离型驱动设计中,通常采用的是一拖一的驱动方式,因此,芯片与芯片之间的参数匹配差异,也需要在死区设定时一并考量。要满足较小死区时间的要求,选择驱动芯片时,需要相应的参考芯片本身传输延时时间参数,以及芯片对芯片的匹配延时。
3.芯片所带的保护功能
1)短路保护
SiC MOSFET与传统硅MOSFET在短路特性上有所差异,不同型号SiC MOSFET短路承受能力存在差异,但短路保护响应时间越短越好。借鉴IGBT退饱和检测方法,根据开关管输出特性,SiC MOSFET漏源极电压大小可反映电流变化。与硅IGBT相比,SiC MOSFET输出特性曲线的线性区及饱和区没有明显过渡,发生短路或过流时电流上升仍然很快,这就意味着保护电路需要更快的响应速度来进行保护。
针对SiC MOSFET的短路保护需求,需要选择检测速度快,响应时间短的驱动芯片进行保护电路设计。
此外,根据IGBT的设计经验,每次开通时,需求设定一段消隐时间来避免由于开通前期的Vce电压从高位下降所导致的DSAET误触发。消隐时间的需要,又对本只有3us的SiC MOSFET的短路保护电路设计提出更严苛的挑战,需要驱动芯片的DESAT相关参数具有更高的精度,以实现有效的保护设计。同时,也需要更优化的驱动电路的PCB设计,保证更小的环路寄生电感的影响。
2)有源米勒箝位
SiC MOSFET的栅极开启电压较低,加上其寄生电容小,它对驱动电路寄生参数的影响也更加敏感,更容易造成误触发,因此常推荐使用负压进行关断。但同时,由于SiC MOSFET所能承受的栅极负压范围较小,过大的负向电压尖峰可能击穿开关管,某些厂家提出推荐较高的负压关断,甚至0v关断。此种情况下,为保证器件在关断期间不因米勒效应发生误触发,可以使用带有有源米勒箝位功能的驱动芯片进行设计。
4. 芯片抗干扰性(CMTI)
配合SiC MOSFET使用的驱动芯片,处于高频应用环境下,这要求芯片本身具有较高的抗干扰度。常用于评估驱动芯片抗扰度的参数为CMTI。现行标准中,对磁隔离型驱动芯片抗扰性地测量方法,兼顾了电压上升延与下降延dv/dt,这与实际SiC MOSFE开通和关断都非常迅速的工作特性非常相似,因此CMTI参数可以作为衡量用于驱动SiC MOSFE的驱动芯片抗扰度的技术参考。




四.碳化硅MOS管封装分类

按照安装在PCB板上的方式来划分,MOS管封装主要有两大类:插入式和表面贴装式。
插件封装主要有 :TO-247-3、TO247-4、TO220F 。
插件碳化硅MOSFET产品是市场通用器件,可用于各种PFC和桥式整流电路,应用市场主要包括:汽车OBC、DC-DC、充电桩、空调变频器、光伏逆变器、UPS、大功率LED电源、通信电源、各种工业设备电源等,功率从几百瓦到几百千瓦不等。


贴片封装主要有:DFN5×6、DFN8×8、TO-263-7、TOLL.
贴片封装碳化硅MOSFET产品,主要用于各种小功率电源PFC电流或其他整流电路,功率范围主要在0~3000W,电视电源、家电电源、手机适配器、电脑适配器、新能源汽车DC-DC转换器、小功率OBC、微型逆变器等。
五.碳化硅器件的应用优势案例









当前的SiC技术已经相当成熟,可以适用在从千瓦到兆瓦功率的工业应用范围中,影响了能源、工业和汽车等众多领域。由于SiC器件运作时的温度较低,及较小的磁性器件,因此在系统中所需的热管理和电源器件的尺寸更小、重量更轻、成本更低,从而降低了整体BOM成本,同时也实现了更小的占用空间。
随着SiC技术的快速发展,在电力传输系统也开始大量采用SiC解决方案,特别在ESS应用中,像是电动汽车充电系统,以及利用电池储存电能的太阳能系统。这些系统中的DC/DC升压转换器、双向逆变器(交流电和直流电互相转换)、电池充电电路,都可以采用SiC技术的器件,将可提升3%的系统效率,以及提高50%的功率密度,并减少无源器件的体积和成本。

声明:此文来源网络,是出于传递更多信息之目的。若有来源标注错误或侵犯了您的合法权益,请与我们联系,我们将及时更正、删除,谢谢。

