文章来源:广东电力(冯静波1,客金坤1,彭晗2,辛晴2,许航宇2,薛泓林3)
(1. 先进输电技术国家重点实验室(国网智能电网研究院有限公司);2.华中科技大学 电气与电子工程学院;3. 国网山西省电力公司信息通信分公司)
摘要:为了改善碳化硅功率器件的快速开关瞬态带来的串扰问题,研究碳化硅功率器件的驱动参数对串扰问题的影响,总结抑制串扰的驱动策略,并提出串扰抑制的谐振型驱动方法。首先,明确米勒电容和共源极电感的耦合作用,分析得到半桥结构中碳化硅功率器件的串扰机理;其次,通过LTspice仿真研究碳化硅功率器件驱 动器的栅极电阻和栅源电容对串扰的影响;然后,提出抑制串扰的驱动策略和谐振型驱动方法;最后,通过双 脉冲测试电路实验观测串扰影响,并对比分析所提方法与有源米勒钳位方法的实验结果。研究结果表明:在开通串扰下,有源米勒钳位方法下的栅源电压负尖峰为-13.2 V,串扰抑制的谐振型驱动方法下的电压负尖峰仅 为-7.3 V;在关断串扰下,有源米勒钳位方法下的栅源电压正尖峰为-2.4 V,串扰抑制的谐振型驱动方法下的电压正尖峰仅为-3.81V。上述结果验证了所提方法的有效性。
关键词:碳化硅功率器件;米勒电容;共源极电感;驱动策略;有源米勒钳位;谐振驱动
随着功率半导体器件的快速发展,以碳化硅为核心材料的第三代宽禁带半导体功率器件因其开关速度快、导通电阻低、热导率高而成为高效率、高功率密度变换器的热门选择。以碳化硅金属氧化物半导体场效应晶体管(SiC MOSFET)为代表的碳化硅功率器件已广泛应用于各行业领域,如航空航天电源、无线电力传输、电动汽车驱动和电网连接转换器。在电力系统方面,随着我国“双碳”战略的稳步推进,分布式发电 系统在电网中占比逐渐提高,高压碳化硅功率器件 将拥有巨大的应用前景。
碳化硅功率器件快速开关的优势有利于降低开关损耗、缩短死区时间并提高系统的功率密度, 但过快的开关速度也更容易导致电压、电流过冲和电磁干扰(EMI)问 题。过冲超过碳化硅功率器件的极限耐压值 时,会对系统设备造成不可逆的损坏,从而降低碳 化硅功率变换器的可靠性。此外,由于碳化硅功率器件的寄生电容(米勒电容)和寄生电感(共源极电感)跨接在驱动回路与功率回路之间,在桥式结构中碳化硅器件的快速开关过程极易引起相互间的栅源极电压串扰问题。碳化硅功率器件的栅 源极结电容小,栅漏极结电容相对不变,串扰问题 更加严重,并且其漏极电流变化率大,共源极电感 的影响不能忽略。在串扰影响下,碳化硅功率器件在过低的栅源电压下会被击穿损坏,在栅源电 压超过阈值电压后误导通,从而导致桥臂直通的事故。随着碳化硅功率器件工作温度的提高,串 扰现象将更加明显。因此,当碳化硅功率器件用于桥式电路中时,克服器件高速动作引发的串扰 问题成为一个必须评估的关键因素。
碳化硅功率器件的驱动器是连接功率器件和驱动控制信号的桥梁,对功率器件的开关瞬态有显著影响。为了抑制碳化硅功率器件的串扰问题,已有许多研究基于栅极驱动器提出抑制串扰的方法。
对米勒电容作用下的串扰抑制方法有:通过电阻电容二极管电平变换器提供负的栅源电压可有 效降低串扰下的栅源电压正尖峰来防止碳化硅功率器件误导通;通过PNP型双极结型晶体管串联 电容,在栅源之间提供低阻回路,可有效抑制串扰 下的栅源电压正尖峰;通过有源晶体管对栅源电容预充负电荷来抑制串扰下的栅源电压正尖峰,通过构建低阻回路来抑制串扰下的栅源电压负 尖峰;通过构建多电平的栅极驱动来抑制碳化 硅功率器件的串扰问题,利用负的栅极电压 来抑制串扰下的栅源电压正尖峰,利用栅极的零电 压来抑制串扰下的栅源电压负尖峰。
对共源极电感作用下的串扰的抑制方法有:通 过控制有源晶体管使驱动回路开路,构建高阻的驱动回路来抑制共源极电感带来的串扰影响;在共源极电感上并联大的电容,旁路流经共源极电感的电流。
现有研究对米勒电容作用下的串扰抑制提出了很多方法,但针对共源极电感作用下的串扰抑制的研究相对较少。因此,本文较为系统地研究碳化硅功率器件的串扰问题,并提出串扰抑制的谐振型驱动方法。首先,介绍半桥结构中的串扰机理,明确米勒电容和共源极电感在开、关瞬态下的串扰影响。其次,为了更好地研究抑制串扰的 方法,基于LTspice仿真分析驱动参数对串扰的影响。然后,总结抑制串扰的驱动策略,并提出串扰抑制的谐振型驱动方法。最后,通过双脉冲测试实验分别观测有源米勒钳位方法和所提方法的串扰抑制效果。
1 串扰机理
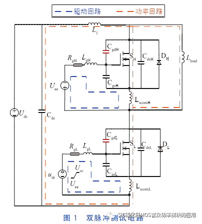
双脉冲测试电路如图1所示,其中:SH和SL为碳化硅功率器件;CgsH、CgdH、CdsH分别为SH的栅源极电容、米勒电容、漏源极电容(其值分别为CgsH、CgdH、Cds H);RgH、LgH分别为SH驱动侧栅极电阻、栅极电感;LscomH为SH的共源极电感(其 值为Lscom H);CgsL、CgdL、CdsL分别为SL的栅源极电容、米勒电容、漏源极电容(其值分别为CgsL、 CgdL、CdsL);RgL、LgL分别为SL驱动侧栅极电阻、栅极电感;LscomL为SL的共源极电感(其值为 LscomL);Udc、Cdc分别为母线电压、母线电容; Lload为负载电感;L1为回路杂散电感;udr为栅 极驱动电源电压;Uee为负栅极驱动电压;Ucc为 正栅极驱动电压;DH、DL分别为SH、SL的体二极管。

由图1可知,米勒电容Cgd和共源极电感Lscom跨接在碳化硅功率器件的驱动回路与功率回路之间,使得功率回路的瞬态变化通过米勒电容和共源极电感耦合到栅极驱动回路。图2为SL开、关瞬 态过程对SH的串扰(以下分别简称“开通串扰”“关 断串扰”)波形,其中:ugsL、idsL、udsL分别为SL的栅源电压、漏极电流、漏源电压;ugsH为串扰下的SH的栅源电压;idsH、udsH分别为SH的漏极电流、漏源电压;Io为负载电流。

开通串扰分析如下:SL开通的第1阶段(t0—t1):在t0时刻,SL 的驱动信号从低电平变为高电平,ugs L从Uee开始 逐渐上升。在这个阶段ugsL始终低于碳化硅功率器件的阈值电压Uth,因此SL处于关断状态。负载电流Io通过SH的体二极管DH续流,idsL和 udsL保持不变,此时对SH没有串扰。该阶段SL的栅源电压ugsL、栅极电流igL表达式为:


SL开通的第2阶段(t1—t2):ugs L上升到Uth 之后,碳化硅功率器件的沟道开始导通,idsL开始上升。负载电流Io从DH换流到SL的沟道,在换 流过程中会在LscomH上产生压降,进而引起SH的CgsH电压下降。这个阶段SH的等效电路如图3所示。在串扰过程中将LscomH的影响等效为LscomH· dids L/dt的电压源。该阶段SL的电压、电流表达式为:


SL开通的第3阶段(t2—t3):idsL上升到负载电流Io之后,udsL开始快速下降。udsL迅速下降导致udsH迅速上升,快速的电压变化使得CgdH产生位移电流给CgsH充电,进而使得CgsH电压上升。这个阶段SH的等效电路如图4所示。在串扰过程中将CgdH等效为CgdH·dudsH/dt的电流源。该阶段SL的电压、电流表达式为:


SL开通的第4阶段(t3—t4):ugs L继续上升到驱动电压Ucc。这个阶段idsL和udsL保持不变, 对SH没有串扰。该阶段SL和SH的电压、电流表达式见式(1)—(3)。
关断串扰与开通串扰类似。在SL关断的米勒平台阶段(t6—t7),udsL迅速上升使得uds H迅速下降,此时位移电流的流向与开通串扰时的流向相 反,CgsH的电压ugsH下降。在SL关断的电流换向 过程中(t7—t8),负载电流逐渐从SL的沟道换流 到SH的体二极管DH,在Lscom H上产生的压降也与开通时的电压方向相反,因此关断串扰下CgsH的 电压ugsH上升。
2 驱动参数影响串扰的仿真研究
在明确碳化硅功率器件的串扰机理后,需要 研究驱动参数对串扰的影响,以便于提出抑制串扰的驱动策略。本节以开通串扰为例,在 LTspice中搭建如图1所示的双脉冲测试电路,选用CREE公司的C3M0030090K型碳化硅功率器件作为SH和SL。LTspice仿真中的关键参数见表1。为了在SL开关速度不变的条件下研究SH驱动回路的阻抗关系对串扰问题的影响,在此仅改变SH的栅极电阻RgH和栅源极电容CgsH进行仿真研究。

2.1 栅极电阻影响串扰的仿真研究
通过增大SH驱动器的外加栅极电阻RgextH来研究其对串扰的影响。取LscomH=0,通过LTspice仿真得到不同RgextH下的ugsH波形,如图5所示。从图5可以看出,在RgextH从0增大到12 Ω后,ugsH在CgdH串扰下的电压正尖峰ugsH3on从-1.043V 增大到-0.074 V。因此,增大栅极电阻会加剧 CgdH作用下的串扰。

取Lscom H=2nH,通过LTspice仿真得到不同Rgext H下的ugsH波形,如图6所示。从图6可知, 在RgextH从0增大到12Ω后,ugsH在LscomH串扰下的电压负尖峰ugs H2on从-7.69 V抑制到-6.13 V。因此,增大栅极电阻可以有效抑制LscomH作用下的串扰。

2.2 栅源极电容影响串扰的仿真研究
通过增大SH驱动器的外加栅源极电容CgsextH来研究其对串扰的影响。取Lscom H=0,通过LTspice仿真得到不同CgsextH下的ugsH波形,如图7所示。从图7可以看出,随着CgsextH的增大,ugsHon3 不断减小。当CgsextH为0时,ugsHon3=-0.544 V;当 CgsextH=4.7nF时,ugsHon3=-1.714 V。因此,增大栅源极电容可以有效抑制CgdH作用下的串扰。

取Lscom H=2nH,通过LTspice仿真得到不同CgsextH下的ugsH波形,如图8所示。在CgsextH从0 增大到4.7nF后,ugsH在LscomH串扰下的电压负尖峰ugsH2on从-7.714 V抑制到-6.2 V。因此,增大栅源极电容可以有效抑制LscomH作用下的串扰。

通过增大SH的栅极电阻和栅源极电容对串扰的影响研究可以发现:增大栅极电阻可以有效抑制共源极电感作用下的串扰,但会恶化米勒电容作用下的串扰;增大栅源极电容可以同时抑制共源极电感和米勒电容作用下的串扰。
3 串扰抑制的谐振型驱动方法
在明确串扰机理和驱动参数对串扰问题的影响后,从驱动回路阻抗和驱动电平2个角度提出抑制 串扰的驱动策略,如图9所示。

a)通过调整驱动回路阻抗抑制串扰。增大栅极驱动回路阻抗可以有效抑制共源极电感作用下的串扰,可通过增大栅极驱动电阻或将栅极驱动回路开 路的方式增大栅极驱动回路阻抗,进而抑制共源极 电感作用下的串扰。减小栅极驱动回路阻抗可以有 效抑制米勒电容作用下的串扰,可通过减小栅极驱动电阻或在栅极和源极之间并联大电容的方式来提供低阻回路,减小流经栅源极电容的位移电流,进 而抑制米勒电容作用下的串扰。
b)通过调整驱动电平抑制串扰。在共源极电感作用下的开通串扰和米勒电容作用下的关断串扰,都会引起栅源电压降低,可通过提高栅极驱动 电平来抑制串扰下的栅源电压负尖峰。在米勒电容作用下的开通串扰和共源极电感作用下的关断串扰,都会引起栅源电压的升高,可通过降低栅极驱 动电平来抑制串扰下的栅源电压正尖峰。
带有有源米勒钳位的常规驱动电路拓扑如图10所示,S1、S2、Sclamp为控制开关管,在器件处于关断状态时通过Sclamp进行有源米勒钳位。然而当SH受到串扰时,有源米勒钳位方法可以有效抑制米勒电容作用下的串扰,但会加剧共源极电感作用下的串扰。

除了常规驱动外,谐振驱动也备受欢迎。谐振 驱动采用谐振电感来代替常规驱动中的驱动电阻, 能够极大地降低驱动损耗。谐振驱动的驱动速度主要由谐振模式和谐振电感器决定。针对碳化硅功率器件在桥式电路中的串扰问题,本研究 发现谐振驱动具有串扰抑制的天然优势,因此在不影响器件驱动速度的前提下提出串扰抑制的谐振型驱动方法,以同时实现对米勒电容和共源极电感作用下的串扰抑制。常用谐振驱动的电路拓扑如图 11所示,对应的谐振驱动波形如图12所示,其 中:S1—S4为控制开关管;Lr为谐振电感(其值为 Lr);i Lr为谐振电感Lr的电流;Cgs为栅源极电 容,Cgd为米勒电容,Cds为漏源极电容,Rg为栅 极电阻,Lscom为共源极电感。

将S1导通,Lr与Cgs进行谐振,直至ugs上 升至Ucc。在此过程中谐振电流ilr和电压ugs分别为:

式中:α为阻尼系数;ω0为无阻尼谐振角频率; ω为有阻尼谐振角频率;β为初相角。在ugs上升 到Ucc后,关断S1并导通S3,使碳化硅功率器件 的栅源电压钳位在Ucc。当进行谐振关断时,关断 S3并导通S2。Lr与Cgs进行谐振,直至ugs下降 到Uee。关断S2并导通S4,使碳化硅功率器件的 栅源电压钳位在Uee。
谐振驱动下的碳化硅功率器件受到串扰影响时,可利用谐振驱动的天然优势来进行串扰抑制。在SL谐振开通的过程中,为了抑制LscomH作用下 的串扰,将SH驱动侧的谐振电感LrH串入驱动回路中,通过增大驱动回路阻抗来减小流经CgsH的电流icgsH,进而抑制SH的栅源电压变化,如图13 (a)所示。为了抑制Cgd H作用下的串扰,构建如图 13(b)所示的低阻回路,进而减小流经Cgs H的位移 电流,从而达到抑制串扰的目的。在SL关断瞬态 下,SH抑制Lscom H作用下的串扰的方法如图13(a) 所示,SH抑制Cgd H作用下的串扰的方法如图13 (b)所示。

由此可见,谐振驱动可同时提供高的驱动回路阻抗来抑制共源极电感作用下的串扰和低的驱动回路阻抗来抑制米勒电容作用下的串扰。
4 串扰抑制结果验证
对ROHM Semiconductor公司的1700V/250A的碳化硅功率模块BSM250D17P2E004进行串扰抑制的实验。由于该功率模块采用卡尔文源极的连接方式,共源极电感非常小,其作用下的串扰影响可忽略。搭建双脉冲测试实验样机如图14所示。

采用Murata公司的隔离电源MGJ6T24150505MC 为碳化硅功率模块提供20 V和-5 V的栅极驱动电压。采用Texas Instruments公司的驱动芯片 UCC21710来驱动碳化硅功率模块,并提供有源米勒钳位的保护功能。通过双脉冲测试实验来观测 SL开关瞬态对SH的串扰影响。
在图15所示的双脉冲测试实验平台中,采用Tektronix公司带宽为200 MHz的光隔离探头 TIVH02测量SH和SL的栅源极电压ugs H和u gs L,带宽为200 MHz的高压差分探头THDP0200测量SL的漏源极电压uds L,高带宽的PEM罗氏线圈 CWT6测量SL的漏极电流ids L。

在Udc=600 V、Io=45 A的条件下进行测试。SL开通瞬态对SH的串扰影响如图16所示。未采用 任何串扰抑制的措施时,在uds L迅速下降的过程中, ugs H在串扰影响下会从-5 V不断上升,对应ugs H 的电压正尖峰ugs H3on为0.1 V。当采取有源米勒钳 位的串扰抑制方法时,ugs H3on仅为-4.34 V,相比 没有串扰抑制下的0.1 V有极大改善。

SL关断瞬态对SH的串扰影响如图17所示。未采用任何串扰抑制的措施时,uds L迅速上升的过 程中,ugs H在串扰影响下从-5 V不断下降,对应ugs H的电压负尖峰u gs H2off为-6.1 V。当采取有源米勒钳位的串扰抑制方法时,ugs H2off仅为-4.3 V,相比没有串扰抑制下的-6.1 V有极大改善。

在SL开通瞬态下对应的ugsL、idsL、udsL及谐 振电感的电流iLrL、SH的栅源电压ugsH如图18所 示。对比采用有源米勒钳位方法、串扰抑制的谐振 型驱动方法的串扰抑制结果,在采用有源米勒钳位方法进行串扰抑制时,LscomH在idsL上升时会使 ugsH从-5 V下降到-13.2 V,如图18中蓝色曲线所示。这种过低的负压很容易造成碳化硅功率器件的击穿损坏。串扰抑制的谐振型驱动方法的ugsH如橙色曲线所示,对应ugsH的电压负尖峰只有 -7.3 V,明显抑制了LscomH带来的串扰影响。同时ugsH的电压正尖峰为0.3 V,和碳化硅功率器件 的阈值电压还有较大差距。


在SL关断瞬态下对应的ugsL、idsL、udsL、 iLrL、ugsH波形如图19所示。在此关断过程中idsL下降和udsL上升阶段几乎重合,表现为LscomH和 CgdH的串扰叠加效果。当采取有源米勒钳位方法进行串扰抑制时,ugsH的电压正尖峰为-2.4 V, 如图19中蓝色曲线所示。当采用串扰抑制的谐振 型驱动方法时,ugs H的电压正尖峰为-3.81 V,图18 SL开通瞬态下2种串扰抑制方法的结果对如图19中的橙色曲线所示。相较于有源米勒钳位方法,本文所提方法的串扰抑制效果更好。
5 结论
本文基于碳化硅功率器件串扰机理的理论分析和驱动参数影响串扰的仿真研究,总结出抑制串扰 的驱动策略。相较于常用的有源米勒钳位串扰抑制 方法,本文提出了一种能够同时抑制米勒电容和共 源极电感串扰的谐振型驱动方法,并通过实验进行 结果验证。具体结论如下:
a)除了米勒电容在漏源极电压变化的瞬态下会 引起串扰外,共源极电感在漏极电流变化的瞬态下 也会引起串扰,且两者的串扰效果相反。
b)增大被串扰器件的栅极电阻可有效抑制共 源极电感作用下的串扰影响,但是会恶化米勒电容 作用下的串扰;增大被串扰器件的栅源极电容可同 时抑制米勒电容和共源极电感作用下的串扰。
c)本文所提的串扰抑制的谐振型驱动方法能够 同时抑制米勒电容和共源极电感作用下的串扰,且 比有源米勒钳位方法的串扰抑制效果更好。
声明:此文来源网络,是出于传递更多信息之目的。若有来源标注错误或侵犯了您的合法权益,请与我们联系,我们将及时更正、删除,谢谢。


有用