-
资料下载|轴向磁通永磁无刷电机
以下两份文档均聚焦于轴向磁通永磁(AFPM)无刷电机领域,内容专业且系统,可满足该领域学习、研究与工程设计的需求,具体内容如下: 文档 1 该文档是轴向磁通永磁无刷电机领域的综合性专业资料,内容覆盖该类电机从基础理论到实际应用的全链条知识,结构清晰且实用性强,核心内容包括: 1. 基础引入(引言章节) 明确文档研究范围(仅聚焦盘式转子结构的 AFPM 电机,不含横向磁通等其他拓扑),对比 AFPM…... 兔兔萝卜
- 0
- 0
- 82
-
资料下载|电动汽车整车动力参数匹配设计计算小工具
1、电动汽车整车动力参数匹配设计计算,电动汽车整车参数,新能源汽车电机设计工具外特性曲线,电机外特性曲线绘制,集成matlab界面小程序。内容:已知电动汽车整车参数,求解电机主要工作点,并绘制外特性曲线。电动汽车动力系统匹配计算模型:输入整车参数及性能要求,一键生成驱动系统的扭矩功率峰值转速等参数。2、整车动力经济性计算模型:包含NEDC/WLTC/CLTC工况,输入整车参数可生成工况电耗、百公里…... 兔兔萝卜
- 1
- 7
- 153
-
资料下载|旋转变压器软件解码simulink仿真
附件提供了旋转变压器软件解码的simulink仿真资源,主要包含电机角度和速度的测量方法。通过这个资源,您可以深入了解旋转变压器的工作原理和软件解码技术,并在simulink环境中进行仿真实验。以下是资源文件的简要说明:● 标题:旋转变压器软件解码simulink仿真● 描述:旋转变压器软件解码,simulink仿真 电机角度和速度测量该资源适用于电气工程及相关专业的学者和技术人员,尤其适合对旋转…... 电车小子
- 1
- 8
- 90
-
资料下载|采用死区补偿算法的PMSM双闭环矢量控制仿真
采用死区补偿算法的PMSM双闭环矢量控制仿真 参考文献:《基于死区补偿的永磁同步电动机矢量控制系统研究王文韬》 《矢量控制电动执行器死区补偿新方法张冀》《一种新颖的电压源逆变器自适应死区补偿策略_周华伟》 模型 模型 文档... 兔兔萝卜
- 1
- 11
- 213
-
资料下载|电动汽车电机诊断培训资料与电机控制器标定开发
包含电驱控制技术、过调制、零位标定、MTPA、MTPL、驾驶性控制、扭矩矢量控制、主动加热、脉冲加热、转子温度估算、功能安全诊断、谐波控制、降噪控制、800V高压系统,该资料为培训教程,总共391页,不包含培训视频。 1. 电驱及控制系统概述 2. 现代电驱控制技术 3. 现代电驱控制技术的实际应用 4. 驾驶性控制 5. 电驱扭矩矢量控制 6. 热管理 7. 噪音控制 8. 电驱系统诊断开发 9…... 电车小子
- 0
- 21
- 454
-
资料下载|PMSM永磁同步电机参数辨识仿真
PMSM永磁同步电机参数辨识仿真,适用于表贴式,内嵌式永磁同步电机:辨识内容:① 定子电阻;② DQ电感辨识(脉冲电压法);③ 转子磁链辨识;上述算法,是在实践工程中提炼出的算法,无复杂的矩阵计算,无复杂的滤波算法。带文档说明!!!... 电车小子
- 1
- 8
- 345
-
资料下载|基于查表法的永磁同步电机MTPA/MTPV控制仿真模型
基于查表法的永磁同步电机MTPA/MTPV控制仿真模型,电动汽车用永磁同步电机PMSM控制资料,波形很好,跟踪稳定。 模型全览 波形稳定 模型文件 电机控制学习文档 一如既往的很干,带好水杯下载食用!... 电车小子
- 0
- 14
- 414
-
资料下载|电动汽车 PMSM 永磁同步电机MTPA/MTPV 控制用 dq 电流查询表生成
本开源程序主要针对市场上热门的电 动汽车用内置式永磁同步电机基于查询表 的矢量控制算法,自动生成满足 MTPA(最 大转矩电流比)/MTPV(最大转矩电压比) 的 dq 轴电流参考值查询表。程序使用 m 脚 本文件编写,将生成的查询表以 C 语言二维 数组的形式输入到 txt 文本文件中,可直接 复制到应用程序中,避免工程师对数据进行 二次提取。详细数据输入到 excel 表格中, 可供分析使…... 电车小子
- 2
- 14
- 798
-
资料下载|电机控制算法实战文档
电机控制算法实战,是一份全面介绍电机控制技术及其应用的实用指南,涵盖了从基本原理到实际应用的各个方面。 第一部分:电流检测与控制 本部分详细介绍了电流检测和控制的基础理论与实践方法。首先,探讨了电流采样点的选择和电流计算与标幺化的方法。随后,深入分析了电流PI控制器的设计,包括基础设计和进阶设计。最后,通过反电势谐波补偿和注入谐波电流两个实战案例,展示了如何在实际工程中应用这些理论和技术。 第二部…... 电车小子
- 4
- 12
- 770
-
资料下载|电驱动系统标定·性能/诊断/驾驶性
汽车电驱动系统标定在车辆性能优化、故障诊断和驾驶体验提升方面具有关键意义。本次分享涵盖性能标定、诊断标定和驾驶性标定三部分,详细介绍各标定项目的原理、方法和注意事项,为汽车工程师和相关从业者提供全面参考。 详细内容自行下载学习 推荐资料:资料下载|电驱动重难点解析与对策完整培训资料 友情提示:本站资料均可积分下载,本站积分很容易获得,电脑访问本站每天签到评论基本都能很快获得想要的资料,本站不盈利不…... 电车小子
- 1
- 12
- 437
-
资料下载|电机IGBT结温估算及模型分享
目录: IGBT结温估算的意义 结温估算的算法流程图 电流估算介绍 导通损耗估算介绍 开关损耗估算介绍 结温估算小结 IGBT的结温相关参数标定 测量参数 Zj-ntc参数标定 温度系数提取 Zj-ntc参数提取 结温估算Simulink模型分享 电机IGBT结温估算的意义 确保电机安全运行 结温是判定IGBT(绝缘栅双极型晶体管)等功率器件是否处于安全运行的重要条件。 IGBT的工作结温限制着控…... 电车小子
- 4
- 29
- 847
-
资料下载|电动汽车动力性经济性测评及优化技术
本学习资料《电动汽车动力性经济性测评及优化技术》详细介绍了电动汽车的动力性和经济性指标及其测试方法。以下是各章节内容的简要解释: 1.概述:介绍了整车动力性和经济性的基础知识,包括动力性指标、关键技术指标与测试,以及经济性指标和经济性测试方法。 2.测试工况分析与构建:详细讨论了各种标准测试工况(如NEDC、FTP75、WLTP和CLTC)的特点及其能耗统计特征。还探讨了基于等效能耗原理的工况重构…... 电车小子
- 0
- 7
- 629
-
资料下载|新能源汽车驱动电机高级仿真技术
该文档介绍了新能源汽车驱动电机的高级仿真技术,涵盖了仿真模型的建立、仿真实验的设计与实施以及仿真结果的分析等方面,对于新能源汽车驱动电机的性能优化和技术进步具有重要意义。 重点内容: 1. 新能源汽车驱动电机仿真技术概述:介绍仿真技术在新能源汽车领域的应用及意义。 2. 仿真模型的建立:讲解驱动电机仿真模型的基本构成和建模方法。 3. 仿真实验的设计与实施:阐述仿真实验的设计原则、实施步骤和注意事…... 信驭核心
- 3
- 14
- 525
-
资料下载|基于英飞凌TC387电机控制器硬件设计介绍
本文档详细介绍了基于英飞凌TC387芯片、35584电源芯片和NXP GD3160驱动芯片的电机控制器硬件设计,特别强调了功能安全的设计。以下是文档的主要内容概览: 文档展示1 一、系统架构的设计与实现 1.1 整体介绍 系统组成:概述了电机控制器的整体系统组成,包括车辆电池、点火系统、CAN总线、变速箱、微处理器、电机控制器模块、电动机单元和SBC(系统基础芯片)。 通信接口:描述了系统中的各种…... 电车小子
- 0
- 34
- 1.7k
-
资料下载|永磁电机槽极配合及实用设计
本资料围绕永磁电机槽极配合的设计与优化,结合当前电机应用中的实际需求,提供了理论与实践并重的深入探讨。以简明易懂的方式剖析了槽极配合对永磁电机性能的影响,从基础理论到实际设计方法,涵盖了关键的工程实践和仿真应用。通过综合分析和多案例展示,资料为电机设计者和工程技术人员提供了行之有效的工具与方法。 资料共分为六个章节,每个章节紧扣主题,形成系统而有深度的知识体系: 第一章:永磁电机槽极配合与电机性能…... 信驭核心
- 3
- 19
- 924
-
资料下载|基于AUTOSAR规范的车用电机控制器软件开发
资料介绍 本文档详细介绍了基于AUTOSAR规范的车用电机控制器软件开发过程,内容涵盖了汽车电子的先进规范、多核单片机的应用、软件和硬件的开发方法以及具体的开发实例。以下是内容的详细叙述: 一、前言 本文档介绍了汽车电子的最新规范AUTOSAR,以及如何开发符合AUTOSAR规范的电机控制器软件的详细过程。全文分为基础篇和实战篇,内容包括汽车电子系统的开发趋势、多核单片机在汽车电子系统中的应用、A…... 电车小子
- 1
- 13
- 793
-
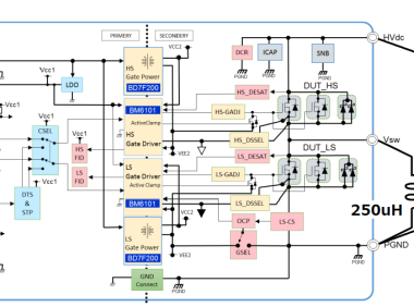
资料下载|碳化硅功率器件 特性、测试和应用资料
本文档详细介绍了碳化硅功率器件的特性、测试和应用技术,涵盖了从基本理论到实际应用的广泛内容。以下是该文档的详细简介: 1. 功率半导体基础 Si功率器件的发展与不足:介绍了Si功率器件的历史发展、基本原理及其局限性。 SiC功率器件的优势:基于半导体材料特性,比较SiC功率器件与Si功率器件的优势。 SiC功率器件和封装的发展现状:介绍目前市场上商用SiC功率器件的技术水平和发展趋势。 2. SI…... 信驭核心
- 2
- 9
- 775
-
-
资料下载|新能源汽车电机控制器开发培训视频
新能源 电机控制 器开发培训视频,专业机构培训的录制视频, 培训内容包含软件算法,硬件设计、开发体系、当前热点技术等详细讲解。内含旋变软解码、电流谐波补偿与谐波抑制算法讲解。只有培训视频没有PPT。 具体内容自行下载学习。... 信驭核心
- 1
- 25
- 663
-
资料下载|最大力矩电流比(MTPA)+弱磁矢量控制仿真研究
很实用永磁电机弱磁控制MTPA采用电压反馈弱磁 波形很好 跟踪很稳 包含仿真文件说明文档,永磁同步电机的MTPA最大转矩电流比控制算法的仿真模型,有详细的算法设计文档。... 电车小子
- 3
- 11
- 465
-
资料下载|永磁同步电机控制原理及MATLAB仿真
**永磁同步电机控制精髓与MATLAB仿真实践分享**各位技术爱好者,大家好!今天,我带来了一份关于永磁同步电机(PMSM)控制技术的深度资料分享。随着科技的飞速发展,永磁同步电机以其卓越的性能在多个领域大放异彩,成为现代工业自动化的核心动力之一。这份资料详细剖析了永磁同步电机的基本控制原理,从电机的结构特性到数学模型,再到先进的控制策略,如矢量控制、无传感器控制等,都进行了深入浅出的讲解。尤为值…... 信驭核心
- 0
- 10
- 467
-
资料下载|碳化硅Sic功率器件应用笔记
碳化硅SIC功率器件模块应用笔记,硬件工程师必备。里面很多硬件经验,还有画板注意事项,值得学习。 高清电子档。 硬件工程师必备!!! 1.SiC MOSFET栅极驱动优化; 2.SiC 功率元器件基础; 3.SiC(碳化硅)功率元器件的理解和活用事例; 4.活用Si(硅)功率器件特征的应用事例 。... 电车小子
- 0
- 13
- 468
-
资料下载|基于模型开发的MBD新能源汽车MCU控制策略+设计文档(千字文+下载)
前言: 最近无意间看到,有人为这份资料写了千字长文《高阶干货---一文搞懂永磁同步电机核心控制策略(千字长文)》,特此引用完善这份资料的介绍。 原文出处:新能源控制系统及MBD开发 电机的核心算法在于电流与电压的控制从而影响磁的控制,在整个链路中,有各种各样的方式方法,目标均是如何优化控制方法及最高效率,废话不多说,开整!红色字体是目录与小结,小结干货最多,…... 电车小子
- 0
- 21
- 1k
-
资料下载|PMSM 永磁同步电机 PI 双闭环 SVPWM 矢量 matlab simulink 仿真-资料
PMSM 永磁同步电机 PI 双闭环 SVPWM 矢量 matlab simulink 仿真,学习资料下载,内容自行下载研究。... 电车小子
- 0
- 17
- 612



















































