-
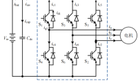
Sic器件在高速永磁电机转速跟踪控制中的研究
摘 要:针对高速永磁同步电机(HSPMSM)的电感值小、基波频率高等特点,以及Si基IGBT开关速度和电压等级限制而引起的电机运行过程中定子电流谐波含量高、发热严重和响应延迟大的问题,研究SiC金属氧化物半导体场效应晶体管(MOSFET) 在HSPMSM转速跟踪控制中的应用。通过双脉冲测试电路分析了SiC和Si器件的开关特性,结果表明SiCMOSFET具有更快的开关速度和更低的开关损耗。基于S…... 碳化硅MOS+模块
- 0
- 1
- 20
-
碳化硅高速电机控制器设计及效能分析
碳化硅高速电机控制器设计及效能分析 以碳化硅(SiC) 器件为代表的宽禁带半导体器件,对比以绝缘栅双极型晶体管(IGBT) 为代表的硅基半导 体功率器件,有开关损耗低、开关速度快、器件耐压高等优势。尤其是对于超高速电机控制器的开发,降低控制 器损耗和减小电机相电流谐波成分是关键,故将SiC MOSFET 作为电机控制的功率半导体元件成为了提升控 制器效率、减小控制器体积、优化控制效果的重要方法。此…... 碳化硅MOS+模块
- 0
- 1
- 17
-
HPD封装的SiC功率模块的应用与设计
🔍 HPD封装的技术背景与起源HPD封装起源于英飞凌对新能源汽车电驱系统的深度技术积累。2015年前后,英飞凌推出第一代HybridPACK™ Drive封装,主要针对硅基IGBT模块设计,旨在满足电动汽车对高功率密度和可靠性的需求。随着SiC功率器件的兴起,英飞凌在2019年推出兼容SiC的HPD封装版本,通过材料优化(如采用高温聚苯硫醚PPS材料)和工艺改进(如双面银烧结技术),使SiC模块的…... 国产碳化硅器件
- 0
- 0
- 252
-
电动汽车碳化硅逆变器设计
文章来源:湖南大学 作者:赵阳(工程硕士学位论文) 摘 要:碳化硅(Silicon Carbide,SiC)功率器件具有优越的性能,将SiC 功率器件应用于电动汽车逆变器内,能够显著减少逆变器的重量、体积和成本,提高电动汽车逆变器效率及性能。本文基于SiC MOSFET 设计制作了一款高效高功率密度电动汽车逆变器,主要研究内容有SiC 逆变器关键部件的选型计算、直流母线设计、水冷散热器设计等三个方…... 国产碳化硅器件
- 0
- 0
- 27
-
碳化硅MOSFET(SiC )电机控制器
资料来源:深圳爱仕特(版权专有 违者必究) 前言: 电机控制器是新能源汽车中电池电能转换机械能的控制部分,功率控制模块是电机控制器中核心电能转换器件。功率控制模块所采用的半导体材料的性能优劣将直接影响整车电机控制器在响应速度、稳定性、灵敏程度、续航里程、充电速度等多个方面的表现。正是在这样的背景下,SiC(碳化硅)电机控制器应运而生。 SiC能够提升电控系统中低负载的效率,整车续航里程增长5~10…... 国产碳化硅器件
- 0
- 0
- 12
-
意法半导体:电驱逆变器SiC功率模块芯片级热分析
文章来源:意法半导体中国 摘要:本文提出一个用尺寸紧凑、高成本效益的DC/AC逆变器分析碳化硅功率模块内并联裸片之间的热失衡问题的解决方案,该分析方法是采用红外热像仪直接测量每颗裸片在连续工作时的温度,分析两个电驱逆变模块验证,该测温系统的验证方法是,根据栅源电压阈值选择每个模块内的裸片。我们将从实验数据中提取一个数学模型,根据Vth选择标准,预测当逆变器工作在电动汽车常用的电压和功率范围内时的热…... 国产碳化硅器件
- 0
- 0
- 17
-
新能源汽车用碳化硅SiC制作关键工艺
文章来源: 前言 相比硅基功率半导体,碳化硅功率半导体在开关频率、损耗、散热、小型化等方面存在优势,随着新能源车企特斯拉大规模量产碳化硅逆变器之后,更多的新能源车企也开始量化碳化硅器件产品。本文主要介绍碳化硅产品的应用方向和生产过程。 应用方向 车载领域,功率器件主要用在DCDC、OBC、电机逆变器、电动空调逆变器、无线充电等需要AC/DC快速转换的部件中(DCDC中主要充当快速开关)。 图源:博…... 国产碳化硅器件
- 0
- 1
- 38
-
1200V/840A碳化硅模块封装技术及驱动设计
文章来源:华侨大学作者:戴家庆摘要:碳化硅作为一种宽禁带半导体材料,比传统的硅基器件具有更优越的性能。碳化硅SiC MOSFET作为一种新型宽禁带半导体器件,具有导通电阻低,开关损耗小的特点,可降低器件损耗,提升系统效率,更适合应用于高频电路。碳化硅SiC MOSFET这些优良特性,需要通过模块封装以及驱动电路系统,才能得到完美展现。为此,本文针对碳化硅SiC MOSFE的封装技术以及驱动设计进行…... 国产碳化硅器件
- 1
- 0
- 12
-
车用 SiC 电机驱动控制器用金属化膜电容研究
文章来源:中国电机工程学报 作者:李晔 1,范涛 1,2*,李琦 1,2,邰翔 1,温旭辉 1,2,蓝福武 3,陈渊伟3(1.中国科学院电工研究所;2.中国科学院大学;3.厦门法拉电子股份有限公司) 摘要:当功率模块使用碳化硅(silicon carbide,SiC)电子器件,其体积已大幅缩小,为实现控制器的高功率密度,需降低电容器体积。该文首先建立电容器设计参数和电机驱动控制器需求之间的函数关系…... 国产碳化硅器件
- 0
- 0
- 9
-
碳化硅控制器用冷却结构设计与测试
文章来源:微特电机 作者;陈登峰,秦基伟,陈雷(1.上海汽车电驱动有限公司,2.上海电驱动股份有限公司) 摘 要:碳化硅控制器在高频工况下工作时会产生大量的热量并导致其温度短时极剧升高,为保证控制器的正常工作,需要设计专门的冷却结构对其散热。针对一款碳化硅控制器的冷却需求,设计并详细介绍了与之相匹配的冷却结构。在冷却结构的散热条件下,对控制器的碳化硅模块及薄膜电容工作时的温度分布规律进行了热仿真分…... 国产碳化硅器件
- 0
- 0
- 15
-
碳化硅电驱动总成设计与测试
文章来源: 作者:陈登峰,宋君峰,位超群(上海汽车电驱动有限公司 上海汽车电驱动工程技术研究中心) 摘 要:基于进一步提升电驱动总成系统效率和功率密度的需求,设计了一款碳化硅三合一电驱动总成系统,介绍了碳化硅控制器和驱动电机的结构设计方案,并详细阐述了碳化硅三合一电驱动总成的冷却系统设计方案。为了进一步验证该碳化硅三合一电驱动总成系统的性能,对电驱动总成系统制作样机并搭建台架进行测试验证,测试结果…... 国产碳化硅器件
- 0
- 0
- 17
-
碳化硅MOS及功率模块的应用和发展趋势
身为第三代的半导体材料--SiC具有宽带隙、热导率高、电子的饱和漂移速度大、临界击穿电场高,以及介电常数低、化学稳定性好等特点,成为制作高温、高频、大功率、抗辐照、短波长发光及光电整合元件的理想材料。在高频、大功率、耐高温、抗辐照的半导体元件及紫外探测器等方面,都具有广泛的应用前景。 SiC优越的半导体特性,未来将可为众…... 国产碳化硅器件
- 0
- 0
- 29
-
10种封装的国产碳化硅(SiC)功率模块产品介绍及应用
在新基建和“双碳”战略目标指引下,第三代半导体技术(以SiC和GaN为主)的应用正在提速,并有望成为绿色经济的中流砥柱,引领新一轮产业革命。 在新能源领域需要各种节能和高效的产品和应用方案。凭借高耐压、高节温特性,SiC器件,特别是功率模块在新能源汽车、电网输配电、工业变频、轨道牵引、可再生能源等领域为实现高效、节能、轻量小型的电力转换设备做出贡献。 碳化硅模块在大功率电源中应用有一定的性能优…... 国产碳化硅器件
- 0
- 0
- 292
-
资料下载|智能底盘关键技术与应用
1. 一段话总结 智能底盘作为自动驾驶基石,系统梳理其技术内涵与发展脉络,重点剖析核心线控执行系统(含线控制动系统的冗余构型设计与液压精密控制、线控转向系统的主动转向与路感模拟)、多系统协同控制技术(如滚动时域滑模控制、迟滞逆补偿 Funnel 滑模控制)及失效运行与容错控制技术(故障分类、被动 / 主动容错策略),结合大量仿真(CarSim-MATLAB 联合仿真)与台架 / 实车试验验证技术有…... 兔兔萝卜
- 1
- 10
- 212
-
资料下载|新能源汽车电驱动技术手册
这份技术手册是新能源汽车电驱动领域的系统性权威资料,以清晰的章节架构覆盖从产业认知到技术落地、从核心部件到系统集成的全链条内容,融合海量实测数据、工程设计细节、典型应用案例与实操验证方法,兼具专业性与实用性,是新能源汽车行业技术人员、研发从业者及相关学习者深耕电驱领域的优质学习资源,诚邀下载深入研读。 核心章节内容概览 新能源汽车电驱动产业发展情况:明确新能源汽车的定义、分类与发展历程,详解202…... 兔兔萝卜
- 2
- 11
- 444
-
资料下载|轴向磁通永磁无刷电机
以下两份文档均聚焦于轴向磁通永磁(AFPM)无刷电机领域,内容专业且系统,可满足该领域学习、研究与工程设计的需求,具体内容如下: 文档 1 该文档是轴向磁通永磁无刷电机领域的综合性专业资料,内容覆盖该类电机从基础理论到实际应用的全链条知识,结构清晰且实用性强,核心内容包括: 1. 基础引入(引言章节) 明确文档研究范围(仅聚焦盘式转子结构的 AFPM 电机,不含横向磁通等其他拓扑),对比 AFPM…... 兔兔萝卜
- 1
- 4
- 373
-
资料下载|电动汽车整车动力参数匹配设计计算小工具
1、电动汽车整车动力参数匹配设计计算,电动汽车整车参数,新能源汽车电机设计工具外特性曲线,电机外特性曲线绘制,集成matlab界面小程序。内容:已知电动汽车整车参数,求解电机主要工作点,并绘制外特性曲线。电动汽车动力系统匹配计算模型:输入整车参数及性能要求,一键生成驱动系统的扭矩功率峰值转速等参数。2、整车动力经济性计算模型:包含NEDC/WLTC/CLTC工况,输入整车参数可生成工况电耗、百公里…... 兔兔萝卜
- 1
- 8
- 241
-
资料下载|旋转变压器软件解码simulink仿真
附件提供了旋转变压器软件解码的simulink仿真资源,主要包含电机角度和速度的测量方法。通过这个资源,您可以深入了解旋转变压器的工作原理和软件解码技术,并在simulink环境中进行仿真实验。以下是资源文件的简要说明:● 标题:旋转变压器软件解码simulink仿真● 描述:旋转变压器软件解码,simulink仿真 电机角度和速度测量该资源适用于电气工程及相关专业的学者和技术人员,尤其适合对旋转…... 电车小子
- 1
- 12
- 157
-
资料下载|采用死区补偿算法的PMSM双闭环矢量控制仿真
采用死区补偿算法的PMSM双闭环矢量控制仿真 参考文献:《基于死区补偿的永磁同步电动机矢量控制系统研究王文韬》 《矢量控制电动执行器死区补偿新方法张冀》《一种新颖的电压源逆变器自适应死区补偿策略_周华伟》 模型 模型 文档... 兔兔萝卜
- 1
- 13
- 252
-
资料下载|电动汽车电机诊断培训资料与电机控制器标定开发
包含电驱控制技术、过调制、零位标定、MTPA、MTPL、驾驶性控制、扭矩矢量控制、主动加热、脉冲加热、转子温度估算、功能安全诊断、谐波控制、降噪控制、800V高压系统,该资料为培训教程,总共391页,不包含培训视频。 1. 电驱及控制系统概述 2. 现代电驱控制技术 3. 现代电驱控制技术的实际应用 4. 驾驶性控制 5. 电驱扭矩矢量控制 6. 热管理 7. 噪音控制 8. 电驱系统诊断开发 9…... 电车小子
- 0
- 28
- 535
-
资料下载|PMSM永磁同步电机参数辨识仿真
PMSM永磁同步电机参数辨识仿真,适用于表贴式,内嵌式永磁同步电机:辨识内容:① 定子电阻;② DQ电感辨识(脉冲电压法);③ 转子磁链辨识;上述算法,是在实践工程中提炼出的算法,无复杂的矩阵计算,无复杂的滤波算法。带文档说明!!!... 电车小子
- 1
- 9
- 412
-
永磁同步电机分类及主要参数
一、永磁同步电机的分类 按结构分类:a. 表面式永磁同步电机:永磁体安装在电机定子表面,磁通主要通过气隙进入转子。b. 内置式永磁同步电机:永磁体安装在电机转子内部,磁通通过转子铁芯进入气隙。 按冷却方式分类:a. 自然冷却式:依靠电机自身散热。b. 风冷式:通过风扇强制对流散热。c. 水冷式:通过循环水散热。d. 油冷式:通过循环油散热。 按控制方式分类:a. 恒压频比控制:保持电机电压与频率成…... user732
- 1
- 3
- 601
-
资料下载|基于查表法的永磁同步电机MTPA/MTPV控制仿真模型
基于查表法的永磁同步电机MTPA/MTPV控制仿真模型,电动汽车用永磁同步电机PMSM控制资料,波形很好,跟踪稳定。 模型全览 波形稳定 模型文件 电机控制学习文档 一如既往的很干,带好水杯下载食用!... 电车小子
- 0
- 16
- 443
-
资料下载|电动汽车 PMSM 永磁同步电机MTPA/MTPV 控制用 dq 电流查询表生成
本开源程序主要针对市场上热门的电 动汽车用内置式永磁同步电机基于查询表 的矢量控制算法,自动生成满足 MTPA(最 大转矩电流比)/MTPV(最大转矩电压比) 的 dq 轴电流参考值查询表。程序使用 m 脚 本文件编写,将生成的查询表以 C 语言二维 数组的形式输入到 txt 文本文件中,可直接 复制到应用程序中,避免工程师对数据进行 二次提取。详细数据输入到 excel 表格中, 可供分析使…... 电车小子
- 3
- 17
- 1k




















































