-
车载充电机OBC和直流变换器DC-DC中SiC MOSFET驱动选型及供电设计要点
文章来源:德州仪器(TI) 摘要:新能源汽车动力域高压化、小型化、轻型化是大势所趋。更高的电池电压如 800V 系统要求功率器件具有更高的耐压小型化要求功率拓扑具有更高的开关频率。碳化硅(SiC)作为第三代半导体代表,具有高频率、高效率、小体积等优点,更适合车载充电机 OBC、直流变换器 DC/DC、电机控制器等应用场景高频驱动和高压化的技术发展趋势。本文主要针对 SiC MOSFET 的应用特点…... 国产碳化硅器件
- 0
- 0
- 33
-
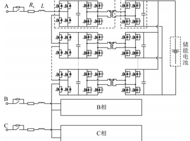
800V平台车载充电系统PFC兼容设计可行性分析
文章来源:汽车电器 作者:邵麟港, 黄天茂, 秦健璇, 李彬, 黄武荣, 黄祖朋(上汽通用五菱汽车股份 有限公司, 广西 柳州 545007)摘 要:电动汽车产业进入规模化快速发展新阶段, 充电基础设施匮乏及充电速 度慢等问题日益突出,提升充电功率, 兼容充电设施成为焦点. 文章对 800V电压平台三相车载充电系统功率因数校正电路 (Power FactorCorrection, PFC)进行设计…... 国产碳化硅器件
- 0
- 0
- 17
-
动力电池检测用双向 DC/DC 变换器设计
文章来源:信息工程 作者:贾超1,2,蒋晓明2(1.五邑大学智能制造学部,广东江门,529020; 2.广东省科学院智能制造研究所,广东广州,510070)摘要:针对传统动力电池化成分容设备中电源模块体积大、输出功率小、稳态精度低、可靠性差等问题,设计了一款高精度、大功率双向DC/DC变换器。该变换器以同步整流双向Buck/Boost电路为核心电路,采用多模块并联拓扑结构,减小系统体积的同时提高了…... 国产碳化硅器件
- 0
- 0
- 25
-
10kW 储能逆变器(PCS)的研究与设计
文章来源:上海电机学院 作者:李庆辉(硕士专业学位论文) 摘 要:在当代智能电网背景下要求电能的分配具有智能化、合理化和经济化的优势的前提下,针对当前能源资源的损耗短缺与可再生新能源发电易受外部环境变化等因素影响的问题,电能的产生、储存和消耗之间的协同合作成为了新能源发电着重需要解决的问题。随着光伏发电规模的增加和市场对变换器高功率密度、高效率和高可靠性的要求,传统的两电平储能逆变器已无法满足要求…... 国产碳化硅器件
- 0
- 1
- 8
-
SiC-MOSFET 与 Si-IGBT 混合开关车载双向充电器中线桥臂设计及控制
文章来源:中国电机工程学报 作者:付永升 1,任海鹏 1*,李翰山 1,石磊 2,雷鸣 1,闫克丁 1(1.西安工业大学,陕西省 西安市 710021;2.广州汽车集团股份有限公司汽车工程研究院,广东省 广州市 51000)摘要:为增强电动汽车与电网的互动能力,车载双向充电器已成为现研究的热点。设计采用碳化硅金属氧化物半导体场效应晶体管(silicon carbide-metal oxide se…... 国产碳化硅器件
- 0
- 0
- 14
-
新能源充电桩充电模块常见的拓扑结构和原理图,SiC MOSFET器件在充电模块中的应用及优势
随着电动汽车的快速发展,充电桩作为电动汽车产业的基础设施建设越来越受到中央和地方政府的重视,对充电桩电源模块的要求也越来越高,充电模块属于电源产品中的一大类,好比充电桩的“心脏”,不仅提供能源电力,还可对电路进行控制、转换,保证了供电电路的稳定性,模块的性能不仅直接影响充电桩整体性能,同样也关联着充电安全问题。同时,充电模块占整个充电桩整机成本的一半以上,也是充电桩的关键技术核心之一。因此,作为充…... 国产碳化硅器件
- 0
- 0
- 101
-
OBC DC/DC SiC MOSFET 驱动选型及供电设计要点
文章来源:德州仪器(TI) 摘要:新能源汽车动力域高压化、小型化、轻型化是大势所趋。更高的电池电压如 800V 系统要求功率器件具有更高的耐压小型化要求功率拓扑具有更高的开关频率。碳化硅(SiC)作为第三代半导体代表,具有高频率、高效率、小体积等优点,更适合车载充电机 OBC、直流变换器 DC/DC、电机控制器等应用场景高频驱动和高压化的技术发展趋势。本文主要针对 SiC MOSFET 的应用特点…... 国产碳化硅器件
- 0
- 0
- 15
-
碳化硅器件在直流充电桩中的应用研究
文章来源:电力电子技术 作者:丁 晓 伟 , 李 志 君(北京华商三优新能源科技有限公司) 摘 要 :碳 化 硅 功 率 器 件 具 有 开 关 频 率 高 、 高 耐 温 和 低 损 耗 的 特 性 优 势 , 可 以 有 效 提 高 系 统 效 率 和 功 率 密 度 , 因 此 在 直 流 充 电 桩 电 源 模 块 中 具 有 广 阔 的 应 用 前 景 。这 里 首 先 根 据 直 流 …... 国产碳化硅器件
- 0
- 0
- 43
-
解读新能源车载OBC的设计与应用
国产碳化硅器件 SiC碳化硅MOS管及功率模块的应用 新能源电动汽车的动力系统与传统的燃油汽车不同,“三电”取代了传统的油箱、发动机和变速箱等。“三电”主要包括驱动系统“大三电”(动力电池、电机控制器和电机),以及电源系统“小三电”(车载充电机 OBC、DC/DC 变换器和高压配电盒 PDU)。 新能源汽车车载充电机(OBC)将交流充电桩的交流电转换为动力电池所需的直流电,实现对动力电池的充电,使…... 国产碳化硅器件
- 0
- 0
- 52
-
基于碳化硅的车载集成 PFC电路分析
文章来源:电子设计工程 作者:于 亮 1,2,3(1.中国科学院上海微系统与信息技术研究所;2.上海科技大学 信息科学与技术学院;3.中国科学院大学 ) 摘要:电动汽车利用电网来给电池充电,从而实现长久的续航能力。通常,电动汽车在充电时,电机驱动系统是不工作的。因此,复用电动汽车电机驱动系统来实现电池充电是可行的。车载集成充电系统具有传统车载充电和非车载充电的双重优点。既能减小系统的体积、重量、花…... 国产碳化硅器件
- 0
- 0
- 26
-
福州大学:基于碳化硅的双向PCS设计
文章来源:电器设计与探讨 作者:陈奇,张彬意,毛行奎(福州大学电气工程与自动化学院) 摘要:随着双向储能变流器(PCS)朝着高电压、高效率的趋势发展,SiC 器件在双向PCS中开始应用。SiC的PCS主电路拓扑采用可以有效降低并网电流谐波的T型三电平逆变电路。针对SiC器件开关频率高,基于相电压采样的锁相控制比较容易受干扰,以及电网不平衡时容易影响系统稳定性,提出基于线电压采样的锁相环以及相应的并…... 国产碳化硅器件
- 0
- 0
- 24
-
基于 SiC MOSFET 的储能变流器功率单元关键技术
文章来源:南方电网技术 作者:张海1,谢文刚2,樊芳芳2,刘凯2,贾文萱3 (1. 国网山西省电力公司;2. 山东泰开高压开关有限公司;3. 新能源电力系统国家重点实验室(华北电力大学)) 摘要:随着储能变流器向大容量、模块化发展,碳化硅(SiC)器件由于其低损耗、耐高温的特性,逐渐成为研究热点。然而SiC器件过高的开关速度使其对电路中杂散电感更加敏感,并且高温运行环境也会对器件长期安全可靠的运行…... 国产碳化硅器件
- 0
- 0
- 29
-
碳化硅器件在新能源汽车中大.小三电系统中的应用
一. 新能源汽车的核心是三电系统:电池、电机、电控电驱动系统中还可以分为“大三电”和“小三电”。大三电包括:驱动电机、电控、变速器;小三电包括:高压配电盒PDU、车载充电机OBC和DC/DC变换器,扮演交直流能量转换和传输重要功能。大三电包含三大总成部件:驱动电机总成控制器总成传动总成驱动电机的主要功能是为新能源汽车提供动力,将动力电池的电能转化为机械能,主要构成包括定子、…... 国产碳化硅器件
- 0
- 0
- 16
-
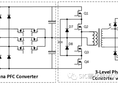
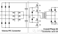
碳化硅器件应用于双向车载充电机的设计参考
电动汽车(EV)车载充电机(OBC)根据功率水平和功能有多种形式,充电功率从电动机车等应用中的不到2 kW,到高端电动汽车中的22 kW不等。传统上,充电功率是单向的,近年来,双向充电越来越受到关注。在双向OBC中,碳化硅(SiC)器件在中功率(6.6 kW)和高功率(11 - 22 kW)中的优势。 电动汽车(EV)直流快速充电机绕过安装在电动汽车上的车载充电机,直接为电池提供快…... 国产碳化硅器件
- 0
- 1
- 42
-
碳化硅功率器件在车载充电机OBC中的应用
一、车载充电机(OBC) 车载充电机是任何一辆新能源汽车必须配置的功能。车载充电机(On-Board Charger,简称为OBC)的基本功能是:电网电压经由地面交流充电桩、交流充电口,连接至车载充电机,给车载动力电池进行慢速充电。 图1:电动汽车充电方式 电动汽车充电可分为交流充电与直流充电两种,交流充电“慢充”是交流充电桩将电网中的单相交流电220V或三相交流电380V供给安装在车辆内部的…... 国产碳化硅器件
- 1
- 0
- 86
-
碳化硅器件在太阳能逆变器领域的应用
碳化硅是第三代半导体材料之一,具备大功率,低损耗,高可靠,低散热等特点,可以应用1200V以上的高压,严苛环境,可广泛用于风电,铁路等大型交通工具,及太阳能逆变器,不断电系统,智慧电网,电源供电器等高功率应用领域。碳化硅在“新基建“领域的应用:一. 5G基建--通信电源。二. 新能源汽车--…... 国产碳化硅器件
- 0
- 0
- 12
-
SIC 碳化硅MOS管应用于车载充电机(OBC)和DC/DC转换器(电动汽车,混合动力电动汽车和燃料电池电动汽车)
由于技术的改进、低碳排放趋势和政府的政策激励,电动汽车(EV)是汽车行业一个快速增长的部分。根据市场与市场报告,预计到2030年,电动汽车市场将达到2690万辆,复合年增长率为21.1%。预计亚太市场增长最快,其次是欧洲和北美。不同国家或地区的汽车工业发展倾向于不同的电动汽车。日本更注重混合动力和燃料电池电动汽车的发展,而其他国家则更倾向于纯…... 国产碳化硅器件
- 0
- 0
- 47
-
碳化硅器件在电动汽车充电桩的应用
由于技术的改进、低碳排放要求和政府的政策激励,电动汽车(EV)是汽车行业一个快速增长的部分。目前,电动汽车行业正在进行一场技术变革,通过充电基础设施提高汽车续航里程。电动汽车制造商和充电服务企业正在大力投资充电站基础设施,以支持长续航能力电动汽车和改善电动汽车司机的充电体验。政府激励措施和汽车制造商在充电基础设施建设方面的举措是推动全球电动汽车…... 国产碳化硅器件
- 0
- 0
- 18
-
储能电芯和动力电芯的区别
在新能源领域,储能电芯和动力电芯是两种关键的电池技术,各自应用于不同的场景并满足特定的需求。以下是对储能电芯和动力电芯的全面对比: 一、应用场景 动力电芯:主要应用于电动汽车、混合动力汽车等场景,为车辆提供动力。动力电芯需要具备高能量密度和高功率输出,以满足车辆的启动、加速和续航要求。 场景特征:高频次充放电、剧烈振动、极端温变 典型要求:3C以上快充能力、-30℃低温放电不衰减 代表案例:特斯拉…... user909
- 1
- 5
- 314
-
液冷超充,一文带你入门
“充电5分钟补能200公里”、“12分钟充电500公里”,最近各家新能源车企都在将电车的充电速度作为核心卖点之一进行大力宣传,而液冷超充也反复被提起,那么液冷超充是如何提升新能源汽车充电效率?... 信驭核心
- 0
- 2
- 1.1k
-
-
比亚迪充电黑科技工作原理
原创:天河小记 比亚迪充电的两个技术: 双枪充电 车辆与充电桩解耦 先放一张图: 今天好好学习一下迪 厂的车是如何做到 同时用2个 充电桩来充电的。 先回顾一下电动汽车的充电过程: 国标直流充电流程: • 物理连接:插枪落锁 • 充电握手阶段:桩发送握手报文并绝缘自检,通过后车桩互发握手报文,握手成功 • 充电参数配置:桩向车发送最大输出能力,车判断是否能充电。如允许则车闭合继电器,启动车端绝缘检…... 电车小子
- 2
- 6
- 1.3k
-
比亚迪电池全场景自加热和充电解耦技术解析
原创 :天河小记 昨天在朋友圈看到一篇讲 比亚迪全新一代e平台3.0 Evo及首搭车型海狮07EV全球同步首发,里面提到的 全场景自加热 ( 充电 、 驻车 、 行车 )十分有意思。 e平台3.0Evo的全场景智能脉冲自加热技术,是通过复用电驱系统,产生脉冲的交变的电流,直接作用于电池内部,利用电池的内阻快速产热,同时结合高效热泵与电气余热电池温升的速率提升230%。低温场景下充电时间缩短了40%…... 电车小子
- 0
- 3
- 1.6k















































